NSN 4730-01-010-1000 6003, 600-3, 8032145518
Product Details | PIPE FLANGE SAFETY SHIELD
4730-01-010-1000 An item specifically designed to fit around a pipe flange joint to confine high pressure spray from a flanged joint leak and prevents uncontrolled spray of fluids that could result in injury to personnel and damage to equipment and materials.
Part Alternates: 6003, 600-3, 8032145518, 803-2145518, 80321455188, 803-2145518-8, 8X30SS , 9001, 900-1, 90034, 900-3-4, 2145518, 21455188, 2145518-8, 4730-01-010-1000, 01-010-1000, 4730010101000, 010101000
Pipe, Tubing, Hose, and Fittings | Hose, Pipe, Tube, Lubrication, and Railing Fittings
| Supply Group (FSG) | NSN Assign. | NIIN | Item Name Code (INC) |
|---|---|---|---|
| 47 | 22 SEP 1975 | 01-010-1000 | 32552 ( SHIELD, SAFETY, PIPE FLANGE ) |
Demand History | NSN 4730-01-010-1000
| Part Number | Request Date | QTY | Origin |
|---|---|---|---|
| 4730-01-010-1000 | 2025-12-335 | 10 | United States |
| 4730-01-010-1000 | 2025-12-335 | 473 | DIBBS |
| 4730-01-010-1000 | 2025-11-324 | 473 | DIBBS |
| 4730-01-010-1000 | 2025-10-296 | 216 | DIBBS |
| 4730-01-010-1000 | 2025-06-174 | 224 | DIBBS |
| 4730-01-010-1000 | 2025-06-161 | 224 | DIBBS |
| 4730-01-010-1000 | 2024-12-344 | 249 | DIBBS |
| 4730-01-010-1000 | 2024-09-270 | 285 | DIBBS |
| 4730-01-010-1000 | 2024-07-196 | 244 | DIBBS |
| 4730-01-010-1000 | 2024-06-182 | 244 | DIBBS |
| 4730-01-010-1000 | 2024-05-137 | 259 | DIBBS |
| 4730-01-010-1000 | 2024-05-126 | 259 | DIBBS |
| 4730-01-010-1000 | 2024-01-01 | 244 | DIBBS |
| 4730-01-010-1000 | 2023-05-142 | 244 | DIBBS |
| 4730-01-010-1000 | 2023-05-131 | 244 | DIBBS |
| 4730-01-010-1000 | 2022-11-318 | 256 | DIBBS |
| 4730-01-010-1000 | 2022-10-297 | 256 | DIBBS |
| 4730-01-010-1000 | 2022-10-286 | 256 | DIBBS |
| 4730-01-010-1000 | 2022-04-107 | 350 | DIBBS |
| 4730-01-010-1000 | 2022-04-93 | 350 | DIBBS |
| 4730-01-010-1000 | 2022-03-87 | 350 | DIBBS |
| 4730-01-010-1000 | 2022-03-76 | 350 | DIBBS |
| 4730-01-010-1000 | 2022-02-38 | 99 | DIBBS |
| 4730-01-010-1000 | 2022-01-27 | 99 | DIBBS |
| 4730-01-010-1000 | 2021-04-118 | 209 | DIBBS |
| 4730-01-010-1000 | 2021-01-28 | 190 | DIBBS |
| 4730-01-010-1000 | 2020-04-111 | 296 | DIBBS |
| 4730-01-010-1000 | 2020-04-100 | 296 | DIBBS |
| 4730-01-010-1000 | 2019-06-154 | 448 | DIBBS |
| 4730-01-010-1000 | 2019-05-143 | 448 | DIBBS |
| 4730-01-010-1000 | 2019-01-03 | 128 | DIBBS |
| 4730-01-010-1000 | 2018-10-284 | 195 | DIBBS |
| 4730-01-010-1000 | 2018-08-228 | 195 | DIBBS |
| 4730-01-010-1000 | 2018-04-109 | 177 | DIBBS |
| 4730-01-010-1000 | 2017-11-306 | 172 | DIBBS |
| 4730-01-010-1000 | 2017-02-33 | 109 | DIBBS |
| 4730-01-010-1000 | 2017-01-13 | 173 | DIBBS |
| 4730-01-010-1000 | 2017-01-02 | 173 | DIBBS |
| 4730-01-010-1000 | 2016-12-340 | 130 | DIBBS |
| 9001 | 2013-09-256 | 1 | United States |
| 4730-01-010-1000 | 2012-08-223 | 155 | DIBBS |
| 4730-01-010-1000 | 2012-06-182 | 0 | DIBBS |
| 4730-01-010-1000 | 2012-06-159 | 276 | DIBBS |
| 4730-01-010-1000 | 2011-09-262 | 104 | DIBBS |
| 4730-01-010-1000 | 2009-03-69 | 81 | DIBBS |
Cross Reference | NSN 4730-01-010-1000
| Part Number | Cage Code | Manufacturer |
|---|---|---|
| 2145518 | 80064 | NAVAL SHIP SYSTEMS COMMAND |
| 2145518-8 | 80064 | NAVAL SHIP SYSTEMS COMMAND |
| 600-3 | 28591 | RAMCO MANUFACTURING CO INC |
| 803-2145518 | 53711 | NAVAL SEA SYSTEMS COMMAND |
| 803-2145518 | 80064 | NAVAL SHIP SYSTEMS COMMAND |
| 803-2145518-8 | 53711 | NAVAL SEA SYSTEMS COMMAND |
| 803-2145518-8 | 80064 | NAVAL SHIP SYSTEMS COMMAND |
| 8X30SS | 64415 | SELEX ES INC. |
| 900-1 | 28591 | RAMCO MANUFACTURING CO INC |
| 900-3-4 | 28591 | RAMCO MANUFACTURING CO INC |
Request a Quote
What Our Customers Say
Compare
NSNs for Compare ( up to 4 ): Add 4730-01-010-1000
Related Products | NSN 4730-01-010-1000
Technical Data | NSN 4730-01-010-1000
| Characteristic | Specifications |
|---|---|
| MATERIAL | ALUMINIZED GLASS,MIL-C-20079,TYPE 1,CLASS 10 |
| SURFACE TREATMENT | ANY ACCEPTABLE |
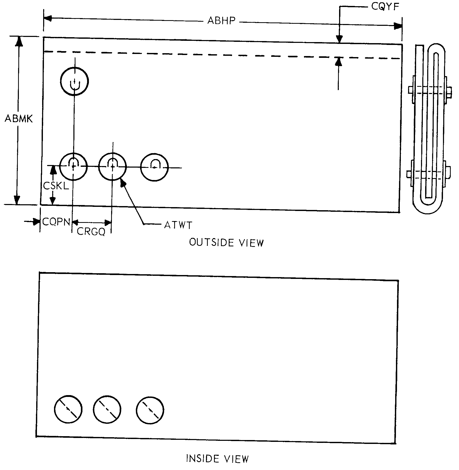
| STYLE DESIGNATOR | W1 OUTSIDE VIEW |
| OVERALL LENGTH | 360.000 INCHES NOMINAL |
| OVERALL WIDTH | 8.000 INCHES NOMINAL |
| DISTANCE FROM HOOK CENTER TO NEAREST OUTSIDE EDGE ALONG LENGTH | 0.625 INCHES NOMINAL |
| DISTANCE FROM SEWN SEAM TO NEAREST OUTSIDE EDGE ALONG LENGTH | 0.375 INCHES NOMINAL |
| CENTER TO CENTER DISTANCE BETWEEN HOOKS | 3.000 INCHES NOMINAL |
| DISTANCE FROM HOOK CENTER TO NEAREST OUTSIDE EDGE ALONG WIDTH | 0.750 INCHES NOMINAL |
| HOOK QUANTITY | 228 |
| SPECIAL FEATURES | EACH SHIELD STOCK SHALL BE ROLLED WITH THE HOOKS ON THE INSIDE WHEN PACKAGED |
Restrictions/Controls & Freight Information | NSN 4730-01-010-1000
| Category | Code | Description |
|---|---|---|
| Shelf-Life Code: | 0 | Nondeteriorative |
| Hazardous Material Indicator Code | N | There is no data in the HMIS and the NSN is in an FSC not generally suspected of containing hazardous materials |
| Demilitarization Code: | A | Non-Munitions List Item/ Non-Strategic List Item - Demilitarization not required. |
| Controlled Inventory Item Code: | U | UNCLASSIFIED |
| Precious Metals Indicator Code: | A | Item does not contain precious metal |
| Criticality Code: | X | The item does not have a nuclear hardened feature or any other critical feature such as tolerance, fit restriction or application. |
| Category | Code | Description |
|---|---|---|
| NMF Description | 049270 | CLOTH R FABRIC GLASS FIBRE MESH |
| Less than car load rating | ||
| Less than truck load rating | M | 85.0 |
| Water commodity Code | 757 | unknown |
| Originating Activity Code | AX | Defense Supply Center Columbus Columbus, OH 43216-5000 |
| Air Dimension Code | A | Shipment is not a consolidation and does not exceed 72 inches in any dimension. |
| Air Commodity | K | Clothing, including clothing equipment (other than arms and chemical supplies) cordage, fabrics and leather, parachutes, etc. |
| Air Special Handling | Z | No special handling required. |
| Special Handling Code | 9 | unknonwn |
| HAZMAT | ||
| Type of Cargo | Z | No special type of cargo code applicable |
Management | NSN 4730-01-010-1000
| Category | Code | Description |
|---|---|---|
| Cognizance Codes | 9B | Navy-owned stocks of DLA material Naval Inventory Control Point, Mechanicsburg |
| Source of Supply | SMS | Defense Logistics Agency Enterprise Business Systems |
| Agency | DN | Department of the Navy |
| Service Organization | N | U.S. Navy |
| Acquisition Advice Codes | D | DoD INTEGRATED MATERIEL-MANAGED, STOCKED, AND ISSUED # Issue, transfer, or shipment is not subject to specialized controls other than those imposed by the Integrated Materiel Manager/Service supply policy. 1. The item is centrally managed, stocked, and issued. 2. Requisitions must contain the fund citation required to acquire the item. Requisitions will be submitted in accordance with Integrated Materiel Manager(IMM)/Service requisitioning procedures. |
| Controlled Item Code | U | UNCLASSIFIED |
| Shelf Life Code | 0 | Nondeteriorative |
| Purchasing | QTY UOM |
1 EA : Each |



