NSN 5330-00-033-6737 RW5112807, 9S5334LPC10, 00-033-6737
Product Details | GASKET
5330-00-033-6737 A deformable material which prevents the passage of matter through the joint formed when two faces are joined. It may be metallic or nonmetallic, lubricated or impregnated, solid or hollow cross section. It may be made to any predetermined dimension and shape. Excludes flat disks, items made of felt material and items having joints. For round metal and plastic items with an aperture and a solid rectangular cross section, see WASHER, FLAT; SHIM; BEARING, WASHER, THRUST; and SPACER RING. Excludes DISK, VALVE; SEAL, NONMETALLIC ANGLE; SEAL, NONMETALLIC CHANNEL; SEAL, NONMETALLIC SPECIAL SHAPED SECTION; SHIELDING GASKET, ELECTRONIC; and RING, SEALING JAR.
Part Alternates: RW5112807, 9S5334LPC10, 5330-00-033-6737, 00-033-6737, 5330000336737, 000336737
Hardware and Abrasives | Packing and Gasket Materials
| Supply Group (FSG) | NSN Assign. | NIIN | Item Name Code (INC) |
|---|---|---|---|
| 53 | 01 JAN 1963 | 00-033-6737 | 04522 ( GASKET ) |
Demand History | NSN 5330-00-033-6737
| Part Number | Request Date | QTY | Origin |
|---|---|---|---|
| 5330-00-033-6737 | 2016-04-104 | 40 | DIBBS |
| 5330-00-033-6737 | 2016-04-96 | 40 | DIBBS |
| 5330-00-033-6737 | 2014-05-141 | 198 | DIBBS |
Request a Quote
What Our Customers Say
Compare
Related Products | NSN 5330-00-033-6737
Technical Data | NSN 5330-00-033-6737
| Characteristic | Specifications |
|---|---|
| MATERIAL | RUBBER BUTADIENE-STYRENE CLASS SBR OVERALL |
| MATERIAL DOCUMENT AND CLASSIFICATION | MIL-R-900 MIL SPEC SINGLE MATERIAL RESPONSE OVERALL |
| HARDNESS RATING | 40.0 SHORE DUROMETER A MINIMUM AND 50.0 SHORE DUROMETER A MAXIMUM OVERALL |
| CROSS-SECTIONAL SHAPE STYLE | F33 SOLID SINGLE OR COMPOSITION NONMETALLIC MATERIAL |
| CROSS-SECTIONAL THICKNESS | 0.250 INCHES NOMINAL |
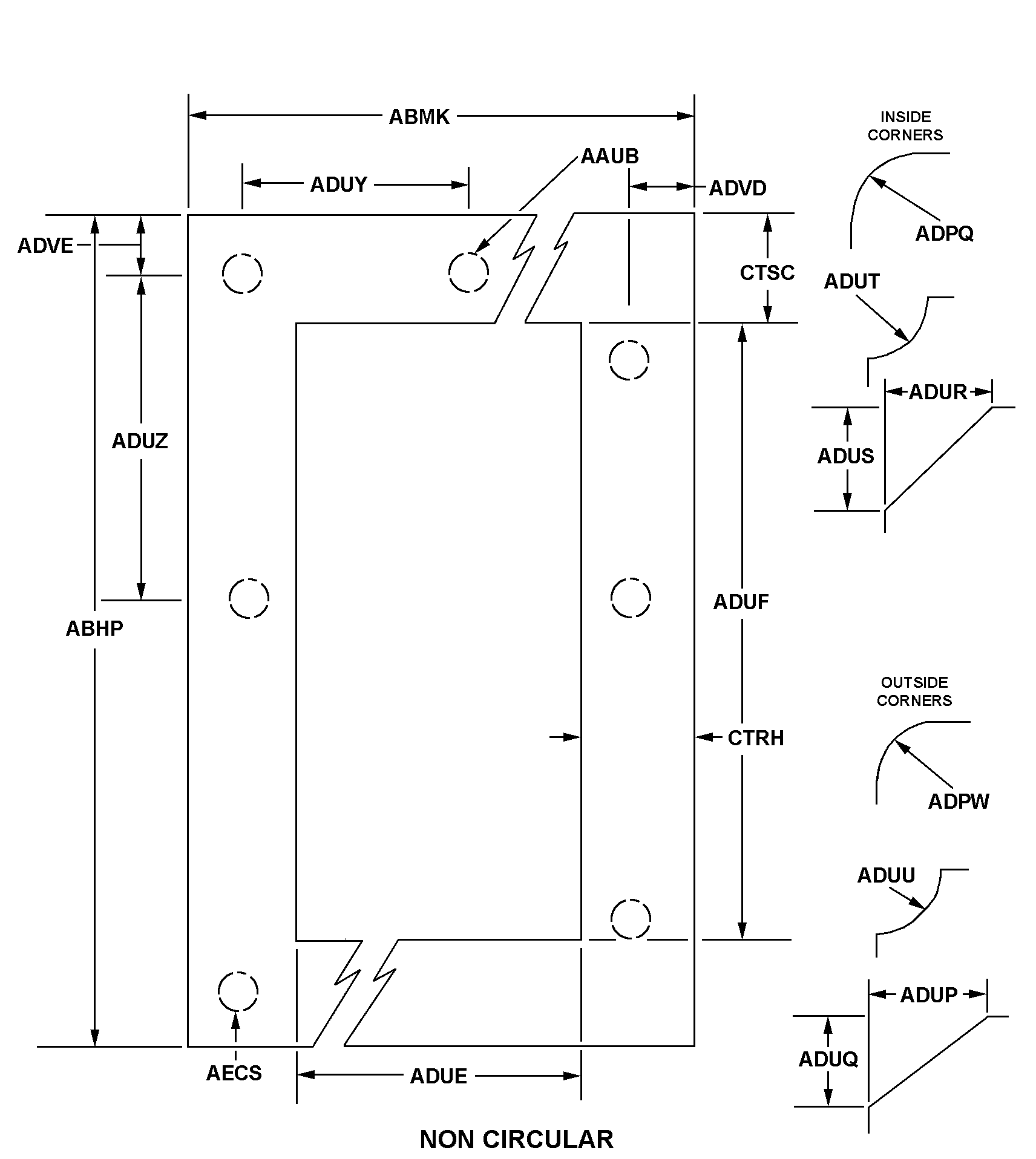
| STYLE DESIGNATOR | B12AL NON-CIRCULAR |
| OVERALL LENGTH | 4.312 INCHES NOMINAL |
| OVERALL WIDTH | 4.312 INCHES NOMINAL |
| APERTURE WIDTH | 3.812 INCHES NOMINAL |
| APERTURE LENGTH | 3.812 INCHES NOMINAL |
| INSIDE CORNER INVERTED RADIUS | 1.000 INCHES NOMINAL |
| OUTSIDE CORNER INVERTED RADIUS | 0.750 INCHES NOMINAL |
| MANUFACTURERS CODE | 80064 |
| DESIGN CONTROL REFERENCE | 9S5334LPC10 |
Restrictions/Controls & Freight Information | NSN 5330-00-033-6737
| Category | Code | Description |
|---|---|---|
| Shelf-Life Code: | 0 | Nondeteriorative |
| Hazardous Material Indicator Code | P | There is no information in the HMIS; however, the NSN is in an FSC in Table II of Federal Standard 313 and an MSDS may be required by the user. The requirement for an MSDS is dependent on a hazard determination of the supplier or the intended end use of the product |
| Demilitarization Code: | A | Non-Munitions List Item/ Non-Strategic List Item - Demilitarization not required. |
| Controlled Inventory Item Code: | U | UNCLASSIFIED |
| Precious Metals Indicator Code: | U | Precious metal type is unknown |
| Criticality Code: | X | The item does not have a nuclear hardened feature or any other critical feature such as tolerance, fit restriction or application. |
| Category | Code | Description |
|---|---|---|
| NMF Description | 194120 | WASHERS/GASKETS/PCKG DVCS NOI |
| Less than car load rating | ||
| Less than truck load rating | W | Rating Variable |
| Water commodity Code | 596 | unknown |
| Originating Activity Code | XX | |
| Air Dimension Code | A | Shipment is not a consolidation and does not exceed 72 inches in any dimension. |
| Air Commodity | B | Construction materials: Includes paint and related materials, prefabricated building, wood products, metal and composition materials and their products, commercial hardware and miscellaneous items, cement, asphalt, building maintenance materials. |
| Air Special Handling | Z | No special handling required. |
| Special Handling Code | 9 | unknonwn |
| HAZMAT | ||
| Type of Cargo | Z | No special type of cargo code applicable |
Management | NSN 5330-00-033-6737
| Category | Code | Description |
|---|---|---|
| Cognizance Codes | 9B | Navy-owned stocks of DLA material Naval Inventory Control Point, Mechanicsburg |
| Source of Supply | SMS | Defense Logistics Agency Enterprise Business Systems |
| Agency | DN | Department of the Navy |
| Service Organization | N | U.S. Navy |
| Acquisition Advice Codes | Z | INSURANCE/NUMERIC STOCKAGE OBJECTIVE ITEM # Items which may be required occasionally or intermittently, and prudence requires that a nominal quantity of materiel be stocked due to the essentiality or the lead time of the item. 1. The item is centrally managed, stocked, and issued. 2. Requisitions will be submitted in accordance with IMM/Service requisitioning procedures. |
| Controlled Item Code | U | UNCLASSIFIED |
| Shelf Life Code | 0 | Nondeteriorative |
| Purchasing | QTY UOM |
1 EA : Each |



