NSN 5330-00-291-4951 181880PC7, 00-291-4951, 002914951
Product Details | GASKET
5330-00-291-4951 A deformable material which prevents the passage of matter through the joint formed when two faces are joined. It may be metallic or nonmetallic, lubricated or impregnated, solid or hollow cross section. It may be made to any predetermined dimension and shape. Excludes flat disks, items made of felt material and items having joints. For round metal and plastic items with an aperture and a solid rectangular cross section, see WASHER, FLAT; SHIM; BEARING, WASHER, THRUST; and SPACER RING. Excludes DISK, VALVE; SEAL, NONMETALLIC ANGLE; SEAL, NONMETALLIC CHANNEL; SEAL, NONMETALLIC SPECIAL SHAPED SECTION; SHIELDING GASKET, ELECTRONIC; and RING, SEALING JAR.
Part Alternates: 181880PC7, 5330-00-291-4951, 00-291-4951, 5330002914951, 002914951
Hardware and Abrasives | Packing and Gasket Materials
| Supply Group (FSG) | NSN Assign. | NIIN | Item Name Code (INC) |
|---|---|---|---|
| 53 | 01 JAN 1963 | 00-291-4951 | 04522 ( GASKET ) |
Cross Reference | NSN 5330-00-291-4951
| Part Number | Cage Code | Manufacturer |
|---|---|---|
| 181880PC7 | 10001 | NAVAIR AND NAVSEA MANAGED ORIGINAL DESIGN ACTIVITY DWG NOT |
Request a Quote
What Our Customers Say
Compare
Related Products | NSN 5330-00-291-4951
Technical Data | NSN 5330-00-291-4951
| Characteristic | Specifications |
|---|---|
| MATERIAL | PAPER AND GLUE AND GLYCERIN OVERALL |
| MATERIAL DOCUMENT AND CLASSIFICATION | HH-P-96 FED SPEC ALL MATERIAL RESPONSES OVERALL |
| CROSS-SECTIONAL SHAPE STYLE | F33 SOLID SINGLE OR COMPOSITION NONMETALLIC MATERIAL |
| CROSS-SECTIONAL THICKNESS | 0.010 INCHES NOMINAL |
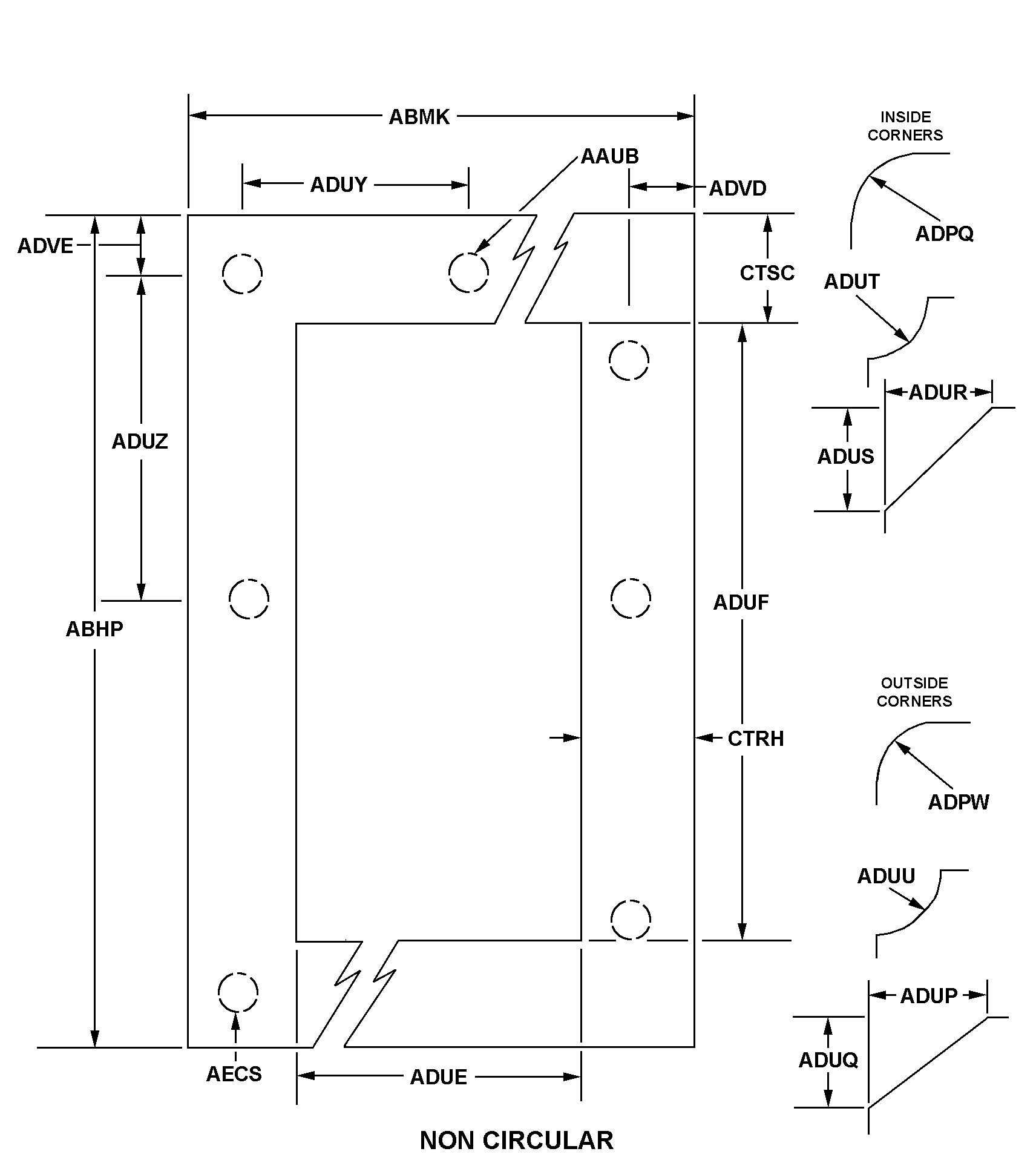
| STYLE DESIGNATOR | B12AK NON-CIRCULAR |
| HOLE DIAMETER | 0.281 INCHES NOMINAL |
| OVERALL LENGTH | 3.500 INCHES NOMINAL |
| OVERALL WIDTH | 2.750 INCHES NOMINAL |
| OUTSIDE CORNER RADIUS | 0.250 INCHES NOMINAL |
| APERTURE WIDTH | 2.240 INCHES MINIMUM AND 2.260 INCHES MAXIMUM |
| APERTURE LENGTH | 2.990 INCHES MINIMUM AND 3.010 INCHES MAXIMUM |
| INSIDE CORNER INVERTED RADIUS | 0.250 INCHES NOMINAL |
| CENTER TO CENTER DISTANCE BETWEEN BOLT HOLES ALONG WIDTH | 2.240 INCHES MINIMUM AND 2.260 INCHES MAXIMUM |
| CENTER TO CENTER DISTANCE BETWEEN BOLT HOLES ALONG LENGTH | 2.990 INCHES MINIMUM AND 3.010 INCHES MAXIMUM |
| SPECIAL FEATURES | 0.250 IN. RADIUS FILLETS ON LINES INTERSECTING THE INVERTED RADII |
Restrictions/Controls & Freight Information | NSN 5330-00-291-4951
| Category | Code | Description |
|---|---|---|
| Shelf-Life Code: | 0 | Nondeteriorative |
| Hazardous Material Indicator Code | P | There is no information in the HMIS; however, the NSN is in an FSC in Table II of Federal Standard 313 and an MSDS may be required by the user. The requirement for an MSDS is dependent on a hazard determination of the supplier or the intended end use of the product |
| Demilitarization Code: | A | Non-Munitions List Item/ Non-Strategic List Item - Demilitarization not required. |
| Controlled Inventory Item Code: | U | UNCLASSIFIED |
| Precious Metals Indicator Code: | U | Precious metal type is unknown |
| Criticality Code: | X | The item does not have a nuclear hardened feature or any other critical feature such as tolerance, fit restriction or application. |
| Category | Code | Description |
|---|---|---|
| NMF Description | 194120 | WASHERS/GASKETS/PCKG DVCS NOI |
| Less than car load rating | ||
| Less than truck load rating | W | Rating Variable |
| Water commodity Code | 596 | unknown |
| Originating Activity Code | XX | |
| Air Dimension Code | A | Shipment is not a consolidation and does not exceed 72 inches in any dimension. |
| Air Commodity | B | Construction materials: Includes paint and related materials, prefabricated building, wood products, metal and composition materials and their products, commercial hardware and miscellaneous items, cement, asphalt, building maintenance materials. |
| Air Special Handling | Z | No special handling required. |
| Special Handling Code | 9 | unknonwn |
| HAZMAT | ||
| Type of Cargo | Z | No special type of cargo code applicable |
Management | NSN 5330-00-291-4951
| Category | Code | Description |
|---|---|---|
| Cognizance Codes | 9B | Navy-owned stocks of DLA material Naval Inventory Control Point, Mechanicsburg |
| Source of Supply | SMS | Defense Logistics Agency Enterprise Business Systems |
| Agency | DN | Department of the Navy |
| Service Organization | N | U.S. Navy |
| Acquisition Advice Codes | J | NOT STOCKED, CENTRALLY PROCURED # (NON-STOCKED ITEMS) IMM/Service centrally managed but not stocked item. Procurement will be initiated only after receipt of a requisition. |
| Controlled Item Code | U | UNCLASSIFIED |
| Shelf Life Code | 0 | Nondeteriorative |
| Purchasing | QTY UOM |
1 EA : Each |



