NSN 5330-00-411-2059 10887602, 00-411-2059, 004112059
Product Details | GASKET
5330-00-411-2059 A deformable material which prevents the passage of matter through the joint formed when two faces are joined. It may be metallic or nonmetallic, lubricated or impregnated, solid or hollow cross section. It may be made to any predetermined dimension and shape. Excludes flat disks, items made of felt material and items having joints. For round metal and plastic items with an aperture and a solid rectangular cross section, see WASHER, FLAT; SHIM; BEARING, WASHER, THRUST; and SPACER RING. Excludes DISK, VALVE; SEAL, NONMETALLIC ANGLE; SEAL, NONMETALLIC CHANNEL; SEAL, NONMETALLIC SPECIAL SHAPED SECTION; SHIELDING GASKET, ELECTRONIC; and RING, SEALING JAR.
Part Alternates: 10887602, 5330-00-411-2059, 00-411-2059, 5330004112059, 004112059
Hardware and Abrasives | Packing and Gasket Materials
| Supply Group (FSG) | NSN Assign. | NIIN | Item Name Code (INC) |
|---|---|---|---|
| 53 | 01 JAN 1963 | 00-411-2059 | 04522 ( GASKET ) |
Request a Quote
What Our Customers Say
Compare
Related Products | NSN 5330-00-411-2059
Technical Data | NSN 5330-00-411-2059
| Characteristic | Specifications |
|---|---|
| MATERIAL | RUBBER OVERALL |
| CROSS-SECTIONAL SHAPE STYLE | F33 SOLID SINGLE OR COMPOSITION NONMETALLIC MATERIAL |
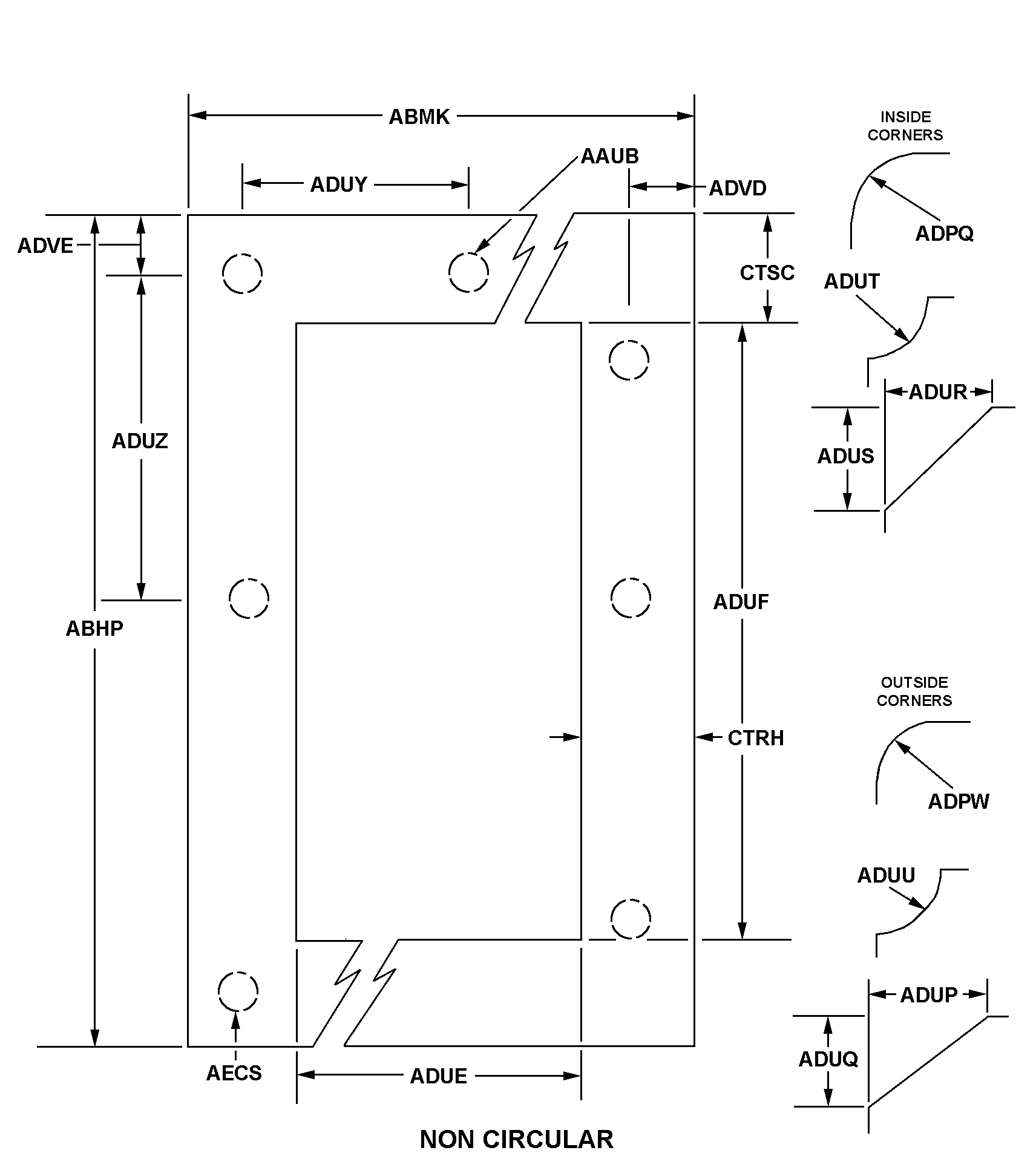
| CROSS-SECTIONAL THICKNESS | 0.380 INCHES NOMINAL |
| STYLE DESIGNATOR | B12AF NON-CIRCULAR |
| OVERALL LENGTH | 18.630 INCHES MINIMUM AND 18.870 INCHES MAXIMUM |
| OVERALL WIDTH | 9.880 INCHES MINIMUM AND 10.120 INCHES MAXIMUM |
| INSIDE CORNER RADIUS | 0.120 INCHES NOMINAL |
| OUTSIDE CORNER RADIUS | 0.120 INCHES NOMINAL |
| APERTURE WIDTH | 8.440 INCHES MINIMUM AND 8.620 INCHES MAXIMUM |
| APERTURE LENGTH | 17.190 INCHES MINIMUM AND 17.370 INCHES MAXIMUM |
Restrictions/Controls & Freight Information | NSN 5330-00-411-2059
| Category | Code | Description |
|---|---|---|
| Hazardous Material Indicator Code | P | There is no information in the HMIS; however, the NSN is in an FSC in Table II of Federal Standard 313 and an MSDS may be required by the user. The requirement for an MSDS is dependent on a hazard determination of the supplier or the intended end use of the product |
| Demilitarization Code: | A | Non-Munitions List Item/ Non-Strategic List Item - Demilitarization not required. |
| Precious Metals Indicator Code: | U | Precious metal type is unknown |
| Criticality Code: | X | The item does not have a nuclear hardened feature or any other critical feature such as tolerance, fit restriction or application. |
| Category | Code | Description |
|---|---|---|
| NMF Description | 194120 | WASHERS/GASKETS/PCKG DVCS NOI |
| Less than car load rating | P | 77.5 |
| Less than truck load rating | W | Rating Variable |
| Water commodity Code | 713 | unknown |
| Originating Activity Code | XX | |
| Air Dimension Code | A | Shipment is not a consolidation and does not exceed 72 inches in any dimension. |
| Air Commodity | V | Vehicles, machinery, shop and warehouse equipment and supplies, including special tools and equipment, ground servicing and special purpose vehicles, marine equipment and supplies, repair and maintenance parts for the above. |
| Air Special Handling | Z | No special handling required. |
| Special Handling Code | 9 | unknonwn |
| HAZMAT | ||
| Type of Cargo | Z | No special type of cargo code applicable |



