NSN 5330-00-422-2217 631281, 63128-1, 00-422-2217
Product Details | GASKET
5330-00-422-2217 A deformable material which prevents the passage of matter through the joint formed when two faces are joined. It may be metallic or nonmetallic, lubricated or impregnated, solid or hollow cross section. It may be made to any predetermined dimension and shape. Excludes flat disks, items made of felt material and items having joints. For round metal and plastic items with an aperture and a solid rectangular cross section, see WASHER, FLAT; SHIM; BEARING, WASHER, THRUST; and SPACER RING. Excludes DISK, VALVE; SEAL, NONMETALLIC ANGLE; SEAL, NONMETALLIC CHANNEL; SEAL, NONMETALLIC SPECIAL SHAPED SECTION; SHIELDING GASKET, ELECTRONIC; and RING, SEALING JAR.
Part Alternates: 631281, 63128-1, 5330-00-422-2217, 00-422-2217, 5330004222217, 004222217
Hardware and Abrasives | Packing and Gasket Materials
| Supply Group (FSG) | NSN Assign. | NIIN | Item Name Code (INC) |
|---|---|---|---|
| 53 | 30 JUL 1970 | 00-422-2217 | 04522 ( GASKET ) |
Request a Quote
What Our Customers Say
Compare
Related Products | NSN 5330-00-422-2217
Technical Data | NSN 5330-00-422-2217
| Characteristic | Specifications |
|---|---|
| MATERIAL | RUBBER BUTADIENE-STYRENE CLASS SBR OVERALL |
| MATERIAL DOCUMENT AND CLASSIFICATION | MIL-R-900 MIL SPEC SINGLE MATERIAL RESPONSE OVERALL |
| CROSS-SECTIONAL SHAPE STYLE | F33 SOLID SINGLE OR COMPOSITION NONMETALLIC MATERIAL |
| CROSS-SECTIONAL THICKNESS | 0.030 INCHES NOMINAL |
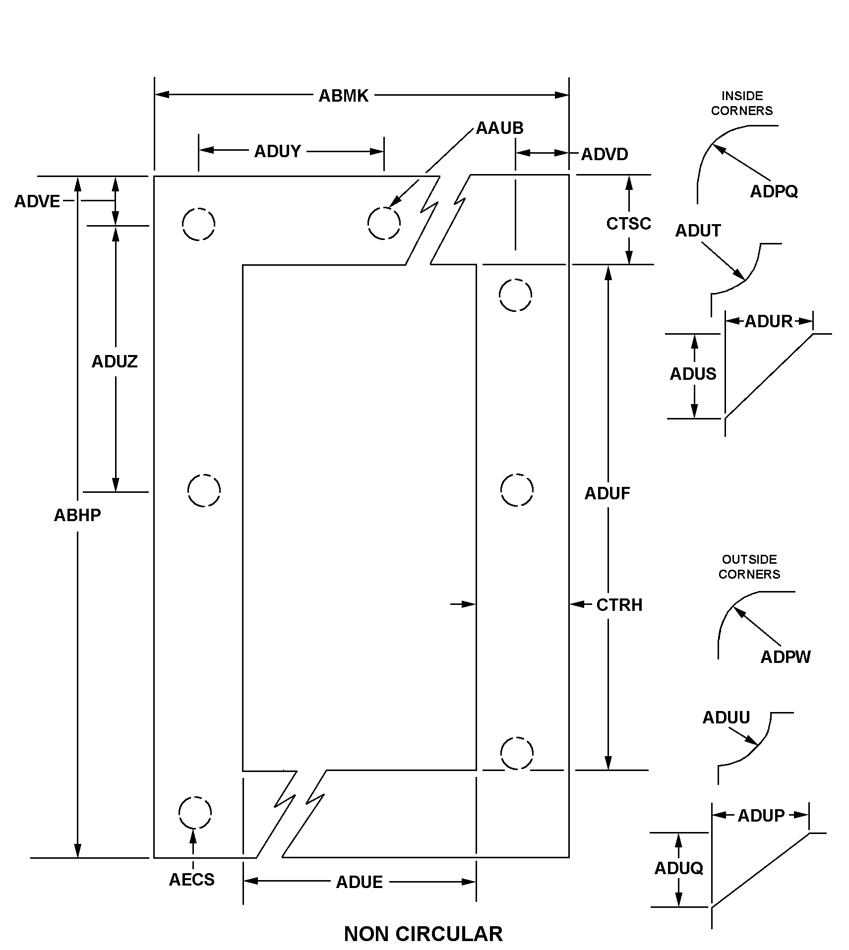
| STYLE DESIGNATOR | B12AD NON-CIRCULAR |
| OVERALL LENGTH | 4.440 INCHES NOMINAL |
| OVERALL WIDTH | 1.940 INCHES NOMINAL |
| APERTURE WIDTH | 1.040 INCHES NOMINAL |
| APERTURE LENGTH | 4.040 INCHES NOMINAL |
| OUTSIDE CORNER BEVEL LENGTH ALONG WIDTH | 0.200 INCHES NOMINAL |
| OUTSIDE CORNER BEVEL LENGTH ALONG LENGTH | 0.200 INCHES NOMINAL |
| MANUFACTURERS CODE | 9Y580 |
| DESIGN CONTROL REFERENCE | 63128-1 |
Restrictions/Controls & Freight Information | NSN 5330-00-422-2217
| Category | Code | Description |
|---|---|---|
| Shelf-Life Code: | Q | 36 months |
| Hazardous Material Indicator Code | P | There is no information in the HMIS; however, the NSN is in an FSC in Table II of Federal Standard 313 and an MSDS may be required by the user. The requirement for an MSDS is dependent on a hazard determination of the supplier or the intended end use of the product |
| Demilitarization Code: | A | Non-Munitions List Item/ Non-Strategic List Item - Demilitarization not required. |
| Controlled Inventory Item Code: | U | UNCLASSIFIED |
| Precious Metals Indicator Code: | U | Precious metal type is unknown |
| Criticality Code: | X | The item does not have a nuclear hardened feature or any other critical feature such as tolerance, fit restriction or application. |
| Category | Code | Description |
|---|---|---|
| NMF Description | 194120 | WASHERS/GASKETS/PCKG DVCS NOI |
| Less than car load rating | ||
| Less than truck load rating | W | Rating Variable |
| Water commodity Code | 596 | unknown |
| Originating Activity Code | HH | Navy ICP Mechanicsburg, PA 17055-0788 |
| Air Dimension Code | A | Shipment is not a consolidation and does not exceed 72 inches in any dimension. |
| Air Commodity | B | Construction materials: Includes paint and related materials, prefabricated building, wood products, metal and composition materials and their products, commercial hardware and miscellaneous items, cement, asphalt, building maintenance materials. |
| Air Special Handling | Z | No special handling required. |
| Special Handling Code | 9 | unknonwn |
| HAZMAT | ||
| Type of Cargo | Z | No special type of cargo code applicable |
Management | NSN 5330-00-422-2217
| Category | Code | Description |
|---|---|---|
| Cognizance Codes | 9B | Navy-owned stocks of DLA material Naval Inventory Control Point, Mechanicsburg |
| Source of Supply | SMS | Defense Logistics Agency Enterprise Business Systems |
| Agency | DN | Department of the Navy |
| Service Organization | N | U.S. Navy |
| Acquisition Advice Codes | X | SEMIACTIVE ITEM-NO REPLACEMENT (NON-STOCKED ITEMS) A potentially inactive NSN which must be retained in the supply system as an item of supply because (1) stocks of the item are on hand or in use below the wholesale level and (2) the NSN is cited in equipment authorization documents TO & E, TA, TM, etc., or in-use assets are being reported. 1. Items are authorized for central procurement but not authorized for stockage at wholesale level. 2. Requisitions for in-use replacement will be authorized in accordance with individual Military Service directives. 3. Requisitions may be submitted as requirements generate. Repetitive demands may dictate an AAC change to permit wholesale stockage. |
| Controlled Item Code | U | UNCLASSIFIED |
| Shelf Life Code | Q | 36 months |



