NSN 5330-00-427-4479 K1091A11-034482 MHZ, K1091A11034482MHZ, 442026
Product Details | GASKET
5330-00-427-4479 A deformable material which prevents the passage of matter through the joint formed when two faces are joined. It may be metallic or nonmetallic, lubricated or impregnated, solid or hollow cross section. It may be made to any predetermined dimension and shape. Excludes flat disks, items made of felt material and items having joints. For round metal and plastic items with an aperture and a solid rectangular cross section, see WASHER, FLAT; SHIM; BEARING, WASHER, THRUST; and SPACER RING. Excludes DISK, VALVE; SEAL, NONMETALLIC ANGLE; SEAL, NONMETALLIC CHANNEL; SEAL, NONMETALLIC SPECIAL SHAPED SECTION; SHIELDING GASKET, ELECTRONIC; and RING, SEALING JAR.
Part Alternates: K1091A11-034482 MHZ, K1091A11034482MHZ, 442026, 5330-00-427-4479, 00-427-4479, 5330004274479, 004274479
Hardware and Abrasives | Packing and Gasket Materials
| Supply Group (FSG) | NSN Assign. | NIIN | Item Name Code (INC) |
|---|---|---|---|
| 53 | 08 MAY 1974 | 00-427-4479 | 04522 ( GASKET ) |
Demand History | NSN 5330-00-427-4479
| Part Number | Request Date | QTY | Origin |
|---|---|---|---|
| 5330-00-427-4479 | 2016-10-286 | 9 | DIBBS |
Request a Quote
What Our Customers Say
Compare
Related Products | NSN 5330-00-427-4479
Technical Data | NSN 5330-00-427-4479
| Characteristic | Specifications |
|---|---|
| MATERIAL | RUBBER CHLOROPRENE CLASS CR OVERALL |
| MATERIAL DOCUMENT AND CLASSIFICATION | MIL-G-1149,TY 1 MIL SPEC SINGLE MATERIAL RESPONSE OVERALL |
| HARDNESS RATING | 50.0 SHORE DUROMETER A NOMINAL OVERALL |
| CROSS-SECTIONAL SHAPE STYLE | F33 SOLID SINGLE OR COMPOSITION NONMETALLIC MATERIAL |
| CROSS-SECTIONAL THICKNESS | 0.062 INCHES NOMINAL |
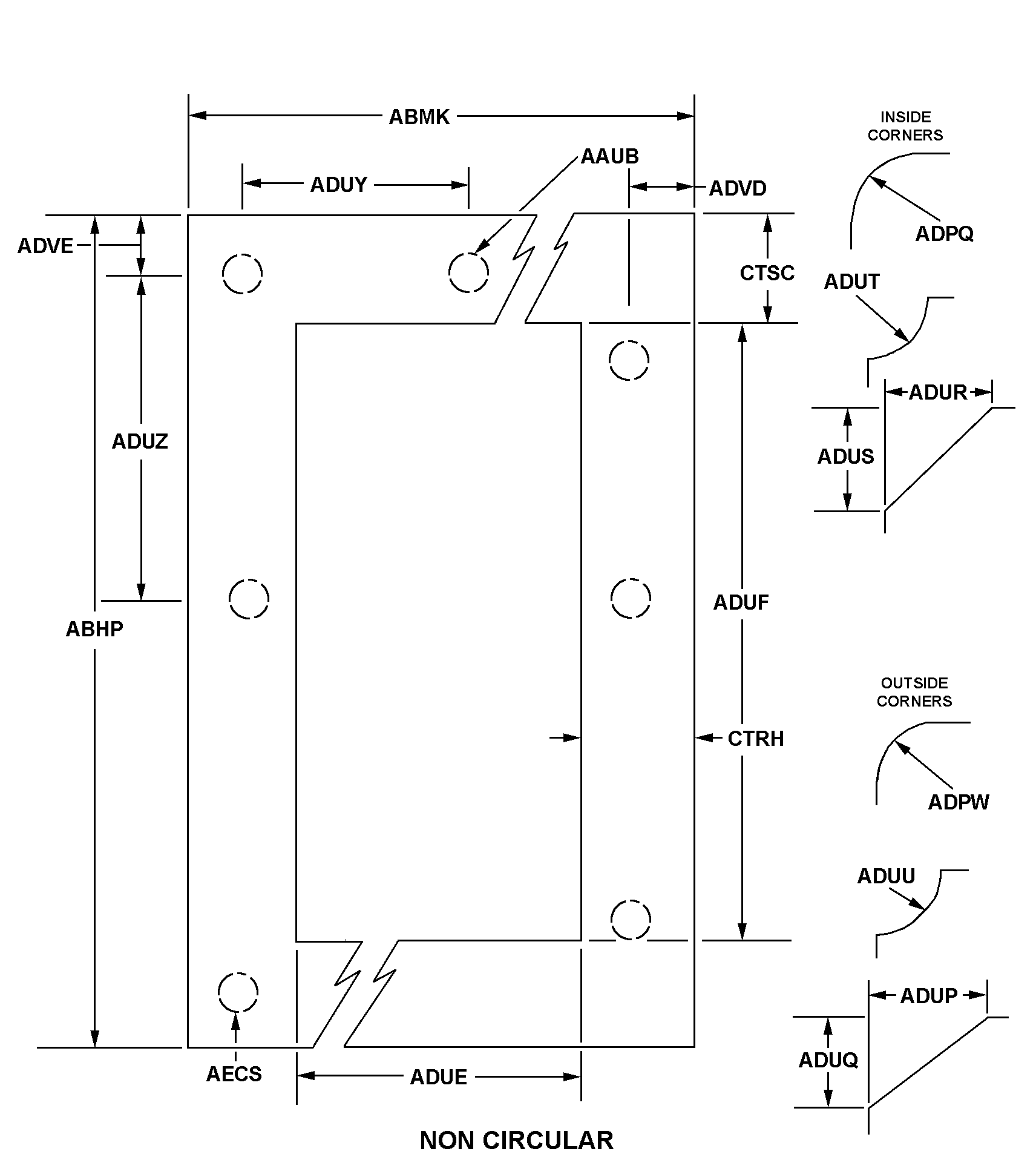
| STYLE DESIGNATOR | B12D NON-CIRCULAR |
| HOLE DIAMETER | 0.250 INCHES NOMINAL |
| OVERALL LENGTH | 11.560 INCHES NOMINAL |
| OVERALL WIDTH | 5.560 INCHES NOMINAL |
| APERTURE WIDTH | 4.320 INCHES NOMINAL |
| APERTURE LENGTH | 10.400 INCHES NOMINAL |
| OUTSIDE CORNER BEVEL LENGTH ALONG WIDTH | 0.180 INCHES NOMINAL |
| OUTSIDE CORNER BEVEL LENGTH ALONG LENGTH | 0.180 INCHES NOMINAL |
| CENTER TO CENTER DISTANCE BETWEEN BOLT HOLES ALONG LENGTH | 3.300 INCHES NOMINAL |
| OUTSIDE EDGE TO BOLT HOLE CENTER DISTANCE ALONG LENGTH | 0.840 INCHES NOMINAL |
| BOLT HOLE QUANTITY | 8 |
| SPECIAL FEATURES | 0.310 IN. DISTANCE FROM EDGE OF GASKET TO CENTER OF BOLT HOLES |
| III TEMP RATING | -65.0 DEG FAHRENHEIT AND 300.0 DEG FAHRENHEIT |
| MANUFACTURERS CODE | 80249 |
| DESIGN CONTROL REFERENCE | 442026 |
Restrictions/Controls & Freight Information | NSN 5330-00-427-4479
| Category | Code | Description |
|---|---|---|
| Shelf-Life Code: | 0 | Nondeteriorative |
| Hazardous Material Indicator Code | P | There is no information in the HMIS; however, the NSN is in an FSC in Table II of Federal Standard 313 and an MSDS may be required by the user. The requirement for an MSDS is dependent on a hazard determination of the supplier or the intended end use of the product |
| Demilitarization Code: | A | Non-Munitions List Item/ Non-Strategic List Item - Demilitarization not required. |
| Controlled Inventory Item Code: | U | UNCLASSIFIED |
| Precious Metals Indicator Code: | U | Precious metal type is unknown |
| Criticality Code: | X | The item does not have a nuclear hardened feature or any other critical feature such as tolerance, fit restriction or application. |
| Category | Code | Description |
|---|---|---|
| NMF Description | 194120 | WASHERS/GASKETS/PCKG DVCS NOI |
| Less than car load rating | ||
| Less than truck load rating | W | Rating Variable |
| Water commodity Code | 596 | unknown |
| Originating Activity Code | HD | Naval Inventory Control Point Mechanicsburg, PA 17055-0788 |
| Air Dimension Code | A | Shipment is not a consolidation and does not exceed 72 inches in any dimension. |
| Air Commodity | B | Construction materials: Includes paint and related materials, prefabricated building, wood products, metal and composition materials and their products, commercial hardware and miscellaneous items, cement, asphalt, building maintenance materials. |
| Air Special Handling | Z | No special handling required. |
| Special Handling Code | 9 | unknonwn |
| HAZMAT | ||
| Type of Cargo | Z | No special type of cargo code applicable |
Management | NSN 5330-00-427-4479
| Category | Code | Description |
|---|---|---|
| Cognizance Codes | 9B | Navy-owned stocks of DLA material Naval Inventory Control Point, Mechanicsburg |
| Source of Supply | SMS | Defense Logistics Agency Enterprise Business Systems |
| Agency | DN | Department of the Navy |
| Service Organization | N | U.S. Navy |
| Acquisition Advice Codes | Z | INSURANCE/NUMERIC STOCKAGE OBJECTIVE ITEM # Items which may be required occasionally or intermittently, and prudence requires that a nominal quantity of materiel be stocked due to the essentiality or the lead time of the item. 1. The item is centrally managed, stocked, and issued. 2. Requisitions will be submitted in accordance with IMM/Service requisitioning procedures. |
| Controlled Item Code | U | UNCLASSIFIED |
| Shelf Life Code | 0 | Nondeteriorative |
| Purchasing | QTY UOM |
1 EA : Each |



