NSN 5330-00-807-2964 9069097, 00-807-2964, 008072964
Product Details | GASKET
5330-00-807-2964 A deformable material which prevents the passage of matter through the joint formed when two faces are joined. It may be metallic or nonmetallic, lubricated or impregnated, solid or hollow cross section. It may be made to any predetermined dimension and shape. Excludes flat disks, items made of felt material and items having joints. For round metal and plastic items with an aperture and a solid rectangular cross section, see WASHER, FLAT; SHIM; BEARING, WASHER, THRUST; and SPACER RING. Excludes DISK, VALVE; SEAL, NONMETALLIC ANGLE; SEAL, NONMETALLIC CHANNEL; SEAL, NONMETALLIC SPECIAL SHAPED SECTION; SHIELDING GASKET, ELECTRONIC; and RING, SEALING JAR.
Part Alternates: 9069097, 5330-00-807-2964, 00-807-2964, 5330008072964, 008072964
Hardware and Abrasives | Packing and Gasket Materials
| Supply Group (FSG) | NSN Assign. | NIIN | Item Name Code (INC) |
|---|---|---|---|
| 53 | 00-807-2964 | 04522 ( GASKET ) |
Request a Quote
What Our Customers Say
Compare
Related Products | NSN 5330-00-807-2964
Technical Data | NSN 5330-00-807-2964
| Characteristic | Specifications |
|---|---|
| MATERIAL | RUBBER CHLOROPRENE CLASS CR OVERALL |
| CROSS-SECTIONAL SHAPE STYLE | F33 SOLID SINGLE OR COMPOSITION NONMETALLIC MATERIAL |
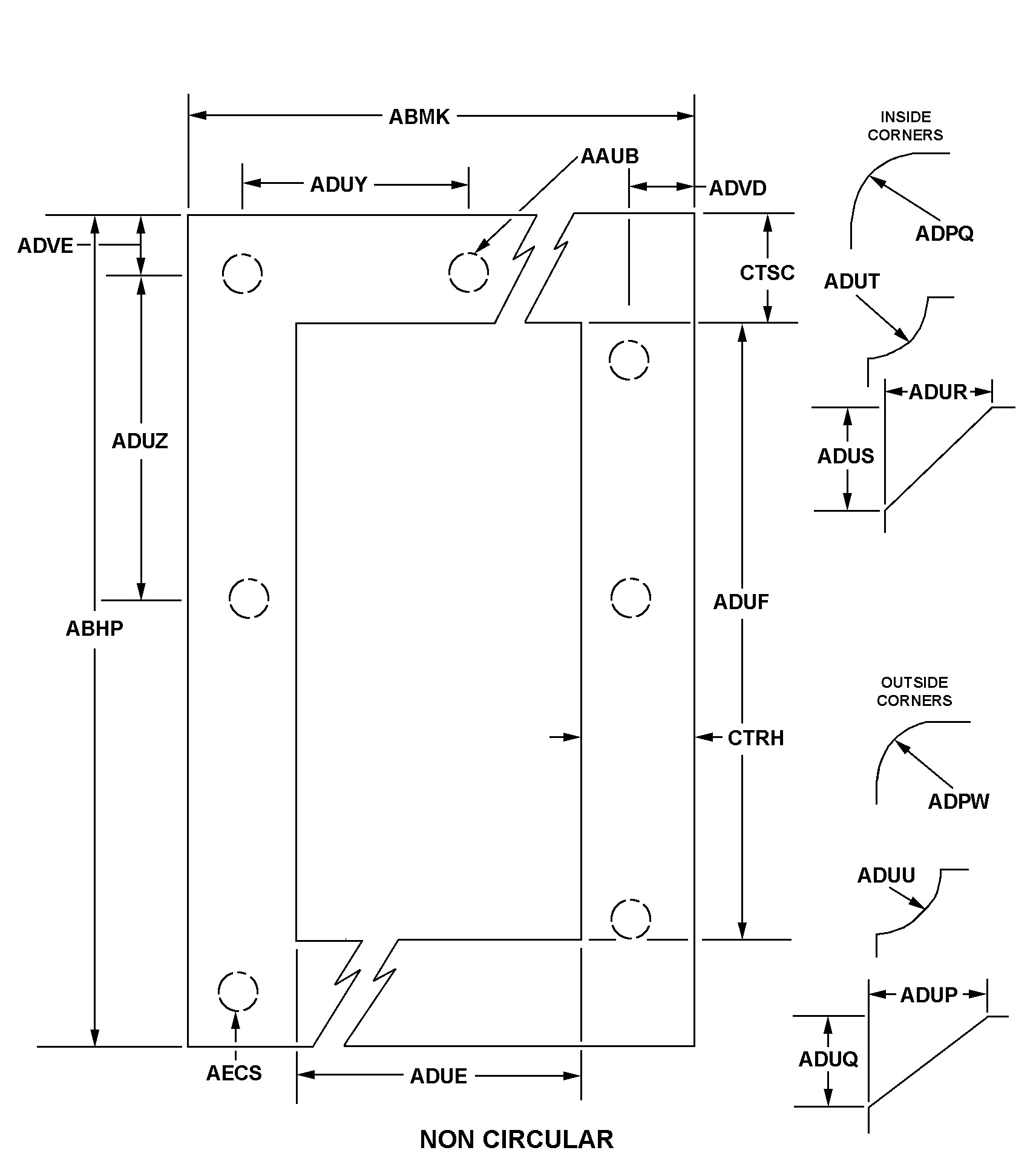
| CROSS-SECTIONAL THICKNESS | 0.062 INCHES MINIMUM AND 0.188 INCHES MAXIMUM |
| STYLE DESIGNATOR | B12B NON-CIRCULAR |
| HOLE DIAMETER | 0.438 INCHES NOMINAL |
| OVERALL LENGTH | 17.062 INCHES NOMINAL |
| OVERALL WIDTH | 6.812 INCHES NOMINAL |
| OUTSIDE CORNER RADIUS | 0.094 INCHES NOMINAL |
| APERTURE WIDTH | 5.375 INCHES NOMINAL |
| APERTURE LENGTH | 15.625 INCHES NOMINAL |
| CENTER TO CENTER DISTANCE BETWEEN BOLT HOLES ALONG WIDTH | 5.938 INCHES NOMINAL |
| CENTER TO CENTER DISTANCE BETWEEN BOLT HOLES ALONG LENGTH | 16.188 INCHES NOMINAL |
| OUTSIDE EDGE TO BOLT HOLE CENTER DISTANCE ALONG WIDTH | 0.438 INCHES NOMINAL |
| OUTSIDE EDGE TO BOLT HOLE CENTER DISTANCE ALONG LENGTH | 0.438 INCHES NOMINAL |
| BOLT HOLE QUANTITY | 6 |
| III FSC APPLICATION DATA | TEST STATIONS,GUIDED MISSILE |
| MANUFACTURERS CODE | 18876 |
| DESIGN CONTROL REFERENCE | 9069097 |
Restrictions/Controls & Freight Information | NSN 5330-00-807-2964
| Category | Code | Description |
|---|---|---|
| Hazardous Material Indicator Code | P | There is no information in the HMIS; however, the NSN is in an FSC in Table II of Federal Standard 313 and an MSDS may be required by the user. The requirement for an MSDS is dependent on a hazard determination of the supplier or the intended end use of the product |
| Category | Code | Description |
|---|---|---|
| No Freight Information | ||



