NSN 5330-01-072-0668 3065303, 01-072-0668, 010720668
Product Details | GASKET
5330-01-072-0668 A deformable material which prevents the passage of matter through the joint formed when two faces are joined. It may be metallic or nonmetallic, lubricated or impregnated, solid or hollow cross section. It may be made to any predetermined dimension and shape. Excludes flat disks, items made of felt material and items having joints. For round metal and plastic items with an aperture and a solid rectangular cross section, see WASHER, FLAT; SHIM; BEARING, WASHER, THRUST; and SPACER RING. Excludes DISK, VALVE; SEAL, NONMETALLIC ANGLE; SEAL, NONMETALLIC CHANNEL; SEAL, NONMETALLIC SPECIAL SHAPED SECTION; SHIELDING GASKET, ELECTRONIC; and RING, SEALING JAR.
Part Alternates: 3065303, 5330-01-072-0668, 01-072-0668, 5330010720668, 010720668
Hardware and Abrasives | Packing and Gasket Materials
| Supply Group (FSG) | NSN Assign. | NIIN | Item Name Code (INC) |
|---|---|---|---|
| 53 | 22 FEB 1979 | 01-072-0668 | 04522 ( GASKET ) |
Cross Reference | NSN 5330-01-072-0668
| Part Number | Cage Code | Manufacturer |
|---|---|---|
| 3065303 | 07421 | INTERSTATE ELECTRONICS CORPORATION DBA L-3 INTERSTATE ELECTRONICS |
Request a Quote
What Our Customers Say
Compare
Related Products | NSN 5330-01-072-0668
Technical Data | NSN 5330-01-072-0668
| Characteristic | Specifications |
|---|---|
| MATERIAL | RUBBER SYNTHETIC OVERALL |
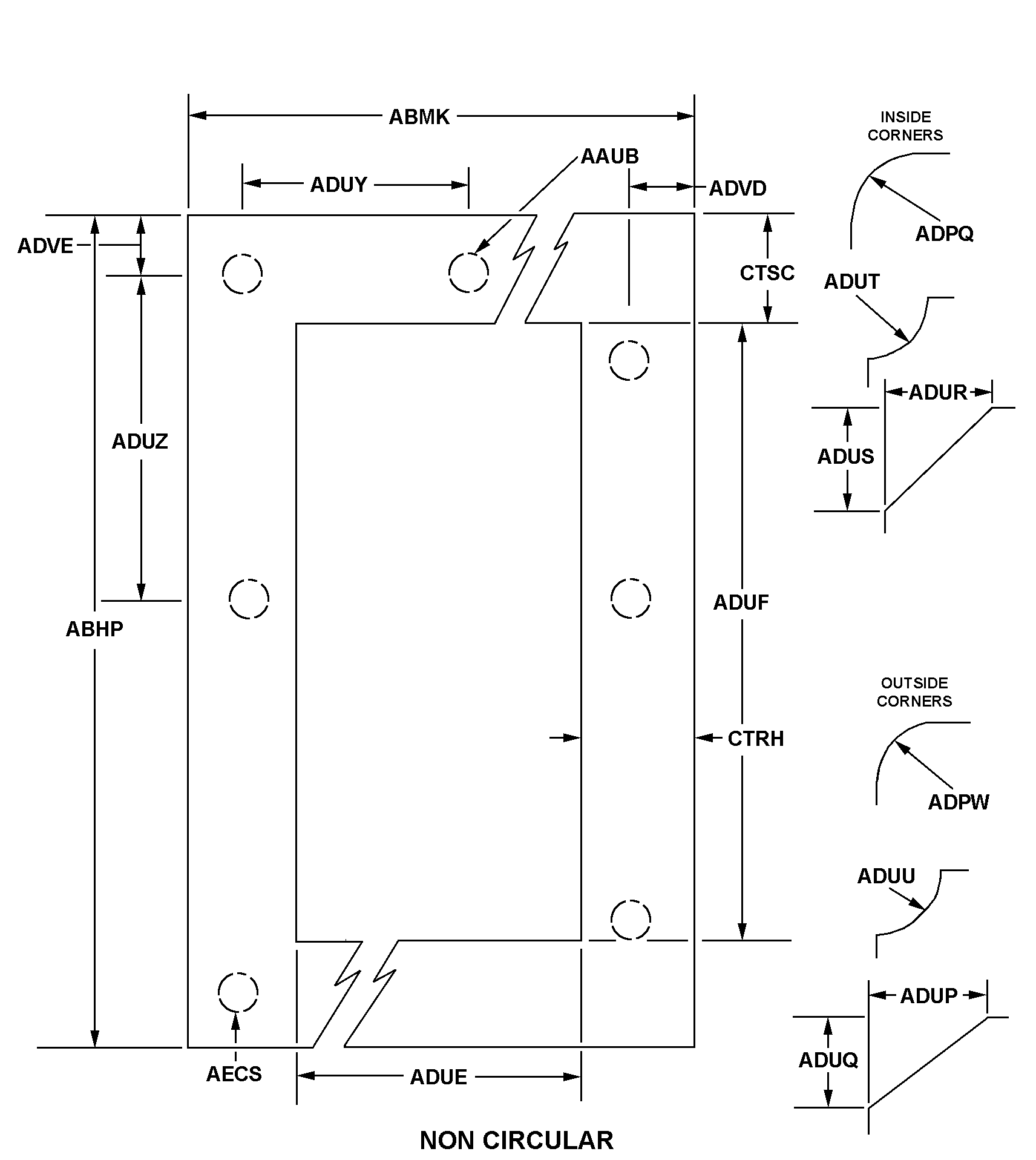
| STYLE DESIGNATOR | B12G NON-CIRCULAR |
| OVERALL LENGTH | 5.920 INCHES NOMINAL |
| OVERALL WIDTH | 5.920 INCHES NOMINAL |
| INSIDE CORNER RADIUS | 0.750 INCHES NOMINAL |
| APERTURE WIDTH | 4.810 INCHES NOMINAL |
| APERTURE LENGTH | 4.810 INCHES NOMINAL |
| OUTSIDE CORNER INVERTED RADIUS | 0.380 INCHES NOMINAL |
| SPECIAL FEATURES | 0.187 IN. DIA 8 HOLES,0.234 IN. DIA 13 HOLES,0.312 IN. DIA 1 HOLE |
Restrictions/Controls & Freight Information | NSN 5330-01-072-0668
| Category | Code | Description |
|---|---|---|
| Shelf-Life Code: | 0 | Nondeteriorative |
| Hazardous Material Indicator Code | P | There is no information in the HMIS; however, the NSN is in an FSC in Table II of Federal Standard 313 and an MSDS may be required by the user. The requirement for an MSDS is dependent on a hazard determination of the supplier or the intended end use of the product |
| Demilitarization Code: | A | Non-Munitions List Item/ Non-Strategic List Item - Demilitarization not required. |
| Controlled Inventory Item Code: | U | UNCLASSIFIED |
| Precious Metals Indicator Code: | U | Precious metal type is unknown |
| Criticality Code: | X | The item does not have a nuclear hardened feature or any other critical feature such as tolerance, fit restriction or application. |
| Category | Code | Description |
|---|---|---|
| NMF Description | 194120 | WASHERS/GASKETS/PCKG DVCS NOI |
| Less than car load rating | ||
| Less than truck load rating | W | Rating Variable |
| Water commodity Code | 596 | unknown |
| Originating Activity Code | ||
| Air Dimension Code | A | Shipment is not a consolidation and does not exceed 72 inches in any dimension. |
| Air Commodity | B | Construction materials: Includes paint and related materials, prefabricated building, wood products, metal and composition materials and their products, commercial hardware and miscellaneous items, cement, asphalt, building maintenance materials. |
| Air Special Handling | Z | No special handling required. |
| Special Handling Code | 9 | unknonwn |
| HAZMAT | ||
| Type of Cargo | Z | No special type of cargo code applicable |
Management | NSN 5330-01-072-0668
| Category | Code | Description |
|---|---|---|
| Budget Code | 9 | General Support DIV57X4921.070:Air Force decentrally managed expense items (ERRC XB3, XF-3) with a unit cost of less than $250,000 that are requisitioned/procured at base (retail) level from DLA, GSA, Army, Navy, Depot Maintenance Service, Air Force Industrial Fund (AFMC), local manufacture and commercial vendors. |
| Price Validation | N | The current standard price in Catalog Management Data (CMD) has not analyzed or coded for LP/LM.
|
| Fund Code | SF | Stock fund applicable to items managed for the Air Force by the respective Inventory Control Point. |
| Materiel Management Aggregation Code | XZ | TG:FMS UNIQUE/WR-ALC |
| Source of Supply | SMS | Defense Logistics Agency Enterprise Business Systems |
| Agency | DF | Department of the Air Force |
| Service Organization | F | U.S. Air Force |
| Reparability | N | Stock Fund (except Munitions) |
| Acquisition Advice Codes | P | RESTRICTED REQUISITION - SECURITY ASSISTANCE PROGRAM (SAP) 1. Indicates item is stocked or acquired only for SAP (replaces Military Assistance Program (MAP)) requirements, or 2. Indicates item is nonstocked and materiel is ordered from the contractor for shipment directly to the foreign government. 3. Base, post, camp, or station will not requisition. |
| Controlled Item Code | U | UNCLASSIFIED |
| Shelf Life Code | 0 | Nondeteriorative |



