NSN 5330-01-130-7266 81400755, 01-130-7266, 011307266
Product Details | GASKET
5330-01-130-7266 A deformable material which prevents the passage of matter through the joint formed when two faces are joined. It may be metallic or nonmetallic, lubricated or impregnated, solid or hollow cross section. It may be made to any predetermined dimension and shape. Excludes flat disks, items made of felt material and items having joints. For round metal and plastic items with an aperture and a solid rectangular cross section, see WASHER, FLAT; SHIM; BEARING, WASHER, THRUST; and SPACER RING. Excludes DISK, VALVE; SEAL, NONMETALLIC ANGLE; SEAL, NONMETALLIC CHANNEL; SEAL, NONMETALLIC SPECIAL SHAPED SECTION; SHIELDING GASKET, ELECTRONIC; and RING, SEALING JAR.
Part Alternates: 81400755, 5330-01-130-7266, 01-130-7266, 5330011307266, 011307266
Hardware and Abrasives | Packing and Gasket Materials
| Supply Group (FSG) | NSN Assign. | NIIN | Item Name Code (INC) |
|---|---|---|---|
| 53 | 28 APR 1982 | 01-130-7266 | 04522 ( GASKET ) |
Demand History | NSN 5330-01-130-7266
| Part Number | Request Date | QTY | Origin |
|---|---|---|---|
| 81400755 | 2019-07-185 | 46 | DIBBS |
| 5330-01-130-7266 | 2009-04-98 | 1 | DIBBS |
Request a Quote
What Our Customers Say
Compare
Related Products | NSN 5330-01-130-7266
Technical Data | NSN 5330-01-130-7266
| Characteristic | Specifications |
|---|---|
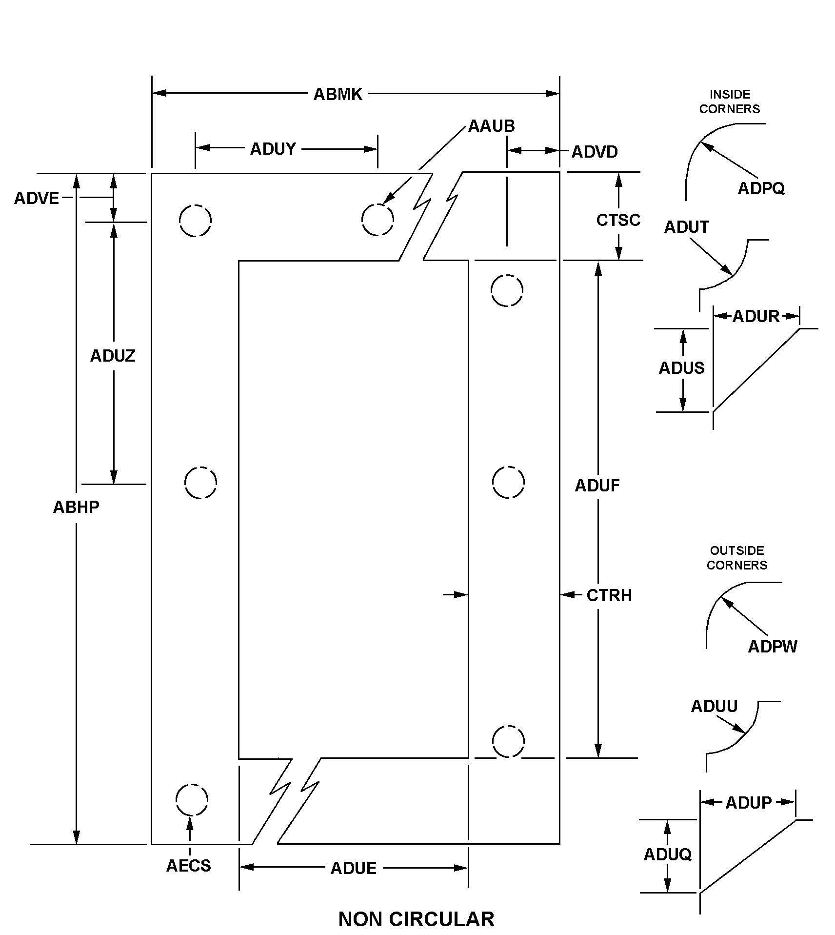
| STYLE DESIGNATOR | B12E NON-CIRCULAR |
| OVERALL LENGTH | 1.990 INCHES MINIMUM AND 2.010 INCHES MAXIMUM |
| OVERALL WIDTH | 4.365 INCHES MINIMUM AND 4.385 INCHES MAXIMUM |
| INSIDE CORNER RADIUS | 0.110 INCHES MINIMUM AND 0.130 INCHES MAXIMUM |
| CENTER TO CENTER DISTANCE BETWEEN BOLT HOLES ALONG LENGTH | 1.562 INCHES NOMINAL |
| OUTSIDE EDGE TO BOLT HOLE CENTER DISTANCE ALONG WIDTH | 0.219 INCHES NOMINAL |
| OUTSIDE EDGE TO BOLT HOLE CENTER DISTANCE ALONG LENGTH | 0.219 INCHES NOMINAL |
| BOLT HOLE QUANTITY | 8 |
| MANUFACTURERS CODE | 99595 |
| DESIGN CONTROL REFERENCE | 81400755 |
Restrictions/Controls & Freight Information | NSN 5330-01-130-7266
| Category | Code | Description |
|---|---|---|
| Shelf-Life Code: | 0 | Nondeteriorative |
| Hazardous Material Indicator Code | P | There is no information in the HMIS; however, the NSN is in an FSC in Table II of Federal Standard 313 and an MSDS may be required by the user. The requirement for an MSDS is dependent on a hazard determination of the supplier or the intended end use of the product |
| Demilitarization Code: | A | Non-Munitions List Item/ Non-Strategic List Item - Demilitarization not required. |
| Controlled Inventory Item Code: | U | UNCLASSIFIED |
| Precious Metals Indicator Code: | A | Item does not contain precious metal |
| Criticality Code: | X | The item does not have a nuclear hardened feature or any other critical feature such as tolerance, fit restriction or application. |
| Automatic Data Processing Equipment: | 0 | Represents items with no ADP components. NOTE: Codes 1 through 6 are only to be used when the item is Automatic Data Processing Equipment (ADPE) in its entirety and is limited to the type meeting only one of the definitions for codes 1 through 6. (See code 9) |
| Category | Code | Description |
|---|---|---|
| NMF Description | 194050 | GASKETS/RINGS PLUMBING FIXTURES |
| Less than car load rating | ||
| Less than truck load rating | Q | 70.0 |
| Water commodity Code | 596 | unknown |
| Originating Activity Code | CT | U.S. Army Aviation and Missile Command (AIR) Redstone Arsenal, AL 35898-5230 |
| Air Dimension Code | A | Shipment is not a consolidation and does not exceed 72 inches in any dimension. |
| Air Commodity | B | Construction materials: Includes paint and related materials, prefabricated building, wood products, metal and composition materials and their products, commercial hardware and miscellaneous items, cement, asphalt, building maintenance materials. |
| Air Special Handling | Z | No special handling required. |
| Special Handling Code | 9 | unknonwn |
| HAZMAT | ||
| Type of Cargo | Z | No special type of cargo code applicable |
Management | NSN 5330-01-130-7266
| Category | Code | Description |
|---|---|---|
| Materiel Category and Inventory Manager | T | Industrial Supplies (DLA/GSA Items) |
| Appropriation and Budget Activity | 2 | Stock Fund Secondary Items |
| Management Inventory Segment | 3 | INSURANCE ITEMS. This code will identify items for which there may be occasional intermittent demands not sufficiently repetitive to warrant classification as regular stock items, but for which prudence requires that nominalquan tity be stocked for the reason that the essentiality of the item and the long lead time required to obtain such items by purchase would create an unacceptable situation if no stock were carried. |
| Specific Group/Generic Code | B | Rotary Wing Aircraft |
| Weapons Systems/End Item or Homogeneous Group | BK | CH-47 |
| Accounting Requirements Code | X | Expendable item. An item of Army property coded with an ARC of ?X? in the AMDF. Expendable items require no formal accountability after issue from a stock record account. Commercial and fabricated items similar to items coded ?X? in the AMDF are considered expendable items. |
| Source of Supply | SMS | Defense Logistics Agency Enterprise Business Systems |
| Agency | DA | Department of the Army |
| Service Organization | A | U.S. Army |
| Reparability | Z | This is a nonreparable item. If condemned or economically unserviceable, then dispose at the level authorized replace the item. |
| Acquisition Advice Codes | J | NOT STOCKED, CENTRALLY PROCURED # (NON-STOCKED ITEMS) IMM/Service centrally managed but not stocked item. Procurement will be initiated only after receipt of a requisition. |
| Controlled Item Code | U | UNCLASSIFIED |
| Shelf Life Code | 0 | Nondeteriorative |



