NSN 5330-01-234-9455 400-11155-3, 848024, 01-234-9455
Product Details | GASKET
5330-01-234-9455 A deformable material which prevents the passage of matter through the joint formed when two faces are joined. It may be metallic or nonmetallic, lubricated or impregnated, solid or hollow cross section. It may be made to any predetermined dimension and shape. Excludes flat disks, items made of felt material and items having joints. For round metal and plastic items with an aperture and a solid rectangular cross section, see WASHER, FLAT; SHIM; BEARING, WASHER, THRUST; and SPACER RING. Excludes DISK, VALVE; SEAL, NONMETALLIC ANGLE; SEAL, NONMETALLIC CHANNEL; SEAL, NONMETALLIC SPECIAL SHAPED SECTION; SHIELDING GASKET, ELECTRONIC; and RING, SEALING JAR.
Part Alternates: 400-11155-3, 848024, 5330-01-234-9455, 01-234-9455, 5330012349455, 400111553, 012349455
Hardware and Abrasives | Packing and Gasket Materials
| Supply Group (FSG) | NSN Assign. | NIIN | Item Name Code (INC) |
|---|---|---|---|
| 53 | 23 JUN 1986 | 01-234-9455 | 04522 ( GASKET ) |
Request a Quote
What Our Customers Say
Compare
Related Products | NSN 5330-01-234-9455
Technical Data | NSN 5330-01-234-9455
| Characteristic | Specifications |
|---|---|
| MATERIAL | ALUMINUM ALLOY 6061 AND RUBBER SILICONE CLASS Q OVERALL |
| MATERIAL DOCUMENT AND CLASSIFICATION | QQ-A-250/11 FED SPEC 1ST MATERIAL RESPONSE AND BAC6-0421 FSCM 81205 MFR REF 2ND MATERIAL RESPONSE AND SWS7220U FSCM 21902 MFR REF 2ND MATERIAL RESPONSE OVERALL |
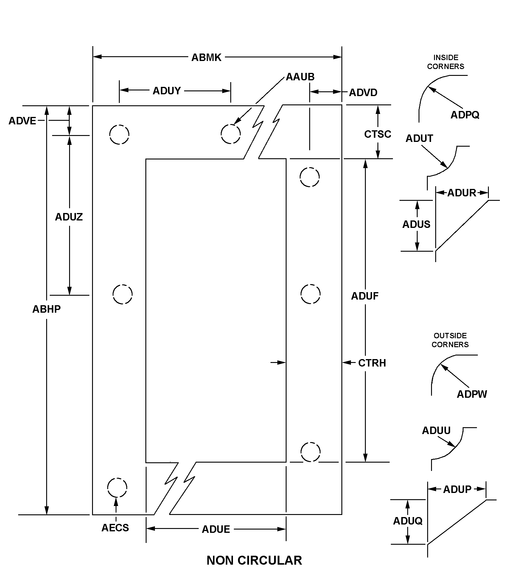
| CROSS-SECTIONAL SHAPE STYLE | F50 METAL AND SYNTHETIC RUBBER |
| CROSS-SECTIONAL THICKNESS | 0.184 INCHES MINIMUM |
| GAGE RING THICKNESS | 0.120 INCHES MINIMUM AND 0.130 INCHES MAXIMUM |
| STYLE DESIGNATOR | B12M NON-CIRCULAR |
| HOLE DIAMETER | 0.250 INCHES MINIMUM AND 0.261 INCHES MAXIMUM |
| OVERALL LENGTH | 8.180 INCHES NOMINAL |
| OVERALL WIDTH | 6.100 INCHES NOMINAL |
| APERTURE WIDTH | 5.300 INCHES NOMINAL |
| APERTURE LENGTH | 7.380 INCHES NOMINAL |
| OUTSIDE CORNER BEVEL LENGTH ALONG WIDTH | 0.200 INCHES NOMINAL |
| OUTSIDE CORNER BEVEL LENGTH ALONG LENGTH | 0.200 INCHES NOMINAL |
| INSIDE CORNER INVERTED RADIUS | 0.515 INCHES NOMINAL |
| CENTER TO CENTER DISTANCE BETWEEN BOLT HOLES ALONG WIDTH | 5.500 INCHES NOMINAL |
| CENTER TO CENTER DISTANCE BETWEEN BOLT HOLES ALONG LENGTH | 7.300 INCHES NOMINAL |
| OUTSIDE EDGE TO BOLT HOLE CENTER DISTANCE ALONG WIDTH | 0.400 INCHES NOMINAL |
| OUTSIDE EDGE TO BOLT HOLE CENTER DISTANCE ALONG LENGTH | 0.300 INCHES NOMINAL |
| OUTSIDE EDGE TO INSIDE EDGE SMALLEST DISTANCE ALONG WIDTH | 0.400 INCHES NOMINAL |
| OUTSIDE EDGE TO INSIDE EDGE SMALLEST DISTANCE ALONG LENGTH | 0.400 INCHES NOMINAL |
| BOLT HOLE QUANTITY | 4 |
| SPECIAL FEATURES | SILICONE MIXED WITH RED IRON OXIDE,CHROMATE,MIL-C-5541,CL 3 ON GAGE RING |
Restrictions/Controls & Freight Information | NSN 5330-01-234-9455
| Category | Code | Description |
|---|---|---|
| Hazardous Material Indicator Code | P | There is no information in the HMIS; however, the NSN is in an FSC in Table II of Federal Standard 313 and an MSDS may be required by the user. The requirement for an MSDS is dependent on a hazard determination of the supplier or the intended end use of the product |
| Demilitarization Code: | A | Non-Munitions List Item/ Non-Strategic List Item - Demilitarization not required. |
| Precious Metals Indicator Code: | A | Item does not contain precious metal |
| Criticality Code: | X | The item does not have a nuclear hardened feature or any other critical feature such as tolerance, fit restriction or application. |
| Category | Code | Description |
|---|---|---|
| NMF Description | 194120 | WASHERS/GASKETS/PCKG DVCS NOI |
| Less than car load rating | ||
| Less than truck load rating | W | Rating Variable |
| Water commodity Code | 713 | unknown |
| Originating Activity Code | KH | Defense Industrial Supply Center Philadelphia, PA 19111 |
| Air Dimension Code | A | Shipment is not a consolidation and does not exceed 72 inches in any dimension. |
| Air Commodity | B | Construction materials: Includes paint and related materials, prefabricated building, wood products, metal and composition materials and their products, commercial hardware and miscellaneous items, cement, asphalt, building maintenance materials. |
| Air Special Handling | Z | No special handling required. |
| Special Handling Code | 9 | unknonwn |
| HAZMAT | ||
| Type of Cargo | Z | No special type of cargo code applicable |



