NSN 5330-01-266-5385 7128027, 7128027-00, 01-266-5385
Product Details | GASKET
5330-01-266-5385 A deformable material which prevents the passage of matter through the joint formed when two faces are joined. It may be metallic or nonmetallic, lubricated or impregnated, solid or hollow cross section. It may be made to any predetermined dimension and shape. Excludes flat disks, items made of felt material and items having joints. For round metal and plastic items with an aperture and a solid rectangular cross section, see WASHER, FLAT; SHIM; BEARING, WASHER, THRUST; and SPACER RING. Excludes DISK, VALVE; SEAL, NONMETALLIC ANGLE; SEAL, NONMETALLIC CHANNEL; SEAL, NONMETALLIC SPECIAL SHAPED SECTION; SHIELDING GASKET, ELECTRONIC; and RING, SEALING JAR.
Part Alternates: 7128027, 7128027-00, 5330-01-266-5385, 01-266-5385, 5330012665385, 012665385, 712802700
Hardware and Abrasives | Packing and Gasket Materials
| Supply Group (FSG) | NSN Assign. | NIIN | Item Name Code (INC) |
|---|---|---|---|
| 53 | 27 OCT 1987 | 01-266-5385 | 04522 ( GASKET ) |
Request a Quote
What Our Customers Say
Compare
Related Products | NSN 5330-01-266-5385
Technical Data | NSN 5330-01-266-5385
| Characteristic | Specifications |
|---|---|
| MATERIAL | ALUMINUM AND RUBBER OVERALL |
| CROSS-SECTIONAL SHAPE STYLE | F37 METAL AND SYNTHETIC RUBBER |
| CROSS-SECTIONAL THICKNESS | 0.020 INCHES NOMINAL |
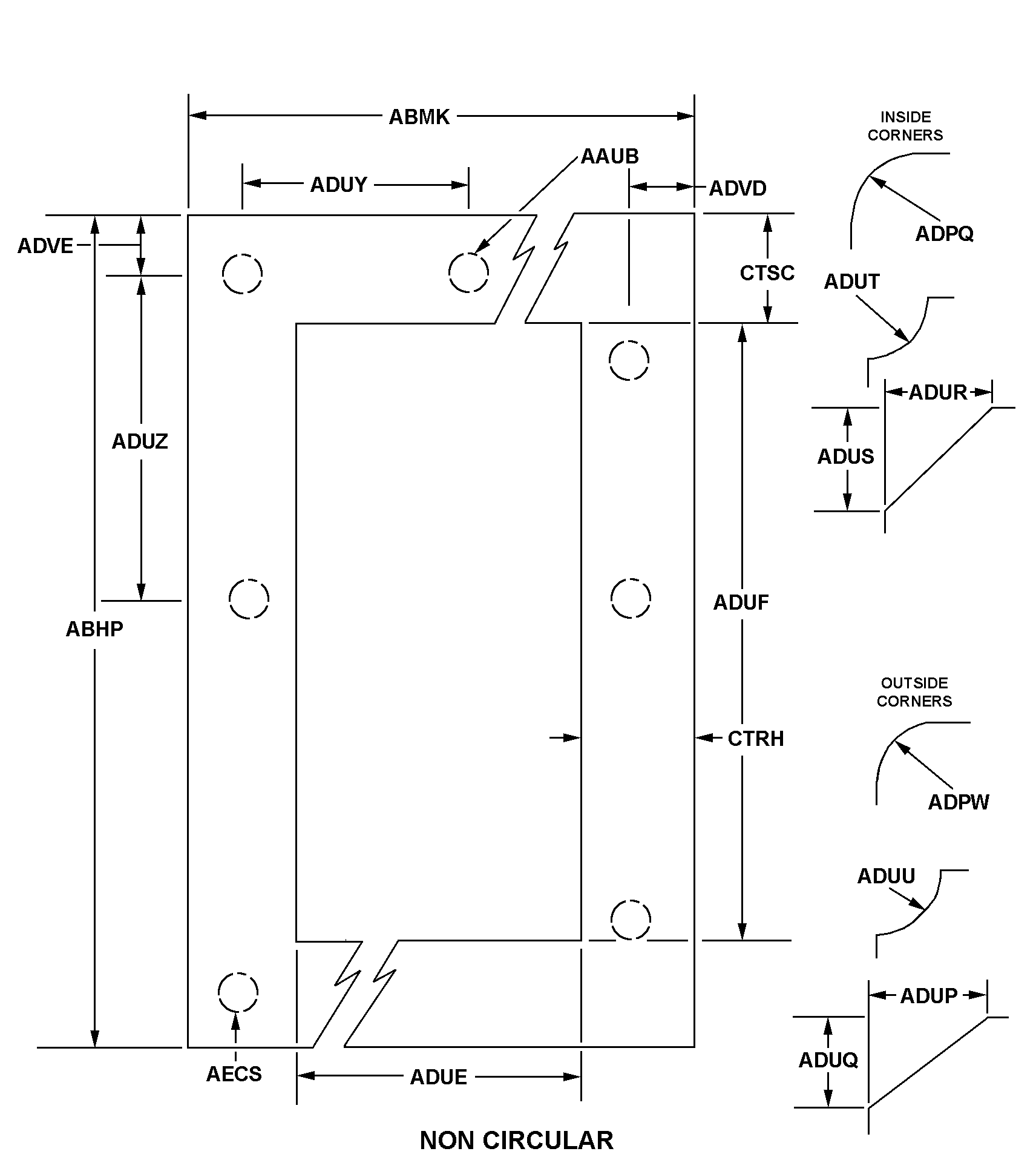
| STYLE DESIGNATOR | B12J NON-CIRCULAR |
| HOLE DIAMETER | 0.193 INCHES MINIMUM AND 0.213 INCHES MAXIMUM |
| OVERALL LENGTH | 15.380 INCHES MINIMUM AND 15.420 INCHES MAXIMUM |
| OVERALL WIDTH | 7.880 INCHES MINIMUM AND 7.920 INCHES MAXIMUM |
| APERTURE WIDTH | 6.880 INCHES MINIMUM AND 6.920 INCHES MAXIMUM |
| APERTURE LENGTH | 14.380 INCHES MINIMUM AND 14.420 INCHES MAXIMUM |
| CENTER TO CENTER DISTANCE BETWEEN BOLT HOLES ALONG WIDTH | 0.290 INCHES MINIMUM AND 0.310 INCHES MAXIMUM |
| OUTSIDE EDGE TO BOLT HOLE CENTER DISTANCE ALONG LENGTH | 0.940 INCHES MINIMUM AND 0.960 INCHES MAXIMUM |
| BOLT HOLE QUANTITY | 16 |
Restrictions/Controls & Freight Information | NSN 5330-01-266-5385
| Category | Code | Description |
|---|---|---|
| Hazardous Material Indicator Code | P | There is no information in the HMIS; however, the NSN is in an FSC in Table II of Federal Standard 313 and an MSDS may be required by the user. The requirement for an MSDS is dependent on a hazard determination of the supplier or the intended end use of the product |
| Demilitarization Code: | A | Non-Munitions List Item/ Non-Strategic List Item - Demilitarization not required. |
| Precious Metals Indicator Code: | U | Precious metal type is unknown |
| Criticality Code: | X | The item does not have a nuclear hardened feature or any other critical feature such as tolerance, fit restriction or application. |
| Category | Code | Description |
|---|---|---|
| No Freight Information | ||



