NSN 5330-01-350-2911 20204251, 2020425-1, 01-350-2911
Product Details | GASKET
5330-01-350-2911 A deformable material which prevents the passage of matter through the joint formed when two faces are joined. It may be metallic or nonmetallic, lubricated or impregnated, solid or hollow cross section. It may be made to any predetermined dimension and shape. Excludes flat disks, items made of felt material and items having joints. For round metal and plastic items with an aperture and a solid rectangular cross section, see WASHER, FLAT; SHIM; BEARING, WASHER, THRUST; and SPACER RING. Excludes DISK, VALVE; SEAL, NONMETALLIC ANGLE; SEAL, NONMETALLIC CHANNEL; SEAL, NONMETALLIC SPECIAL SHAPED SECTION; SHIELDING GASKET, ELECTRONIC; and RING, SEALING JAR.
Part Alternates: 20204251, 2020425-1, 5330-01-350-2911, 01-350-2911, 5330013502911, 013502911
Hardware and Abrasives | Packing and Gasket Materials
| Supply Group (FSG) | NSN Assign. | NIIN | Item Name Code (INC) |
|---|---|---|---|
| 53 | 13 DEC 1991 | 01-350-2911 | 04522 ( GASKET ) |
Request a Quote
What Our Customers Say
Compare
Related Products | NSN 5330-01-350-2911
Technical Data | NSN 5330-01-350-2911
| Characteristic | Specifications |
|---|---|
| MATERIAL | RUBBER SYNTHETIC OVERALL |
| MATERIAL DOCUMENT AND CLASSIFICATION | SCD 362-065-9001,CAGEC 70210 MFR REF SINGLE MATERIAL RESPONSE OVERALL |
| CROSS-SECTIONAL SHAPE STYLE | F33 SOLID SINGLE OR COMPOSITION NONMETALLIC MATERIAL |
| CROSS-SECTIONAL THICKNESS | 0.032 INCHES NOMINAL |
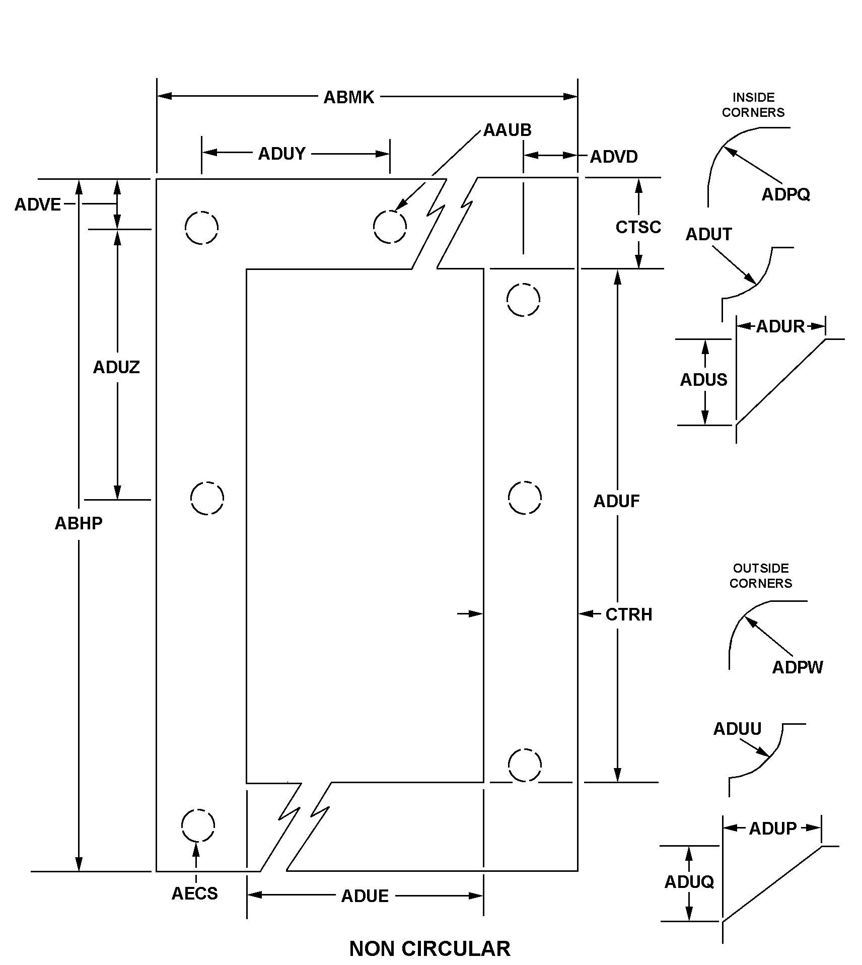
| STYLE DESIGNATOR | B12Q NON-CIRCULAR |
| HOLE DIAMETER | 0.155 INCHES MINIMUM AND 0.161 INCHES MAXIMUM |
| OVERALL LENGTH | 10.188 INCHES NOMINAL |
| OVERALL WIDTH | 5.937 INCHES NOMINAL |
| APERTURE WIDTH | 5.177 INCHES NOMINAL |
| APERTURE LENGTH | 9.428 INCHES NOMINAL |
| INSIDE CORNER BEVEL LENGTH ALONG WIDTH | 1.286 INCHES NOMINAL |
| INSIDE CORNER BEVEL LENGTH ALONG LENGTH | 1.2856 INCHES NOMINAL |
| OUTSIDE CORNER INVERTED RADIUS | 0.375 INCHES NOMINAL |
| BOLT HOLE QUANTITY | 20 |
Restrictions/Controls & Freight Information | NSN 5330-01-350-2911
| Category | Code | Description |
|---|---|---|
| Shelf-Life Code: | Y | 180 months |
| Hazardous Material Indicator Code | P | There is no information in the HMIS; however, the NSN is in an FSC in Table II of Federal Standard 313 and an MSDS may be required by the user. The requirement for an MSDS is dependent on a hazard determination of the supplier or the intended end use of the product |
| Demilitarization Code: | A | Non-Munitions List Item/ Non-Strategic List Item - Demilitarization not required. |
| Controlled Inventory Item Code: | U | UNCLASSIFIED |
| Precious Metals Indicator Code: | A | Item does not contain precious metal |
| Criticality Code: | X | The item does not have a nuclear hardened feature or any other critical feature such as tolerance, fit restriction or application. |
| Automatic Data Processing Equipment: | 0 | Represents items with no ADP components. NOTE: Codes 1 through 6 are only to be used when the item is Automatic Data Processing Equipment (ADPE) in its entirety and is limited to the type meeting only one of the definitions for codes 1 through 6. (See code 9) |
| Category | Code | Description |
|---|---|---|
| NMF Description | 194050 | GASKETS/RINGS PLUMBING FIXTURES |
| Less than car load rating | ||
| Less than truck load rating | Q | 70.0 |
| Water commodity Code | 596 | unknown |
| Originating Activity Code | KH | Defense Industrial Supply Center Philadelphia, PA 19111 |
| Air Dimension Code | A | Shipment is not a consolidation and does not exceed 72 inches in any dimension. |
| Air Commodity | B | Construction materials: Includes paint and related materials, prefabricated building, wood products, metal and composition materials and their products, commercial hardware and miscellaneous items, cement, asphalt, building maintenance materials. |
| Air Special Handling | Z | No special handling required. |
| Special Handling Code | 9 | unknonwn |
| HAZMAT | ||
| Type of Cargo | Z | No special type of cargo code applicable |
Management | NSN 5330-01-350-2911
| Category | Code | Description |
|---|---|---|
| Materiel Management Aggregation Code | BQ | TN:B-2 TSSP, NORTHROP GRUMMAN |
| Price Validation | N | The current standard price in Catalog Management Data (CMD) has not analyzed or coded for LP/LM.
|
| Budget Code | S | 1557X3010:Aircraft Replenishment Spares |
| Source of Supply | F59 | Northrop Grumman IS ACS 2501 Liberty Parkway, Suite 101 Midwest, OK 73110-2885 |
| Agency | DF | Department of the Air Force |
| Service Organization | F | U.S. Air Force |
| Reparability | N | Stock Fund (except Munitions) |
| Acquisition Advice Codes | J | NOT STOCKED, CENTRALLY PROCURED # (NON-STOCKED ITEMS) IMM/Service centrally managed but not stocked item. Procurement will be initiated only after receipt of a requisition. |
| Controlled Item Code | U | UNCLASSIFIED |
| Shelf Life Code | Y | 180 months |
| Purchasing | QTY UOM |
1 EA : Each |



