NSN 5330-01-376-5308 4274901, 427490-1, 01-376-5308
Product Details | GASKET
5330-01-376-5308 A deformable material which prevents the passage of matter through the joint formed when two faces are joined. It may be metallic or nonmetallic, lubricated or impregnated, solid or hollow cross section. It may be made to any predetermined dimension and shape. Excludes flat disks, items made of felt material and items having joints. For round metal and plastic items with an aperture and a solid rectangular cross section, see WASHER, FLAT; SHIM; BEARING, WASHER, THRUST; and SPACER RING. Excludes DISK, VALVE; SEAL, NONMETALLIC ANGLE; SEAL, NONMETALLIC CHANNEL; SEAL, NONMETALLIC SPECIAL SHAPED SECTION; SHIELDING GASKET, ELECTRONIC; and RING, SEALING JAR.
Part Alternates: 4274901, 427490-1, 5330-01-376-5308, 01-376-5308, 5330013765308, 013765308
Hardware and Abrasives | Packing and Gasket Materials
| Supply Group (FSG) | NSN Assign. | NIIN | Item Name Code (INC) |
|---|---|---|---|
| 53 | 05 JUN 1993 | 01-376-5308 | 04522 ( GASKET ) |
Cross Reference | NSN 5330-01-376-5308
| Part Number | Cage Code | Manufacturer |
|---|---|---|
| 427490-1 | 80020 | NAVAL AIR WARFARE CENTER AIRCRAFT DIVISION CODE 4.8.8.0.0.B BLDG 148-2 |
Request a Quote
What Our Customers Say
Compare
Related Products | NSN 5330-01-376-5308
Technical Data | NSN 5330-01-376-5308
| Characteristic | Specifications |
|---|---|
| MATERIAL | RUBBER FLUOROCARBON CLASS FPM OVERALL |
| MATERIAL DOCUMENT AND CLASSIFICATION | MIL-R-83248 T2,CL2 MIL SPEC SINGLE MATERIAL RESPONSE OVERALL |
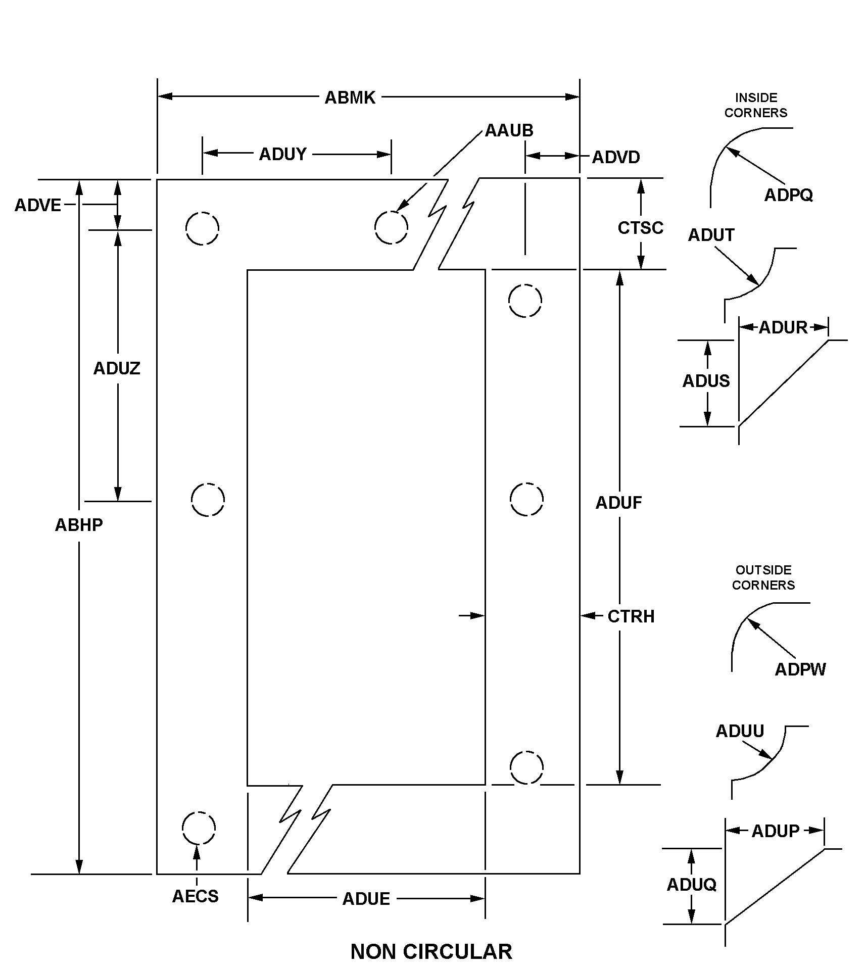
| CROSS-SECTIONAL SHAPE STYLE | F33 SOLID SINGLE OR COMPOSITION NONMETALLIC MATERIAL |
| CROSS-SECTIONAL THICKNESS | 1.500 INCHES NOMINAL |
| CROSS-SECTIONAL HEIGHT | 0.188 INCHES NOMINAL |
| STYLE DESIGNATOR | B12H NON-CIRCULAR |
| HOLE DIAMETER | 0.625 INCHES NOMINAL |
| OVERALL LENGTH | 21.625 INCHES NOMINAL |
| OVERALL WIDTH | 11.000 INCHES NOMINAL |
| INSIDE CORNER RADIUS | 1.000 INCHES NOMINAL |
| OUTSIDE CORNER RADIUS | 1.000 INCHES NOMINAL |
| APERTURE WIDTH | 8.000 INCHES NOMINAL |
| APERTURE LENGTH | 18.625 INCHES NOMINAL |
| BOLT HOLE QUANTITY | 6 |
Restrictions/Controls & Freight Information | NSN 5330-01-376-5308
| Category | Code | Description |
|---|---|---|
| Shelf-Life Code: | 0 | Nondeteriorative |
| Hazardous Material Indicator Code | P | There is no information in the HMIS; however, the NSN is in an FSC in Table II of Federal Standard 313 and an MSDS may be required by the user. The requirement for an MSDS is dependent on a hazard determination of the supplier or the intended end use of the product |
| Demilitarization Code: | A | Non-Munitions List Item/ Non-Strategic List Item - Demilitarization not required. |
| Controlled Inventory Item Code: | U | UNCLASSIFIED |
| Precious Metals Indicator Code: | A | Item does not contain precious metal |
| Criticality Code: | X | The item does not have a nuclear hardened feature or any other critical feature such as tolerance, fit restriction or application. |
| Automatic Data Processing Equipment: | 0 | Represents items with no ADP components. NOTE: Codes 1 through 6 are only to be used when the item is Automatic Data Processing Equipment (ADPE) in its entirety and is limited to the type meeting only one of the definitions for codes 1 through 6. (See code 9) |
| Category | Code | Description |
|---|---|---|
| NMF Description | 194050 | GASKETS/RINGS PLUMBING FIXTURES |
| Less than car load rating | ||
| Less than truck load rating | Q | 70.0 |
| Water commodity Code | 596 | unknown |
| Originating Activity Code | KZ | Defense Supply Center Philadelphia Philadelphia, PA 19101 |
| Air Dimension Code | A | Shipment is not a consolidation and does not exceed 72 inches in any dimension. |
| Air Commodity | B | Construction materials: Includes paint and related materials, prefabricated building, wood products, metal and composition materials and their products, commercial hardware and miscellaneous items, cement, asphalt, building maintenance materials. |
| Air Special Handling | Z | No special handling required. |
| Special Handling Code | 9 | unknonwn |
| HAZMAT | ||
| Type of Cargo | Z | No special type of cargo code applicable |
Management | NSN 5330-01-376-5308
| Category | Code | Description |
|---|---|---|
| Cognizance Codes | 9B | Navy-owned stocks of DLA material Naval Inventory Control Point, Mechanicsburg |
| Source of Supply | SMS | Defense Logistics Agency Enterprise Business Systems |
| Agency | DN | Department of the Navy |
| Service Organization | N | U.S. Navy |
| Acquisition Advice Codes | V | TERMINAL ITEM # Identifies items in stock, but future procurement is not authorized. Requisitions may continue to be submitted until stocks are exhausted. Preferred item National Stock Number is normally provided by application of the phrase: When Exhausted Use (NSN). Requisitions will be submitted in accordance with IMM/Service requisitioning procedures as applicable. |
| Controlled Item Code | U | UNCLASSIFIED |
| Shelf Life Code | 0 | Nondeteriorative |



