NSN 5330-01-468-0490 SMC9501791, SM-C-950179-1, 01-468-0490
Product Details | GASKET
5330-01-468-0490 A deformable material which prevents the passage of matter through the joint formed when two faces are joined. It may be metallic or nonmetallic, lubricated or impregnated, solid or hollow cross section. It may be made to any predetermined dimension and shape. Excludes flat disks, items made of felt material and items having joints. For round metal and plastic items with an aperture and a solid rectangular cross section, see WASHER, FLAT; SHIM; BEARING, WASHER, THRUST; and SPACER RING. Excludes DISK, VALVE; SEAL, NONMETALLIC ANGLE; SEAL, NONMETALLIC CHANNEL; SEAL, NONMETALLIC SPECIAL SHAPED SECTION; SHIELDING GASKET, ELECTRONIC; and RING, SEALING JAR.
Part Alternates: SMC9501791, SM-C-950179-1, 5330-01-468-0490, 01-468-0490, 5330014680490, 014680490
Hardware and Abrasives | Packing and Gasket Materials
| Supply Group (FSG) | NSN Assign. | NIIN | Item Name Code (INC) |
|---|---|---|---|
| 53 | 27 SEP 1999 | 01-468-0490 | 04522 ( GASKET ) |
Cross Reference | NSN 5330-01-468-0490
| Part Number | Cage Code | Manufacturer |
|---|---|---|
| SM-C-950179-1 | 80063 | US ARMY COMMUNICATIONS & ELECTRONICS MATERIEL READINESS |
Request a Quote
What Our Customers Say
Compare
Related Products | NSN 5330-01-468-0490
Technical Data | NSN 5330-01-468-0490
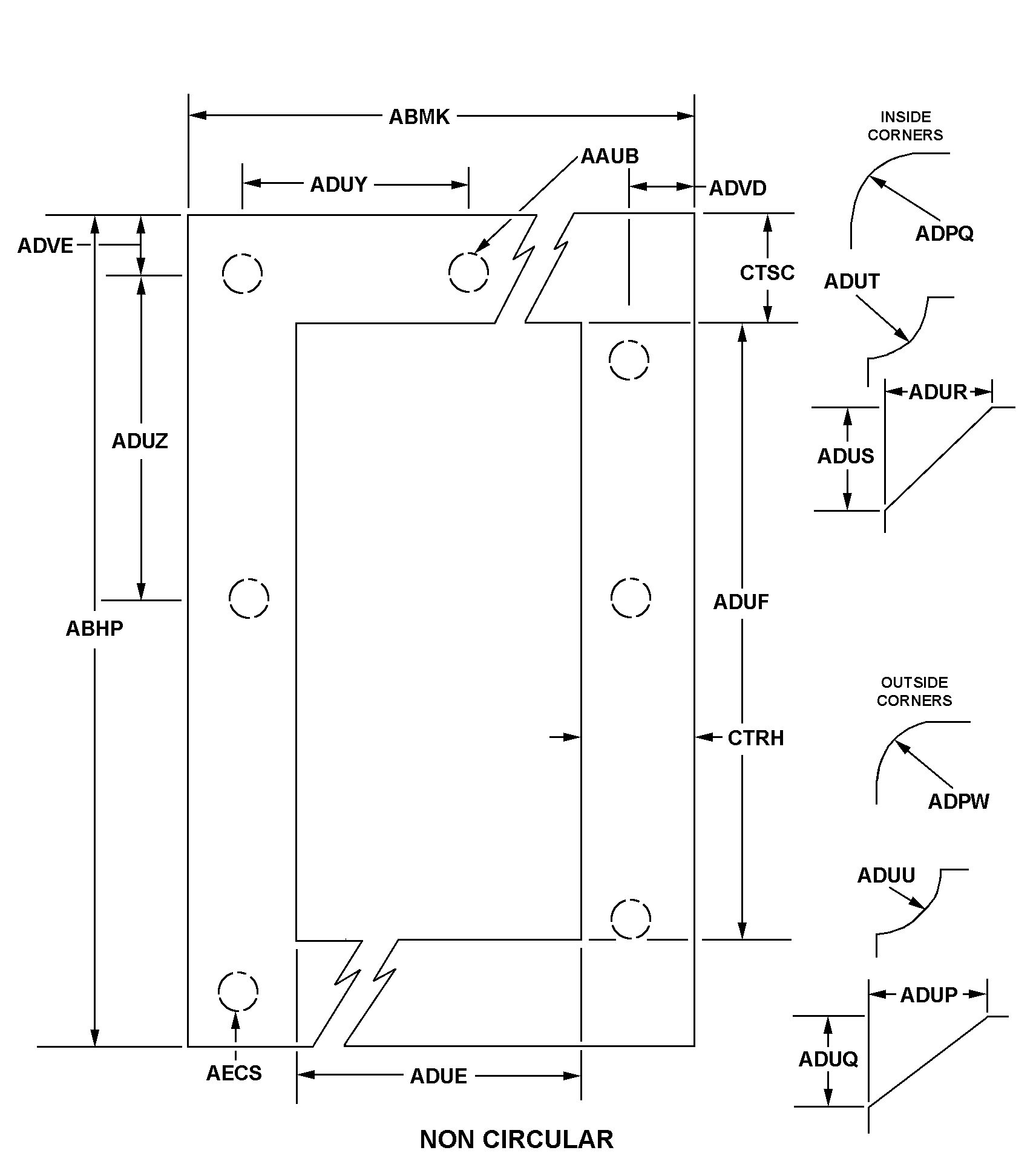
| Characteristic | Specifications |
|---|---|
| MATERIAL | RUBBER OVERALL |
| MATERIAL DOCUMENT AND CLASSIFICATION | MIL-R-6855;CLASS 2,TYPE A,GRADE 30-40 DUROMETER MIL SPEC SINGLE MATERIAL RESPONSE OVERALL |
| CROSS-SECTIONAL SHAPE STYLE | F33 SOLID SINGLE OR COMPOSITION NONMETALLIC MATERIAL |
| CROSS-SECTIONAL THICKNESS | 0.062 INCHES NOMINAL |
| STYLE DESIGNATOR | B12A NON-CIRCULAR |
| HOLE DIAMETER | 0.180 INCHES NOMINAL |
| OVERALL LENGTH | 4.600 INCHES NOMINAL |
| OVERALL WIDTH | 2.800 INCHES NOMINAL |
| APERTURE WIDTH | 0.390 INCHES NOMINAL |
| APERTURE LENGTH | 0.970 INCHES NOMINAL |
| CENTER TO CENTER DISTANCE BETWEEN BOLT HOLES ALONG LENGTH | 2.380 INCHES NOMINAL |
| OUTSIDE EDGE TO BOLT HOLE CENTER DISTANCE ALONG WIDTH | 1.400 INCHES NOMINAL |
| OUTSIDE EDGE TO BOLT HOLE CENTER DISTANCE ALONG LENGTH | 1.110 INCHES NOMINAL |
| BOLT HOLE QUANTITY | 2 |
| SPECIAL FEATURES | 5895-01-384-6751;ANTENNA GROUP |
| III PART NAME ASSIGNED BY CONTROLLING AGENCY | GASKET,TOGGLE SWITCH |
Restrictions/Controls & Freight Information | NSN 5330-01-468-0490
| Category | Code | Description |
|---|---|---|
| Shelf-Life Code: | 0 | Nondeteriorative |
| Hazardous Material Indicator Code | P | There is no information in the HMIS; however, the NSN is in an FSC in Table II of Federal Standard 313 and an MSDS may be required by the user. The requirement for an MSDS is dependent on a hazard determination of the supplier or the intended end use of the product |
| Demilitarization Code: | A | Non-Munitions List Item/ Non-Strategic List Item - Demilitarization not required. |
| Controlled Inventory Item Code: | U | UNCLASSIFIED |
| Precious Metals Indicator Code: | U | Precious metal type is unknown |
| Criticality Code: | X | The item does not have a nuclear hardened feature or any other critical feature such as tolerance, fit restriction or application. |
| Automatic Data Processing Equipment: | 0 | Represents items with no ADP components. NOTE: Codes 1 through 6 are only to be used when the item is Automatic Data Processing Equipment (ADPE) in its entirety and is limited to the type meeting only one of the definitions for codes 1 through 6. (See code 9) |
| Category | Code | Description |
|---|---|---|
| NMF Description | 194120 | WASHERS/GASKETS/PCKG DVCS NOI |
| Less than car load rating | ||
| Less than truck load rating | W | Rating Variable |
| Water commodity Code | 596 | unknown |
| Originating Activity Code | KH | Defense Industrial Supply Center Philadelphia, PA 19111 |
| Air Dimension Code | A | Shipment is not a consolidation and does not exceed 72 inches in any dimension. |
| Air Commodity | B | Construction materials: Includes paint and related materials, prefabricated building, wood products, metal and composition materials and their products, commercial hardware and miscellaneous items, cement, asphalt, building maintenance materials. |
| Air Special Handling | Z | No special handling required. |
| Special Handling Code | 9 | unknonwn |
| HAZMAT | ||
| Type of Cargo | Z | No special type of cargo code applicable |
Management | NSN 5330-01-468-0490
| Category | Code | Description |
|---|---|---|
| Materiel Category and Inventory Manager | T | Industrial Supplies (DLA/GSA Items) |
| Appropriation and Budget Activity | 2 | Stock Fund Secondary Items |
| Management Inventory Segment | 2 | NONREPARABLE ITEMS (Exclusive of Insurance and Provisioning Items). This code will be used to identify items which are not reparable. |
| Specific Group/Generic Code | 0 | Medical Materiel |
| Weapons Systems/End Item or Homogeneous Group | 00 | DLA/GSA-Managed Items that cannot be identified to a specific Army Weapons Systems/End Item |
| Accounting Requirements Code | X | Expendable item. An item of Army property coded with an ARC of ?X? in the AMDF. Expendable items require no formal accountability after issue from a stock record account. Commercial and fabricated items similar to items coded ?X? in the AMDF are considered expendable items. |
| Source of Supply | SMS | Defense Logistics Agency Enterprise Business Systems |
| Agency | DA | Department of the Army |
| Service Organization | A | U.S. Army |
| Reparability | A | Item requires special handling or condemnation procedures for specific reasons, such as precious metal content, high dollar value, critical material, or hazardous materiel. Refer to appropriate manuals or directives for specific instructions. |
| Acquisition Advice Codes | J | NOT STOCKED, CENTRALLY PROCURED # (NON-STOCKED ITEMS) IMM/Service centrally managed but not stocked item. Procurement will be initiated only after receipt of a requisition. |
| Controlled Item Code | U | UNCLASSIFIED |
| Shelf Life Code | 0 | Nondeteriorative |
| Category | Code | Description |
|---|---|---|
| Cognizance Codes | 9B | Navy-owned stocks of DLA material Naval Inventory Control Point, Mechanicsburg |
| Source of Supply | SMS | Defense Logistics Agency Enterprise Business Systems |
| Agency | DN | Department of the Navy |
| Service Organization | N | U.S. Navy |
| Acquisition Advice Codes | J | NOT STOCKED, CENTRALLY PROCURED # (NON-STOCKED ITEMS) IMM/Service centrally managed but not stocked item. Procurement will be initiated only after receipt of a requisition. |
| Controlled Item Code | U | UNCLASSIFIED |
| Shelf Life Code | 0 | Nondeteriorative |



