NSN 5330-01-491-3431 3050802, 3050802006, 3050802-006
Product Details | GASKET
5330-01-491-3431 A deformable material which prevents the passage of matter through the joint formed when two faces are joined. It may be metallic or nonmetallic, lubricated or impregnated, solid or hollow cross section. It may be made to any predetermined dimension and shape. Excludes flat disks, items made of felt material and items having joints. For round metal and plastic items with an aperture and a solid rectangular cross section, see WASHER, FLAT; SHIM; BEARING, WASHER, THRUST; and SPACER RING. Excludes DISK, VALVE; SEAL, NONMETALLIC ANGLE; SEAL, NONMETALLIC CHANNEL; SEAL, NONMETALLIC SPECIAL SHAPED SECTION; SHIELDING GASKET, ELECTRONIC; and RING, SEALING JAR.
Part Alternates: 3050802, 3050802006, 3050802-006, 5330-01-491-3431, 01-491-3431, 5330014913431, 014913431
Hardware and Abrasives | Packing and Gasket Materials
| Supply Group (FSG) | NSN Assign. | NIIN | Item Name Code (INC) |
|---|---|---|---|
| 53 | 18 OCT 2001 | 01-491-3431 | 04522 ( GASKET ) |
Request a Quote
What Our Customers Say
Compare
Related Products | NSN 5330-01-491-3431
Technical Data | NSN 5330-01-491-3431
| Characteristic | Specifications |
|---|---|
| MATERIAL | RUBBER BUTADIENE-STYRENE CLASS SBR OVERALL |
| MATERIAL DOCUMENT AND CLASSIFICATION | MIL-PRF-1149,TYPE1,CLASS2 MIL SPEC SINGLE MATERIAL RESPONSE OVERALL |
| CROSS-SECTIONAL SHAPE STYLE | F33 SOLID SINGLE OR COMPOSITION NONMETALLIC MATERIAL |
| CROSS-SECTIONAL THICKNESS | 0.0625 INCHES NOMINAL |
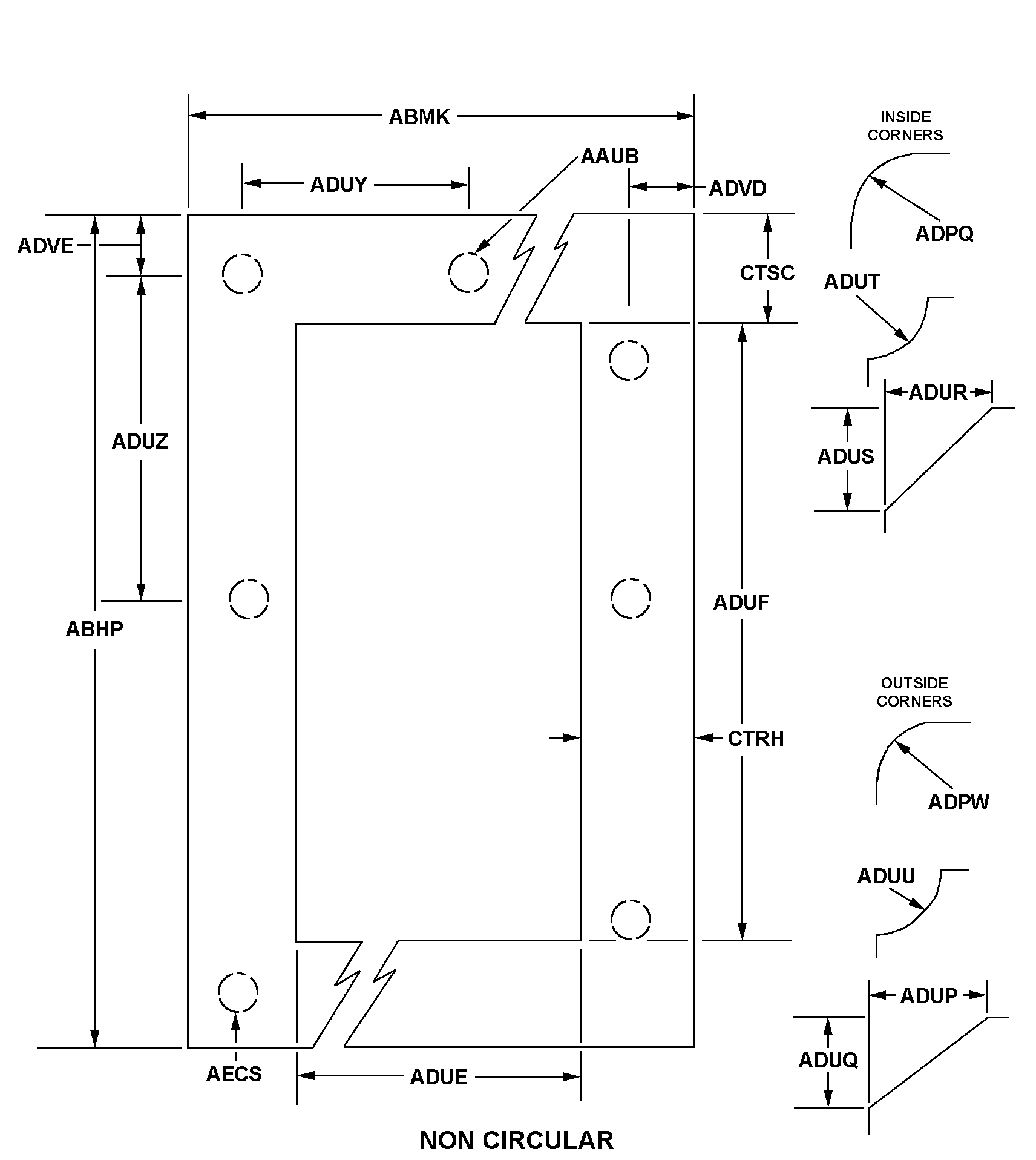
| STYLE DESIGNATOR | B12AH NON-CIRCULAR |
| OVERALL LENGTH | 16.500 INCHES NOMINAL |
| OVERALL WIDTH | 16.250 INCHES NOMINAL |
| INSIDE CORNER RADIUS | 0.130 INCHES MAXIMUM |
| APERTURE WIDTH | 15.000 INCHES NOMINAL |
| APERTURE LENGTH | 15.250 INCHES NOMINAL |
| OUTSIDE CORNER BEVEL LENGTH ALONG WIDTH | 0.250 INCHES NOMINAL |
| OUTSIDE CORNER BEVEL LENGTH ALONG LENGTH | 0.250 INCHES NOMINAL |
| III END ITEM IDENTIFICATION | RADAR THREAT EMITER AN/MST-T1 |
| III PART NAME ASSIGNED BY CONTROLLING AGENCY | GASKET, AIR HANDLER |
Restrictions/Controls & Freight Information | NSN 5330-01-491-3431
| Category | Code | Description |
|---|---|---|
| Shelf-Life Code: | 0 | Nondeteriorative |
| Hazardous Material Indicator Code | P | There is no information in the HMIS; however, the NSN is in an FSC in Table II of Federal Standard 313 and an MSDS may be required by the user. The requirement for an MSDS is dependent on a hazard determination of the supplier or the intended end use of the product |
| Demilitarization Code: | A | Non-Munitions List Item/ Non-Strategic List Item - Demilitarization not required. |
| Controlled Inventory Item Code: | U | UNCLASSIFIED |
| Precious Metals Indicator Code: | A | Item does not contain precious metal |
| Criticality Code: | X | The item does not have a nuclear hardened feature or any other critical feature such as tolerance, fit restriction or application. |
| Category | Code | Description |
|---|---|---|
| NMF Description | 194120 | WASHERS/GASKETS/PCKG DVCS NOI |
| Less than car load rating | ||
| Less than truck load rating | W | Rating Variable |
| Water commodity Code | 596 | unknown |
| Originating Activity Code | KH | Defense Industrial Supply Center Philadelphia, PA 19111 |
| Air Dimension Code | A | Shipment is not a consolidation and does not exceed 72 inches in any dimension. |
| Air Commodity | B | Construction materials: Includes paint and related materials, prefabricated building, wood products, metal and composition materials and their products, commercial hardware and miscellaneous items, cement, asphalt, building maintenance materials. |
| Air Special Handling | Z | No special handling required. |
| Special Handling Code | 9 | unknonwn |
| HAZMAT | ||
| Type of Cargo | Z | No special type of cargo code applicable |
Management | NSN 5330-01-491-3431
| Category | Code | Description |
|---|---|---|
| Budget Code | 9 | General Support DIV57X4921.070:Air Force decentrally managed expense items (ERRC XB3, XF-3) with a unit cost of less than $250,000 that are requisitioned/procured at base (retail) level from DLA, GSA, Army, Navy, Depot Maintenance Service, Air Force Industrial Fund (AFMC), local manufacture and commercial vendors. |
| Materiel Management Aggregation Code | FD | SU:"ELECTRONIC WARFARE EQUIPMENT, NON-AIRBORNE" |
| Price Validation | N | The current standard price in Catalog Management Data (CMD) has not analyzed or coded for LP/LM.
|
| Fund Code | SF | Stock fund applicable to items managed for the Air Force by the respective Inventory Control Point. |
| Source of Supply | SMS | Defense Logistics Agency Enterprise Business Systems |
| Agency | DF | Department of the Air Force |
| Service Organization | F | U.S. Air Force |
| Reparability | N | Stock Fund (except Munitions) |
| Acquisition Advice Codes | J | NOT STOCKED, CENTRALLY PROCURED # (NON-STOCKED ITEMS) IMM/Service centrally managed but not stocked item. Procurement will be initiated only after receipt of a requisition. |
| Controlled Item Code | U | UNCLASSIFIED |
| Shelf Life Code | 0 | Nondeteriorative |



