NSN 5330-01-514-9168 5H120-4462 NON-ASBESTOS, 5H1204462NONASBESTOS, 01-514-9168
Product Details | GASKET
5330-01-514-9168 A deformable material which prevents the passage of matter through the joint formed when two faces are joined. It may be metallic or nonmetallic, lubricated or impregnated, solid or hollow cross section. It may be made to any predetermined dimension and shape. Excludes flat disks, items made of felt material and items having joints. For round metal and plastic items with an aperture and a solid rectangular cross section, see WASHER, FLAT; SHIM; BEARING, WASHER, THRUST; and SPACER RING. Excludes DISK, VALVE; SEAL, NONMETALLIC ANGLE; SEAL, NONMETALLIC CHANNEL; SEAL, NONMETALLIC SPECIAL SHAPED SECTION; SHIELDING GASKET, ELECTRONIC; and RING, SEALING JAR.
Part Alternates: 5H120-4462 NON-ASBESTOS, 5H1204462NONASBESTOS, 5330-01-514-9168, 01-514-9168, 5330015149168, 015149168
Hardware and Abrasives | Packing and Gasket Materials
| Supply Group (FSG) | NSN Assign. | NIIN | Item Name Code (INC) |
|---|---|---|---|
| 53 | 08 NOV 2003 | 01-514-9168 | 04522 ( GASKET ) |
Demand History | NSN 5330-01-514-9168
| Part Number | Request Date | QTY | Origin |
|---|---|---|---|
| 5H120-4462 NON-ASBESTOS | 2019-06-169 | 400 | DIBBS |
| 5330-01-514-9168 | 2018-09-249 | 207 | DIBBS |
| 5330-01-514-9168 | 2018-08-238 | 203 | DIBBS |
| 5330-01-514-9168 | 2017-08-225 | 166 | DIBBS |
| 5330-01-514-9168 | 2015-01-14 | 439 | DIBBS |
| 5330-01-514-9168 | 2011-10-290 | 274 | DIBBS |
| 5330-01-514-9168 | 2010-06-160 | 392 | DIBBS |
Cross Reference | NSN 5330-01-514-9168
| Part Number | Cage Code | Manufacturer |
|---|---|---|
| 5H120-4462 NON-ASBESTOS | 10855 | CARRIER CORPORATION DIV CARRIER TRANSICOLD DIVISION |
Request a Quote
What Our Customers Say
Compare
Related Products | NSN 5330-01-514-9168
Technical Data | NSN 5330-01-514-9168
| Characteristic | Specifications |
|---|---|
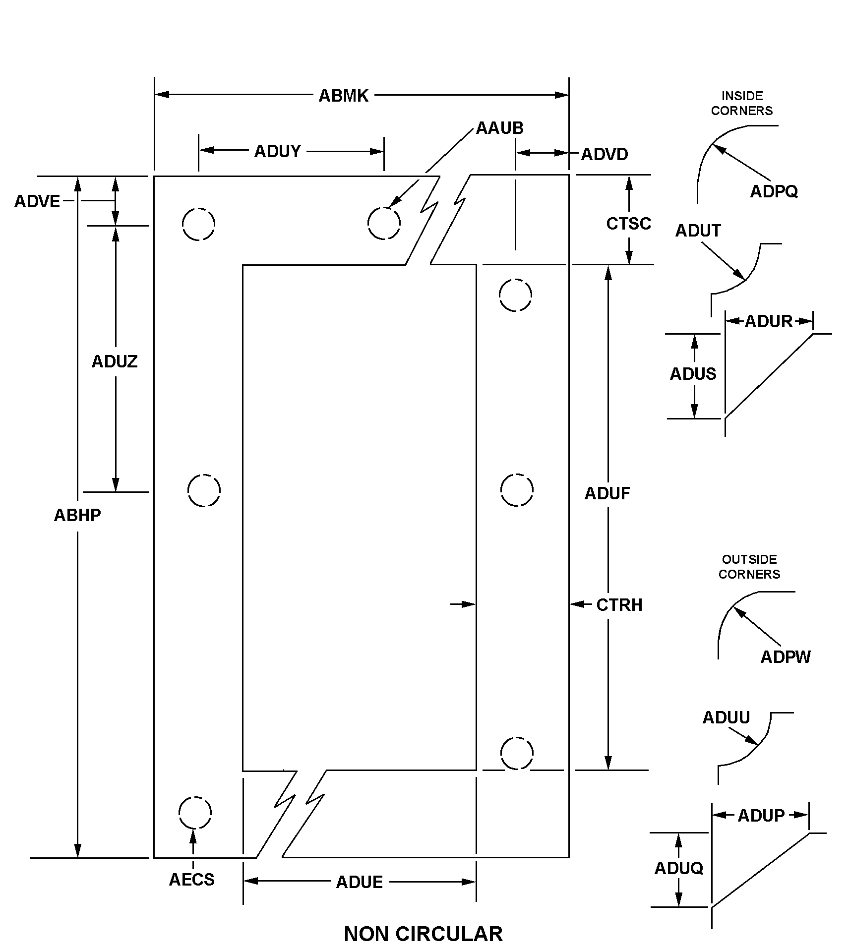
| CROSS-SECTIONAL SHAPE STYLE | F33 SOLID SINGLE OR COMPOSITION NONMETALLIC MATERIAL |
| CROSS-SECTIONAL THICKNESS | 0.031 INCHES NOMINAL |
| STYLE DESIGNATOR | B12K NON-CIRCULAR |
| HOLE DIAMETER | 0.656 INCHES NOMINAL |
| OVERALL LENGTH | 4.250 INCHES NOMINAL |
| OVERALL WIDTH | 4.250 INCHES NOMINAL |
| OUTSIDE CORNER RADIUS | 0.625 INCHES NOMINAL |
| APERTURE WIDTH | 3.375 INCHES NOMINAL |
| APERTURE LENGTH | 3.375 INCHES NOMINAL |
| INSIDE CORNER INVERTED RADIUS | 0.531 INCHES NOMINAL |
| CENTER TO CENTER DISTANCE BETWEEN BOLT HOLES ALONG WIDTH | 3.000 INCHES NOMINAL |
| CENTER TO CENTER DISTANCE BETWEEN BOLT HOLES ALONG LENGTH | 3.000 INCHES NOMINAL |
| OUTSIDE EDGE TO BOLT HOLE CENTER DISTANCE ALONG WIDTH | 0.625 INCHES NOMINAL |
| OUTSIDE EDGE TO BOLT HOLE CENTER DISTANCE ALONG LENGTH | 0.625 INCHES NOMINAL |
| BOLT HOLE QUANTITY | 4 |
| SPECIAL FEATURES | CONTAINS NON-ASBESTOS MATERIALS |
| ENVIRONMENTAL ATTRIBUTE CODE | ASBESTOS ALTERNATIVE PRODUCTS |
Restrictions/Controls & Freight Information | NSN 5330-01-514-9168
| Category | Code | Description |
|---|---|---|
| Shelf-Life Code: | 0 | Nondeteriorative |
| Hazardous Material Indicator Code | P | There is no information in the HMIS; however, the NSN is in an FSC in Table II of Federal Standard 313 and an MSDS may be required by the user. The requirement for an MSDS is dependent on a hazard determination of the supplier or the intended end use of the product |
| Demilitarization Code: | A | Non-Munitions List Item/ Non-Strategic List Item - Demilitarization not required. |
| Controlled Inventory Item Code: | U | UNCLASSIFIED |
| Precious Metals Indicator Code: | A | Item does not contain precious metal |
| Criticality Code: | X | The item does not have a nuclear hardened feature or any other critical feature such as tolerance, fit restriction or application. |
| Environmental Attribute Code: | JG | |
| Automatic Data Processing Equipment: | 0 | Represents items with no ADP components. NOTE: Codes 1 through 6 are only to be used when the item is Automatic Data Processing Equipment (ADPE) in its entirety and is limited to the type meeting only one of the definitions for codes 1 through 6. (See code 9) |
| Category | Code | Description |
|---|---|---|
| NMF Description | 194050 | GASKETS/RINGS PLUMBING FIXTURES |
| Less than car load rating | ||
| Less than truck load rating | Q | 70.0 |
| Water commodity Code | 596 | unknown |
| Originating Activity Code | KZ | Defense Supply Center Philadelphia Philadelphia, PA 19101 |
| Air Dimension Code | A | Shipment is not a consolidation and does not exceed 72 inches in any dimension. |
| Air Commodity | B | Construction materials: Includes paint and related materials, prefabricated building, wood products, metal and composition materials and their products, commercial hardware and miscellaneous items, cement, asphalt, building maintenance materials. |
| Air Special Handling | Z | No special handling required. |
| Special Handling Code | 9 | unknonwn |
| HAZMAT | ||
| Type of Cargo | Z | No special type of cargo code applicable |
Management | NSN 5330-01-514-9168
| Category | Code | Description |
|---|---|---|
| Budget Code | 9 | General Support DIV57X4921.070:Air Force decentrally managed expense items (ERRC XB3, XF-3) with a unit cost of less than $250,000 that are requisitioned/procured at base (retail) level from DLA, GSA, Army, Navy, Depot Maintenance Service, Air Force Industrial Fund (AFMC), local manufacture and commercial vendors. |
| Price Validation | N | The current standard price in Catalog Management Data (CMD) has not analyzed or coded for LP/LM.
|
| Fund Code | SF | Stock fund applicable to items managed for the Air Force by the respective Inventory Control Point. |
| Source of Supply | SMS | Defense Logistics Agency Enterprise Business Systems |
| Agency | DF | Department of the Air Force |
| Service Organization | F | U.S. Air Force |
| Reparability | N | Stock Fund (except Munitions) |
| Acquisition Advice Codes | D | DoD INTEGRATED MATERIEL-MANAGED, STOCKED, AND ISSUED # Issue, transfer, or shipment is not subject to specialized controls other than those imposed by the Integrated Materiel Manager/Service supply policy. 1. The item is centrally managed, stocked, and issued. 2. Requisitions must contain the fund citation required to acquire the item. Requisitions will be submitted in accordance with Integrated Materiel Manager(IMM)/Service requisitioning procedures. |
| Controlled Item Code | U | UNCLASSIFIED |
| Shelf Life Code | 0 | Nondeteriorative |
| Purchasing | QTY UOM |
H EA : Each |
| Category | Code | Description |
|---|---|---|
| Cognizance Codes | 9B | Navy-owned stocks of DLA material Naval Inventory Control Point, Mechanicsburg |
| Source of Supply | SMS | Defense Logistics Agency Enterprise Business Systems |
| Agency | DN | Department of the Navy |
| Service Organization | N | U.S. Navy |
| Acquisition Advice Codes | D | DoD INTEGRATED MATERIEL-MANAGED, STOCKED, AND ISSUED # Issue, transfer, or shipment is not subject to specialized controls other than those imposed by the Integrated Materiel Manager/Service supply policy. 1. The item is centrally managed, stocked, and issued. 2. Requisitions must contain the fund citation required to acquire the item. Requisitions will be submitted in accordance with Integrated Materiel Manager(IMM)/Service requisitioning procedures. |
| Controlled Item Code | U | UNCLASSIFIED |
| Shelf Life Code | 0 | Nondeteriorative |
| Purchasing | QTY UOM |
H EA : Each |



