NSN 5330-01-532-6598 0009931381, 000993-138-1, 01-532-6598
Product Details | GASKET
5330-01-532-6598 A deformable material which prevents the passage of matter through the joint formed when two faces are joined. It may be metallic or nonmetallic, lubricated or impregnated, solid or hollow cross section. It may be made to any predetermined dimension and shape. Excludes flat disks, items made of felt material and items having joints. For round metal and plastic items with an aperture and a solid rectangular cross section, see WASHER, FLAT; SHIM; BEARING, WASHER, THRUST; and SPACER RING. Excludes DISK, VALVE; SEAL, NONMETALLIC ANGLE; SEAL, NONMETALLIC CHANNEL; SEAL, NONMETALLIC SPECIAL SHAPED SECTION; SHIELDING GASKET, ELECTRONIC; and RING, SEALING JAR.
Part Alternates: 0009931381, 000993-138-1, 5330-01-532-6598, 01-532-6598, 5330015326598, 015326598
Hardware and Abrasives | Packing and Gasket Materials
| Supply Group (FSG) | NSN Assign. | NIIN | Item Name Code (INC) |
|---|---|---|---|
| 53 | 16 AUG 2005 | 01-532-6598 | 04522 ( GASKET ) |
Demand History | NSN 5330-01-532-6598
| Part Number | Request Date | QTY | Origin |
|---|---|---|---|
| 5330-01-532-6598 | 2025-12-348 | 42 | DIBBS |
| 5330-01-532-6598 | 2021-02-38 | 27 | DIBBS |
| 5330-01-532-6598 | 2018-02-36 | 6 | DIBBS |
| 5330-01-532-6598 | 2016-03-81 | 6 | DIBBS |
| 5330-01-532-6598 | 2013-09-266 | 8 | DIBBS |
| 5330-01-532-6598 | 2013-09-248 | 8 | DIBBS |
Cross Reference | NSN 5330-01-532-6598
| Part Number | Cage Code | Manufacturer |
|---|---|---|
| 000993-138-1 | 98752 | WARNER ROBINS AIR LOGISTICS CENTER |
Request a Quote
What Our Customers Say
Compare
Related Products | NSN 5330-01-532-6598
Technical Data | NSN 5330-01-532-6598
| Characteristic | Specifications |
|---|---|
| MATERIAL | ADHESIVE OVERALL |
| MATERIAL DOCUMENT AND CLASSIFICATION | MIL-R-3065 MIL SPEC SINGLE MATERIAL RESPONSE OVERALL |
| SURFACE TREATMENT DOCUMENT AND CLASSIFICATION | ASTMD 2000, TYPE BC ASSN STD SINGLE TREATMENT RESPONSE BOTH SIDES |
| CROSS-SECTIONAL SHAPE STYLE | F33 SOLID SINGLE OR COMPOSITION NONMETALLIC MATERIAL |
| CROSS-SECTIONAL THICKNESS | 0.062 INCHES NOMINAL |
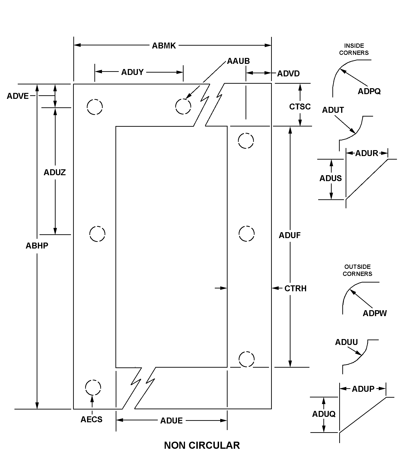
| STYLE DESIGNATOR | B12R NON-CIRCULAR |
| HOLE DIAMETER | 0.280 INCHES NOMINAL |
| OVERALL LENGTH | 11.000 INCHES NOMINAL |
| OVERALL WIDTH | 5.250 INCHES NOMINAL |
| APERTURE WIDTH | 4.250 INCHES NOMINAL |
| APERTURE LENGTH | 10.000 INCHES NOMINAL |
| BOLT HOLE QUANTITY | 12 |
| III END ITEM IDENTIFICATION | TRUCK, LIFT, AERIAL STORES |
| III PART NAME ASSIGNED BY CONTROLLING AGENCY | GASKET |
Restrictions/Controls & Freight Information | NSN 5330-01-532-6598
| Category | Code | Description |
|---|---|---|
| Shelf-Life Code: | S | 60 months |
| Hazardous Material Indicator Code | P | There is no information in the HMIS; however, the NSN is in an FSC in Table II of Federal Standard 313 and an MSDS may be required by the user. The requirement for an MSDS is dependent on a hazard determination of the supplier or the intended end use of the product |
| Demilitarization Code: | A | Non-Munitions List Item/ Non-Strategic List Item - Demilitarization not required. |
| Controlled Inventory Item Code: | U | UNCLASSIFIED |
| Electro-static Discharge Susceptible: | A | No known Electrostatic Discharge (ESD) or Electromagnetic Interference (EMI) sensitivity |
| Precious Metals Indicator Code: | A | Item does not contain precious metal |
| Criticality Code: | X | The item does not have a nuclear hardened feature or any other critical feature such as tolerance, fit restriction or application. |
| Automatic Data Processing Equipment: | 0 | Represents items with no ADP components. NOTE: Codes 1 through 6 are only to be used when the item is Automatic Data Processing Equipment (ADPE) in its entirety and is limited to the type meeting only one of the definitions for codes 1 through 6. (See code 9) |
| Category | Code | Description |
|---|---|---|
| NMF Description | 194120 | WASHERS/GASKETS/PCKG DVCS NOI |
| Less than car load rating | ||
| Less than truck load rating | W | Rating Variable |
| Water commodity Code | 596 | unknown |
| Originating Activity Code | KH | Defense Industrial Supply Center Philadelphia, PA 19111 |
| Air Dimension Code | A | Shipment is not a consolidation and does not exceed 72 inches in any dimension. |
| Air Commodity | B | Construction materials: Includes paint and related materials, prefabricated building, wood products, metal and composition materials and their products, commercial hardware and miscellaneous items, cement, asphalt, building maintenance materials. |
| Air Special Handling | Z | No special handling required. |
| Special Handling Code | 9 | unknonwn |
| HAZMAT | ||
| Type of Cargo | Z | No special type of cargo code applicable |
Management | NSN 5330-01-532-6598
| Category | Code | Description |
|---|---|---|
| Budget Code | 9 | General Support DIV57X4921.070:Air Force decentrally managed expense items (ERRC XB3, XF-3) with a unit cost of less than $250,000 that are requisitioned/procured at base (retail) level from DLA, GSA, Army, Navy, Depot Maintenance Service, Air Force Industrial Fund (AFMC), local manufacture and commercial vendors. |
| Price Validation | N | The current standard price in Catalog Management Data (CMD) has not analyzed or coded for LP/LM.
|
| Fund Code | SF | Stock fund applicable to items managed for the Air Force by the respective Inventory Control Point. |
| Source of Supply | SMS | Defense Logistics Agency Enterprise Business Systems |
| Agency | DF | Department of the Air Force |
| Service Organization | F | U.S. Air Force |
| Reparability | N | Stock Fund (except Munitions) |
| Acquisition Advice Codes | Z | INSURANCE/NUMERIC STOCKAGE OBJECTIVE ITEM # Items which may be required occasionally or intermittently, and prudence requires that a nominal quantity of materiel be stocked due to the essentiality or the lead time of the item. 1. The item is centrally managed, stocked, and issued. 2. Requisitions will be submitted in accordance with IMM/Service requisitioning procedures. |
| Controlled Item Code | U | UNCLASSIFIED |
| Shelf Life Code | S | 60 months |
| Purchasing | QTY UOM |
1 EA : Each |
| Category | Code | Description |
|---|---|---|
| Cognizance Codes | 9B | Navy-owned stocks of DLA material Naval Inventory Control Point, Mechanicsburg |
| Source of Supply | SMS | Defense Logistics Agency Enterprise Business Systems |
| Agency | DN | Department of the Navy |
| Service Organization | N | U.S. Navy |
| Acquisition Advice Codes | Z | INSURANCE/NUMERIC STOCKAGE OBJECTIVE ITEM # Items which may be required occasionally or intermittently, and prudence requires that a nominal quantity of materiel be stocked due to the essentiality or the lead time of the item. 1. The item is centrally managed, stocked, and issued. 2. Requisitions will be submitted in accordance with IMM/Service requisitioning procedures. |
| Controlled Item Code | U | UNCLASSIFIED |
| Shelf Life Code | S | 60 months |
| Purchasing | QTY UOM |
1 EA : Each |



