NSN 5330-01-545-9616 A3263483, 01-545-9616, 015459616
Product Details | GASKET
5330-01-545-9616 A deformable material which prevents the passage of matter through the joint formed when two faces are joined. It may be metallic or nonmetallic, lubricated or impregnated, solid or hollow cross section. It may be made to any predetermined dimension and shape. Excludes flat disks, items made of felt material and items having joints. For round metal and plastic items with an aperture and a solid rectangular cross section, see WASHER, FLAT; SHIM; BEARING, WASHER, THRUST; and SPACER RING. Excludes DISK, VALVE; SEAL, NONMETALLIC ANGLE; SEAL, NONMETALLIC CHANNEL; SEAL, NONMETALLIC SPECIAL SHAPED SECTION; SHIELDING GASKET, ELECTRONIC; and RING, SEALING JAR.
Part Alternates: A3263483, 5330-01-545-9616, 01-545-9616, 5330015459616, 015459616
Hardware and Abrasives | Packing and Gasket Materials
| Supply Group (FSG) | NSN Assign. | NIIN | Item Name Code (INC) |
|---|---|---|---|
| 53 | 30 NOV 2006 | 01-545-9616 | 04522 ( GASKET ) |
Cross Reference | NSN 5330-01-545-9616
| Part Number | Cage Code | Manufacturer |
|---|---|---|
| A3263483 | 80063 | US ARMY COMMUNICATIONS & ELECTRONICS MATERIEL READINESS |
Request a Quote
What Our Customers Say
Compare
Related Products | NSN 5330-01-545-9616
Technical Data | NSN 5330-01-545-9616
| Characteristic | Specifications |
|---|---|
| MATERIAL | RUBBER SILICONE CLASS Q OVERALL |
| MATERIAL DOCUMENT AND CLASSIFICATION | MIL-R-6130 TYPE 2, GRADE B OR C, CONDITION MEDIUM OR SOFT MIL SPEC SINGLE MATERIAL RESPONSE OVERALL |
| CROSS-SECTIONAL SHAPE STYLE | F33 SOLID SINGLE OR COMPOSITION NONMETALLIC MATERIAL |
| CROSS-SECTIONAL THICKNESS | 0.062 INCHES NOMINAL |
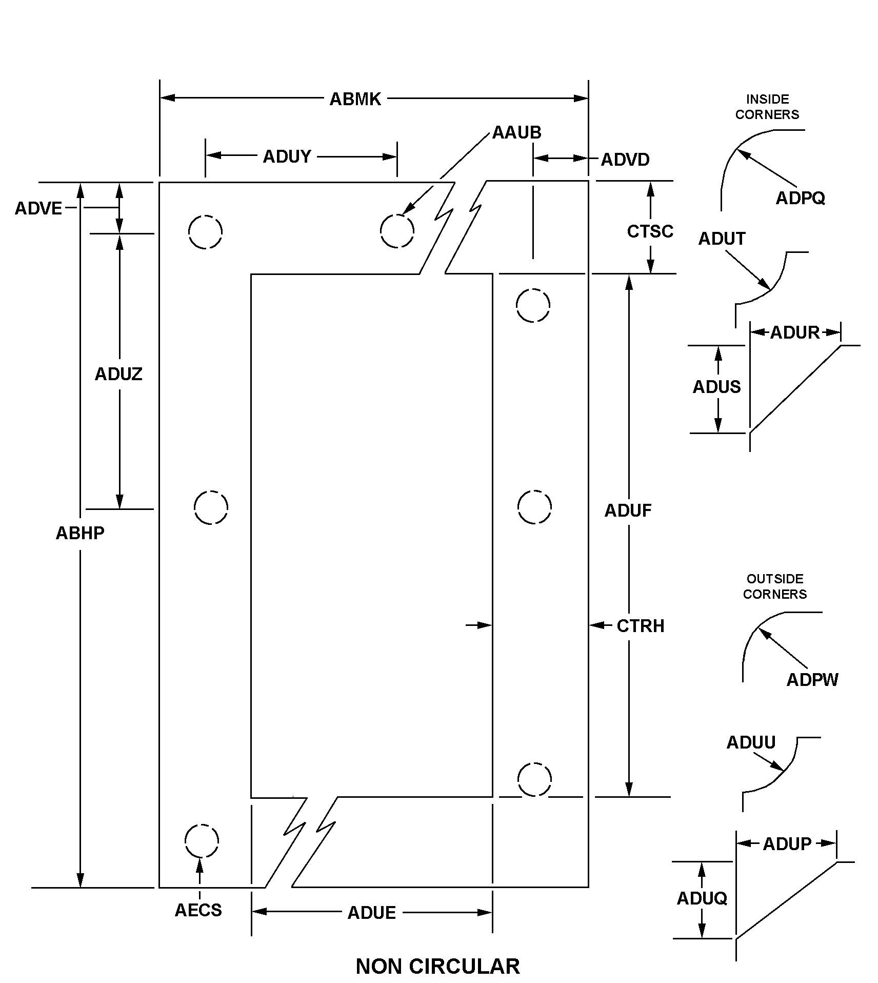
| STYLE DESIGNATOR | B12AM NON-CIRCULAR |
| OVERALL LENGTH | 2.650 INCHES NOMINAL |
| OVERALL WIDTH | 0.550 INCHES NOMINAL |
| APERTURE WIDTH | 0.400 INCHES NOMINAL |
| APERTURE LENGTH | 2.100 INCHES NOMINAL |
| OUTSIDE CORNER BEVEL LENGTH ALONG WIDTH | 0.080 INCHES NOMINAL |
| OUTSIDE CORNER BEVEL LENGTH ALONG LENGTH | 0.080 INCHES NOMINAL |
| INSIDE CORNER INVERTED RADIUS | 0.120 INCHES NOMINAL |
| OUTSIDE EDGE TO INSIDE EDGE SMALLEST DISTANCE ALONG WIDTH | 0.275 INCHES NOMINAL |
| OUTSIDE EDGE TO INSIDE EDGE SMALLEST DISTANCE ALONG LENGTH | 0.075 INCHES NOMINAL |
| MANUFACTURERS CODE | 80063 |
| DESIGN CONTROL REFERENCE | A3263483 |
Restrictions/Controls & Freight Information | NSN 5330-01-545-9616
| Category | Code | Description |
|---|---|---|
| Shelf-Life Code: | 0 | Nondeteriorative |
| Hazardous Material Indicator Code | P | There is no information in the HMIS; however, the NSN is in an FSC in Table II of Federal Standard 313 and an MSDS may be required by the user. The requirement for an MSDS is dependent on a hazard determination of the supplier or the intended end use of the product |
| Demilitarization Code: | A | Non-Munitions List Item/ Non-Strategic List Item - Demilitarization not required. |
| Controlled Inventory Item Code: | U | UNCLASSIFIED |
| Electro-static Discharge Susceptible: | A | No known Electrostatic Discharge (ESD) or Electromagnetic Interference (EMI) sensitivity |
| Precious Metals Indicator Code: | A | Item does not contain precious metal |
| Criticality Code: | X | The item does not have a nuclear hardened feature or any other critical feature such as tolerance, fit restriction or application. |
| Automatic Data Processing Equipment: | 0 | Represents items with no ADP components. NOTE: Codes 1 through 6 are only to be used when the item is Automatic Data Processing Equipment (ADPE) in its entirety and is limited to the type meeting only one of the definitions for codes 1 through 6. (See code 9) |
| Category | Code | Description |
|---|---|---|
| NMF Description | 194120 | WASHERS/GASKETS/PCKG DVCS NOI |
| Less than car load rating | ||
| Less than truck load rating | W | Rating Variable |
| Water commodity Code | 596 | unknown |
| Originating Activity Code | KE | Naval ICP Philadelphia, PA 19111 |
| Air Dimension Code | A | Shipment is not a consolidation and does not exceed 72 inches in any dimension. |
| Air Commodity | B | Construction materials: Includes paint and related materials, prefabricated building, wood products, metal and composition materials and their products, commercial hardware and miscellaneous items, cement, asphalt, building maintenance materials. |
| Air Special Handling | Z | No special handling required. |
| Special Handling Code | 9 | unknonwn |
| HAZMAT | ||
| Type of Cargo | Z | No special type of cargo code applicable |
Management | NSN 5330-01-545-9616
| Category | Code | Description |
|---|---|---|
| Cognizance Codes | 9B | Navy-owned stocks of DLA material Naval Inventory Control Point, Mechanicsburg |
| Source of Supply | SMS | Defense Logistics Agency Enterprise Business Systems |
| Agency | DN | Department of the Navy |
| Service Organization | N | U.S. Navy |
| Acquisition Advice Codes | Z | INSURANCE/NUMERIC STOCKAGE OBJECTIVE ITEM # Items which may be required occasionally or intermittently, and prudence requires that a nominal quantity of materiel be stocked due to the essentiality or the lead time of the item. 1. The item is centrally managed, stocked, and issued. 2. Requisitions will be submitted in accordance with IMM/Service requisitioning procedures. |
| Controlled Item Code | U | UNCLASSIFIED |
| Shelf Life Code | 0 | Nondeteriorative |



