NSN 5340-00-888-4593 56C23615, 56C236157, 56C23615-7
Product Details | DOUBLE ANGLE BRACKET
5340-00-888-4593 A rigid item usually fabricated from flat material, forming two alternate or two adjacent interior angles, both which are less than 180 degrees (3.141 radians). It is designed to position, align, and/or support an item. It may be reinforced. See also BRACKET, ANGLE and BRACKET (1), MOUNTING.202534000005342000000
Part Alternates: 56C23615, 56C236157, 56C23615-7, 5340-00-888-4593, 00-888-4593, 5340008884593, 008884593
Hardware and Abrasives | Hardware, Commercial
| Supply Group (FSG) | NSN Assign. | NIIN | Item Name Code (INC) |
|---|---|---|---|
| 53 | 01 JAN 1960 | 00-888-4593 | 20354 ( BRACKET, DOUBLE ANGLE ) |
Request a Quote
What Our Customers Say
Compare
NSNs for Compare ( up to 4 ): Add 5340-00-888-4593
Related Products | NSN 5340-00-888-4593
Technical Data | NSN 5340-00-888-4593
| Characteristic | Specifications |
|---|---|
| MATERIAL | STEEL |
| MATERIAL DOCUMENT AND CLASSIFICATION | QQ-S-698 FED SPEC SINGLE MATERIAL RESPONSE OR AISI ASSN STD SINGLE MATERIAL RESPONSE |
| SURFACE TREATMENT | PAINT |
| SURFACE TREATMENT DOCUMENT AND CLASSIFICATION | USAE SPEC. BUL. F-49-4,COLOR 1310 MFR REF SINGLE TREATMENT RESPONSE |
| STYLE DESIGNATOR | 13 ADJACENT ANGLES |
| III FIRST LEG LENGTH | 5.203 INCHES NOMINAL |
| III SECOND LEG LENGTH | 5.203 INCHES NOMINAL |
| III FIRST LEG THICKNESS | 0.0781 INCHES NOMINAL |
| III SECOND LEG THICKNESS | 0.0871 INCHES NOMINAL |
| III CENTER SECTION HEIGHT | 10.718 INCHES NOMINAL |
| III CENTER SECTION THICKNESS | 0.0781 INCHES NOMINAL |
| III FIRST LEG ANGLE | 90.0 DEGREES NOMINAL |
| III SECOND LEG ANGLE | 90.0 DEGREES NOMINAL |
| FIRST LEG STYLE | 104 SQUARE |
| FIRST LEG WIDTH | 0.906 INCHES NOMINAL |
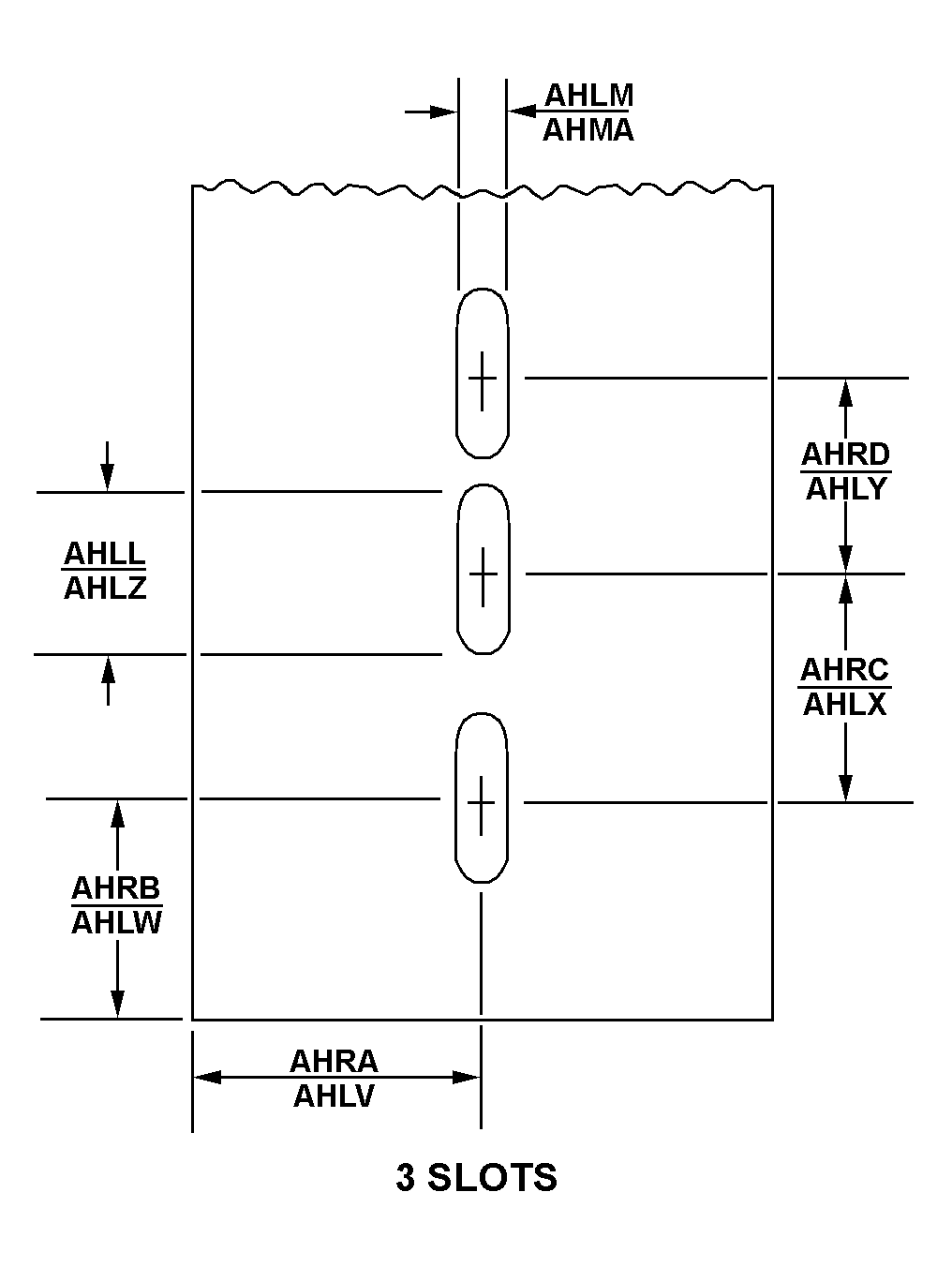
| FIRST LEG HOLE ARRANGEMENT STYLE | 209 3 SLOTS |
| FIRST LEG DISTANCE FROM EDGE TO HOLE CENTER ALONG WIDTH | 0.454 INCHES NOMINAL |
| FIRST LEG DISTANCE FROM EDGE TO HOLE CENTER ALONG LENGTH | 0.563 INCHES NOMINAL |
| FIRST LEG DISTANCE BETWEEN FIRST AND SECOND HOLE CENTERS ALONG LENGTH | 2.500 INCHES NOMINAL |
| FIRST LEG DISTANCE BETWEEN SECOND AND THIRD HOLE CENTERS ALONG LENGTH | 1.625 INCHES NOMINAL |
| FIRST LEG SLOT LENGTH | 0.438 INCHES NOMINAL |
| FIRST LEG SLOT WIDTH | 0.219 INCHES NOMINAL |
| SECOND LEG RELATIONSHIP TO FIRST LEG | IDENTICAL |
| MOUNTING HOLE TYPE | PLAIN |
| REINFORCEMENT METHOD | GUSSET CENTER SECTION |
Restrictions/Controls & Freight Information | NSN 5340-00-888-4593
| Category | Code | Description |
|---|---|---|
| Shelf-Life Code: | 0 | Nondeteriorative |
| Hazardous Material Indicator Code | P | There is no information in the HMIS; however, the NSN is in an FSC in Table II of Federal Standard 313 and an MSDS may be required by the user. The requirement for an MSDS is dependent on a hazard determination of the supplier or the intended end use of the product |
| Demilitarization Code: | A | Non-Munitions List Item/ Non-Strategic List Item - Demilitarization not required. |
| Controlled Inventory Item Code: | U | UNCLASSIFIED |
| Precious Metals Indicator Code: | U | Precious metal type is unknown |
| Criticality Code: | X | The item does not have a nuclear hardened feature or any other critical feature such as tolerance, fit restriction or application. |
| Category | Code | Description |
|---|---|---|
| NMF Description | 095190 | HARDWARE, NOI SUB 9 |
| Less than car load rating | ||
| Less than truck load rating | Q | 70.0 |
| Water commodity Code | 713 | unknown |
| Originating Activity Code | XX | |
| Air Dimension Code | A | Shipment is not a consolidation and does not exceed 72 inches in any dimension. |
| Air Commodity | B | Construction materials: Includes paint and related materials, prefabricated building, wood products, metal and composition materials and their products, commercial hardware and miscellaneous items, cement, asphalt, building maintenance materials. |
| Air Special Handling | Z | No special handling required. |
| Special Handling Code | 9 | unknonwn |
| HAZMAT | ||
| Type of Cargo | Z | No special type of cargo code applicable |
Management | NSN 5340-00-888-4593
| Category | Code | Description |
|---|---|---|
| Budget Code | 9 | General Support DIV57X4921.070:Air Force decentrally managed expense items (ERRC XB3, XF-3) with a unit cost of less than $250,000 that are requisitioned/procured at base (retail) level from DLA, GSA, Army, Navy, Depot Maintenance Service, Air Force Industrial Fund (AFMC), local manufacture and commercial vendors. |
| Fund Code | SF | Stock fund applicable to items managed for the Air Force by the respective Inventory Control Point. |
| Materiel Management Aggregation Code | SX | SX:AF SICA RESIDUAL MMAC-OC-ALC |
| Price Validation | V | The current standard price has been validated.
|
| Source of Supply | SMS | Defense Logistics Agency Enterprise Business Systems |
| Agency | DF | Department of the Air Force |
| Service Organization | F | U.S. Air Force |
| Reparability | N | Stock Fund (except Munitions) |
| Acquisition Advice Codes | J | NOT STOCKED, CENTRALLY PROCURED # (NON-STOCKED ITEMS) IMM/Service centrally managed but not stocked item. Procurement will be initiated only after receipt of a requisition. |
| Controlled Item Code | U | UNCLASSIFIED |
| Shelf Life Code | 0 | Nondeteriorative |
| Purchasing | QTY UOM |
1 EA : Each |



