NSN 5340-00-953-8511 99512, 995-1-2, 00-953-8511
Product Details | T PLATE
5340-00-953-8511 A flat, T-shaped plate used to join two pieces of material at a flush butt joint by means of screws, bolts and the like and so designed as to eliminate lateral movement.
Part Alternates: 99512, 995-1-2, 5340-00-953-8511, 00-953-8511, 5340009538511, 009538511
Hardware and Abrasives | Hardware, Commercial
| Supply Group (FSG) | NSN Assign. | NIIN | Item Name Code (INC) |
|---|---|---|---|
| 53 | 01 JAN 1962 | 00-953-8511 | 06636 ( PLATE, T ) |
Cross Reference | NSN 5340-00-953-8511
| Part Number | Cage Code | Manufacturer |
|---|---|---|
| 995-1-2 | 57068 | STANLEY WORKS THE |
Request a Quote
What Our Customers Say
Compare
NSNs for Compare ( up to 4 ): Add 5340-00-953-8511
Related Products | NSN 5340-00-953-8511
Technical Data | NSN 5340-00-953-8511
| Characteristic | Specifications |
|---|---|
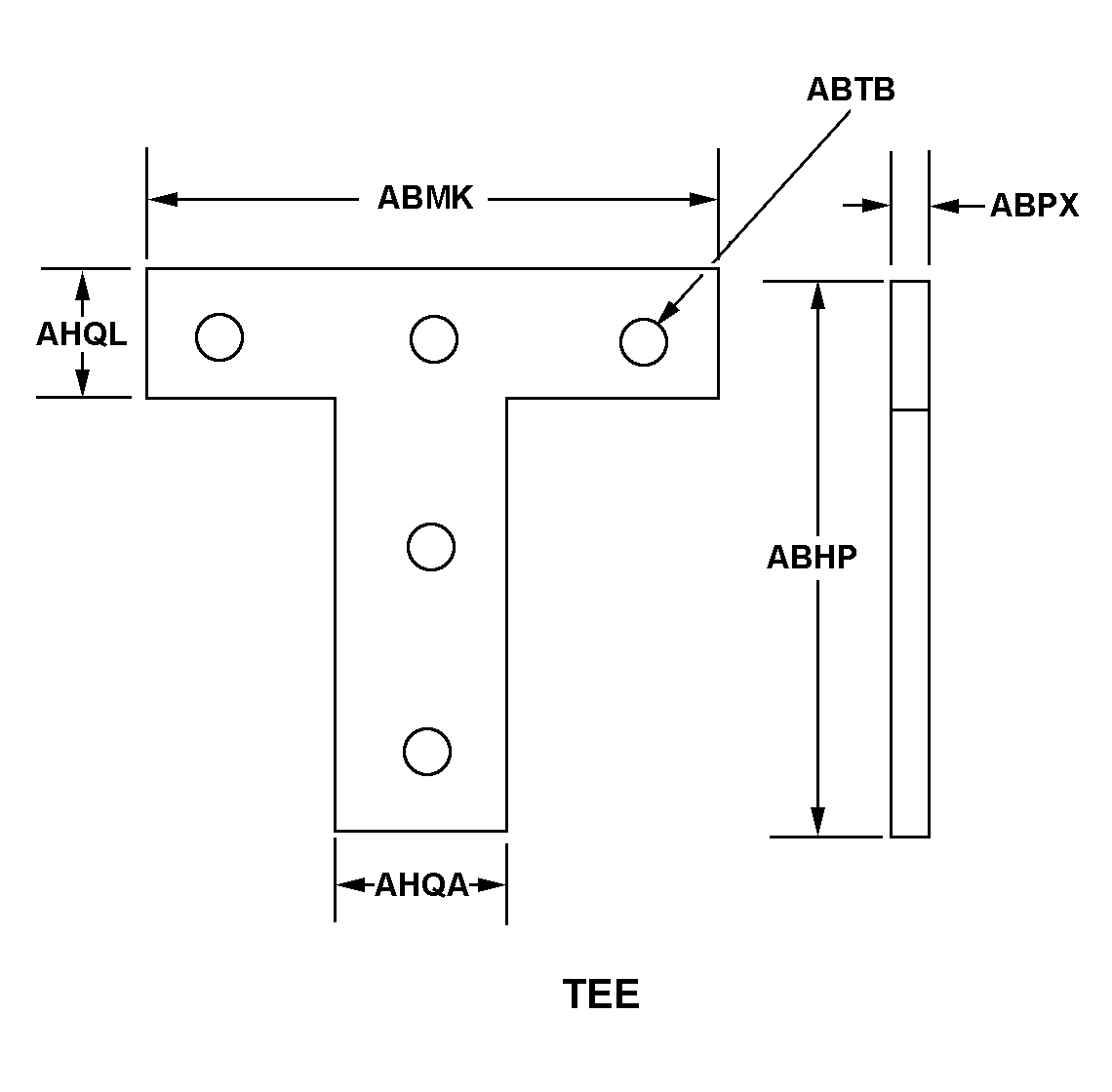
| MATERIAL | STEEL |
| STYLE DESIGNATOR | 85 TEE |
| III OVERALL WIDTH | 2.500 INCHES NOMINAL |
| III MATERIAL THICKNESS | 0.078 INCHES NOMINAL |
| III CENTER SECTION WIDTH | 0.500 INCHES NOMINAL |
| III TOP SECTION WIDTH | 0.500 INCHES NOMINAL |
Restrictions/Controls & Freight Information | NSN 5340-00-953-8511
| Category | Code | Description |
|---|---|---|
| Hazardous Material Indicator Code | P | There is no information in the HMIS; however, the NSN is in an FSC in Table II of Federal Standard 313 and an MSDS may be required by the user. The requirement for an MSDS is dependent on a hazard determination of the supplier or the intended end use of the product |
| Demilitarization Code: | A | Non-Munitions List Item/ Non-Strategic List Item - Demilitarization not required. |
| Precious Metals Indicator Code: | U | Precious metal type is unknown |
| Criticality Code: | X | The item does not have a nuclear hardened feature or any other critical feature such as tolerance, fit restriction or application. |
| Category | Code | Description |
|---|---|---|
| No Freight Information | ||



