NSN 5935-01-240-8030 204-15937-1, 01-240-8030, 204159371
Product Details | PLUG-IN ELECTRONIC COMPONENTS SOCKET
5935-01-240-8030 An item designed to electrically connect and mechanically position the base of an item having plug-in-type contacts, and to facilitate replacement of the item accommodated. It includes sockets which accommodate the contacts of capacitors, coils, crystals, electron tubes, relays, semiconductor devices and vibrators. Excludes sockets or receptacles designed to accommodate plug-in component circuit boards (printed circuit boards) and electronic modules or sub-assemblies. Also excludes heat-dissipating (not heat-sinks) sockets for mounting "power transistors".
Part Alternates: 204-15937-1, 5935-01-240-8030, 01-240-8030, 5935012408030, 204159371, 012408030
Electrical and Electronic Equipment Components | Connectors, Electrical
| Supply Group (FSG) | NSN Assign. | NIIN | Item Name Code (INC) |
|---|---|---|---|
| 59 | 19 SEP 1986 | 01-240-8030 | 28914 ( SOCKET, PLUG-IN ELECTRONIC COMPONENTS ) |
Demand History | NSN 5935-01-240-8030
| Part Number | Request Date | QTY | Origin |
|---|---|---|---|
| 5935-01-240-8030 | 2024-04-93 | 2 | United States |
Cross Reference | NSN 5935-01-240-8030
| Part Number | Cage Code | Manufacturer |
|---|---|---|
| 204-15937-1 | 81205 | THE BOEING COMPANY DBA BOEING |
Request a Quote
What Our Customers Say
Compare
NSNs for Compare ( up to 4 ): Add 5935-01-240-8030
Related Products | NSN 5935-01-240-8030
Technical Data | NSN 5935-01-240-8030
| Characteristic | Specifications |
|---|---|
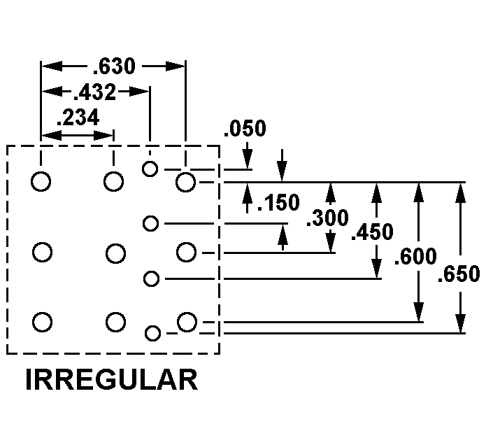
| CONTACT POSITION ARRANGEMENT STYLE | 1306A IRREGULAR |
| ACCOMMODATED CONTACT QUANTITY | 11 |
| CONTACT MAXIMUM CURRENT RATING IN AMPS | NOT RATED |
| CONTACT MATERIAL | COPPER ALLOY |
| CONTACT SURFACE TREATMENT | GOLD |
| BODY STYLE | 53B TOP MOUNT W/STUDS |
| OVERALL LENGTH | 1.710 INCHES NOMINAL |
| OVERALL HEIGHT | 1.070 INCHES NOMINAL |
| OVERALL WIDTH | 1.000 INCHES NOMINAL |
| BODY MATERIAL | PLASTIC |
| TERMINAL TYPE AND QUANTITY | 11 CRIMP |
| MOUNTING TYPE FOR WHICH DESIGNED | CHASSIS |
| MOUNTING METHOD | THREADED STUD |
| III PRECIOUS MATERIAL | GOLD |
| III PRECIOUS MATERIAL AND LOCATION | CONTACT SURFACES GOLD |
Restrictions/Controls & Freight Information | NSN 5935-01-240-8030
| Category | Code | Description |
|---|---|---|
| Hazardous Material Indicator Code | P | There is no information in the HMIS; however, the NSN is in an FSC in Table II of Federal Standard 313 and an MSDS may be required by the user. The requirement for an MSDS is dependent on a hazard determination of the supplier or the intended end use of the product |
| Demilitarization Code: | B | Munitions List Item - Mutilation (MUT) to the point of scrap required. (Formerly: Demilitarization not required. Trade Security Controls (TSCs) required at disposition.) |
| Precious Metals Indicator Code: | G | Item contains gold |
| Criticality Code: | X | The item does not have a nuclear hardened feature or any other critical feature such as tolerance, fit restriction or application. |
| Category | Code | Description |
|---|---|---|
| NMF Description | 061680 | ELEC WIRING PLUGS ETC SUB2 |
| Less than car load rating | P | 77.5 |
| Less than truck load rating | P | 77.5 |
| Water commodity Code | 72D | unknown |
| Originating Activity Code | 9Z | DLIS-K Battle Creek, MI 49037-3084 |
| Air Dimension Code | A | Shipment is not a consolidation and does not exceed 72 inches in any dimension. |
| Air Commodity | H | Signal Corps supplies and equipment, including radio equipment and supplies, communications equipment and supplies, electrical equipment and supplies, etc. |
| Air Special Handling | Z | No special handling required. |
| Special Handling Code | Z | unknonwn |
| HAZMAT | ||
| Type of Cargo | Z | No special type of cargo code applicable |



