NSN 5999-01-433-7246 658-184-001, 01-433-7246, 658184001
Product Details | ELECTRONIC SHIELDING GASKET
5999-01-433-7246 A shaped metallic item designed to increase the effectiveness of radio frequency/electromagnetic interference, or a nonmetallic item containing a wire mesh, metal, or other electrically conductive particles designed to provide environmental sealing and radio frequency/electromagnetic interference shielding. For bulk items see WIRE MESH, KNITTED or GASKETING MATERIAL, CONDUCTIVE.
Part Alternates: 658-184-001, 5999-01-433-7246, 01-433-7246, 5999014337246, 658184001, 014337246
Electrical and Electronic Equipment Components | Miscellaneous Electrical and Electronic Components
| Supply Group (FSG) | NSN Assign. | NIIN | Item Name Code (INC) |
|---|---|---|---|
| 59 | 10 JUL 1996 | 01-433-7246 | 20281 ( SHIELDING GASKET, ELECTRONIC ) |
Demand History | NSN 5999-01-433-7246
| Part Number | Request Date | QTY | Origin |
|---|---|---|---|
| 5999-01-433-7246 | 2010-12-337 | 14 | DIBBS |
| 5999-01-433-7246 | 2010-02-54 | 6 | DIBBS |
| 5999-01-433-7246 | 2007-02-45 | 3 | DIBBS |
Request a Quote
What Our Customers Say
Compare
NSNs for Compare ( up to 4 ): Add 5999-01-433-7246
Related Products | NSN 5999-01-433-7246
Technical Data | NSN 5999-01-433-7246
| Characteristic | Specifications |
|---|---|
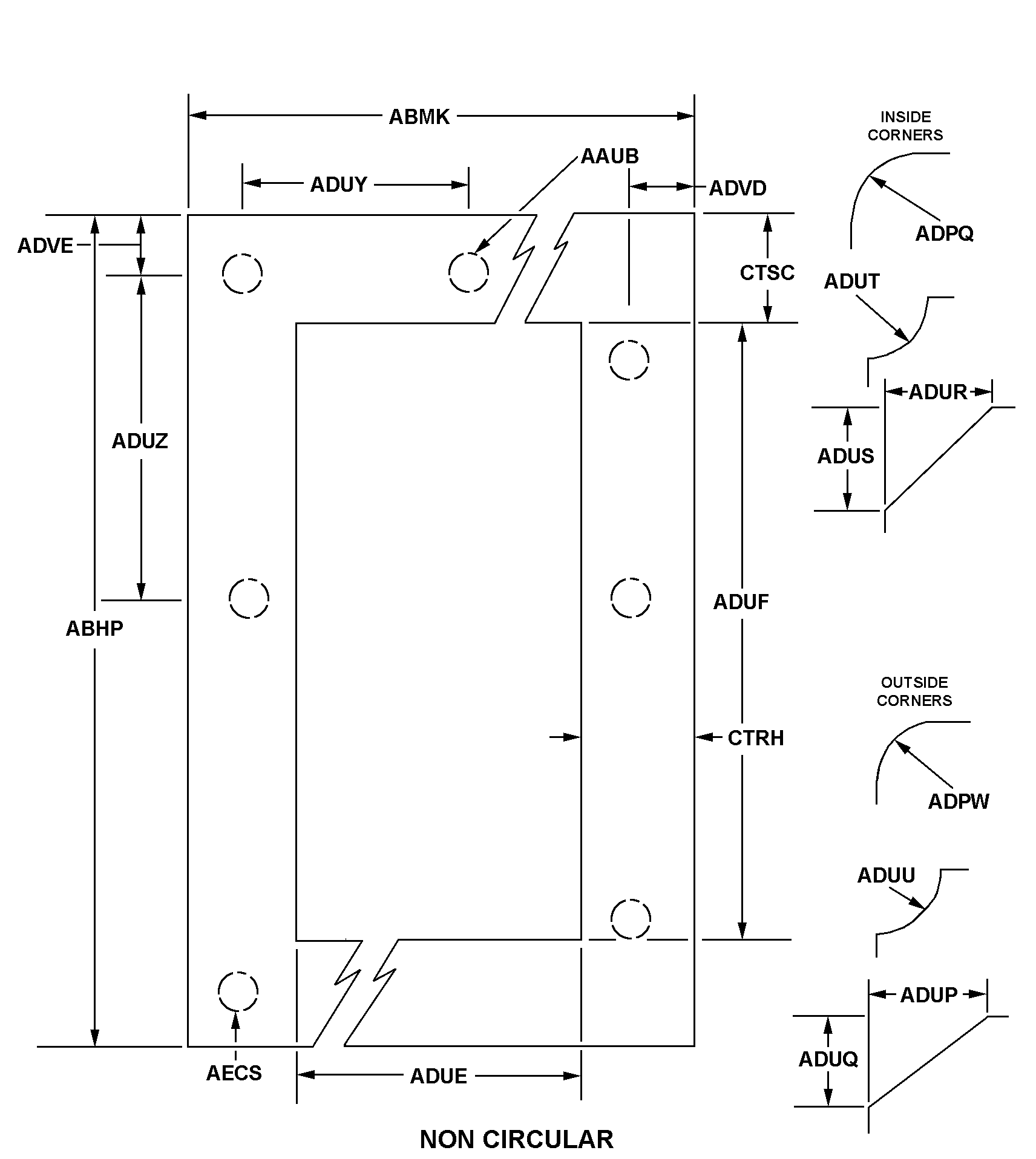
| CROSS-SECTIONAL SHAPE STYLE | F69 EMI |
| CROSS-SECTIONAL HEIGHT | 0.062 INCHES NOMINAL |
| STYLE DESIGNATOR | B12AR NON-CIRCULAR |
| OVERALL LENGTH | 3.510 INCHES NOMINAL |
| OVERALL WIDTH | 3.110 INCHES NOMINAL |
| APERTURE WIDTH | 2.510 INCHES NOMINAL |
| APERTURE LENGTH | 2.910 INCHES NOMINAL |
Restrictions/Controls & Freight Information | NSN 5999-01-433-7246
| Category | Code | Description |
|---|---|---|
| Shelf-Life Code: | 0 | Nondeteriorative |
| Hazardous Material Indicator Code | P | There is no information in the HMIS; however, the NSN is in an FSC in Table II of Federal Standard 313 and an MSDS may be required by the user. The requirement for an MSDS is dependent on a hazard determination of the supplier or the intended end use of the product |
| Demilitarization Code: | A | Non-Munitions List Item/ Non-Strategic List Item - Demilitarization not required. |
| Controlled Inventory Item Code: | U | UNCLASSIFIED |
| Electro-static Discharge Susceptible: | A | No known Electrostatic Discharge (ESD) or Electromagnetic Interference (EMI) sensitivity |
| Precious Metals Indicator Code: | A | Item does not contain precious metal |
| Criticality Code: | X | The item does not have a nuclear hardened feature or any other critical feature such as tolerance, fit restriction or application. |
| Automatic Data Processing Equipment: | 0 | Represents items with no ADP components. NOTE: Codes 1 through 6 are only to be used when the item is Automatic Data Processing Equipment (ADPE) in its entirety and is limited to the type meeting only one of the definitions for codes 1 through 6. (See code 9) |
| Category | Code | Description |
|---|---|---|
| NMF Description | 062800 | RADIO/TV RECEIVING SET CHASSIS ETC |
| Less than car load rating | ||
| Less than truck load rating | M | 85.0 |
| Water commodity Code | 723 | unknown |
| Originating Activity Code | TH | Defense Supply Center Columbus Columbus, OH 43215 |
| Air Dimension Code | A | Shipment is not a consolidation and does not exceed 72 inches in any dimension. |
| Air Commodity | H | Signal Corps supplies and equipment, including radio equipment and supplies, communications equipment and supplies, electrical equipment and supplies, etc. |
| Air Special Handling | Z | No special handling required. |
| Special Handling Code | 9 | unknonwn |
| HAZMAT | ||
| Type of Cargo | Z | No special type of cargo code applicable |
Management | NSN 5999-01-433-7246
| Category | Code | Description |
|---|---|---|
| Budget Code | 9 | General Support DIV57X4921.070:Air Force decentrally managed expense items (ERRC XB3, XF-3) with a unit cost of less than $250,000 that are requisitioned/procured at base (retail) level from DLA, GSA, Army, Navy, Depot Maintenance Service, Air Force Industrial Fund (AFMC), local manufacture and commercial vendors. |
| Materiel Management Aggregation Code | EH | SX:ELECTRONIC COMPONENTS |
| Price Validation | N | The current standard price in Catalog Management Data (CMD) has not analyzed or coded for LP/LM.
|
| Fund Code | SF | Stock fund applicable to items managed for the Air Force by the respective Inventory Control Point. |
| Source of Supply | SMS | Defense Logistics Agency Enterprise Business Systems |
| Agency | DF | Department of the Air Force |
| Service Organization | F | U.S. Air Force |
| Reparability | N | Stock Fund (except Munitions) |
| Acquisition Advice Codes | J | NOT STOCKED, CENTRALLY PROCURED # (NON-STOCKED ITEMS) IMM/Service centrally managed but not stocked item. Procurement will be initiated only after receipt of a requisition. |
| Controlled Item Code | U | UNCLASSIFIED |
| Shelf Life Code | 0 | Nondeteriorative |



