NSN 9540-00-250-3606 AMS-QQ-A-200/8, AMSQQA2008, QQA2008
Product Details | STRUCTURAL BEAM
9540-00-250-3606 A structural shape fabricated from a ferrous or nonferrous material and resembles the following cross-sectional forms: For the letter H, both flanges of the H section are equal or longer than the width measured along the axis of the web; for the letter I, a 16 2/3 percent slope on the inside face of the ferrous type flange, either one or both of the nonferrous type flanges are shorter than the length measured along the axis of the web; for the letters T and Z, on nonferrous type, the web is usually at right angles to the flanges. Letter H section may have a maximum of 5 percent slope on the inside face of the flanges.20295200017Structural Shapes95400040Structural Shapes, Nonferrous Base Metal
Part Alternates: AMS-QQ-A-200/8, AMSQQA2008, QQA2008, QQA200-8, 851C, 9540-00-250-3606, 00-250-3606, 9540002503606, 002503606
Metal Bars, Sheets, and Shapes | Structural Shapes, Nonferrous Base Metal
| Supply Group (FSG) | NSN Assign. | NIIN | Item Name Code (INC) |
|---|---|---|---|
| 95 | 01 JAN 1963 | 00-250-3606 | 37018 ( BEAM, STRUCTURAL ) |
Demand History | NSN 9540-00-250-3606
| Part Number | Request Date | QTY | Origin |
|---|---|---|---|
| QQA2008 | 2024-04-93 | 200 | United States |
| 9540-00-250-3606 | 2015-11-329 | 1 | DIBBS-RFPs |
Request a Quote
What Our Customers Say
Compare
Related Products | NSN 9540-00-250-3606
Technical Data | NSN 9540-00-250-3606
| Characteristic | Specifications |
|---|---|
| MATERIAL | ALUMINUM ALLOY AMS-QQ-A-200/8, ALOY 6061 |
| FABRICATION METHOD | EXTRUDED |
| HEAT TREATMENT | T-6 SOLUTION HEAT TREATED |
| LENGTH | 20.000 FEET MINIMUM AND 30.000 FEET MAXIMUM |
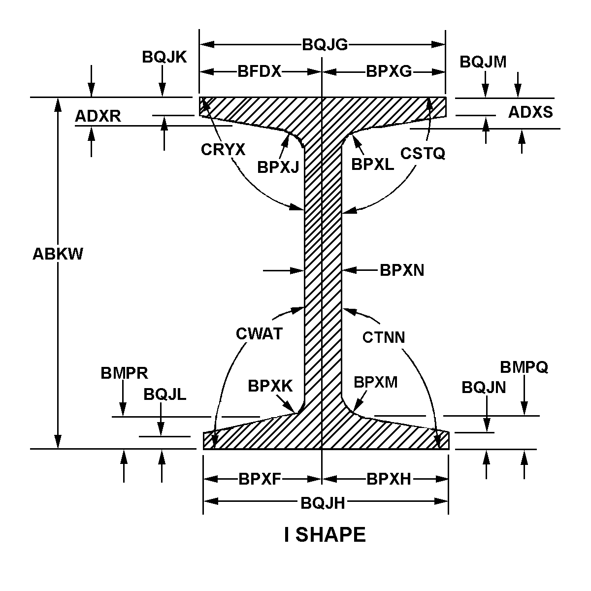
| BASIC SHAPE STYLE | H8 I SHAPE |
| OVERALL HEIGHT | 5.000 INCHES NOMINAL |
| LEFT SIDE TOP FLANGE THICKNESS | 0.489 INCHES NOMINAL |
| RIGHT SIDE TOP FLANGE THICKNESS | 0.489 INCHES NOMINAL |
| RIGHT SIDE BOTTOM FLANGE THICKNESS | 0.489 INCHES NOMINAL |
| LEFT SIDE BOTTOM FLANGE THICKNESS | 0.489 INCHES NOMINAL |
| LEFT SIDE TOP FLANGE DISTANCE TO CENTER OF BOTH FLANGES | 1.500 INCHES NOMINAL |
| LEFT SIDE BOTTOM FLANGE DISTANCE TO CENTER OF BOTH FLANGES | 1.500 INCHES NOMINAL |
| RIGHT SIDE TOP FLANGE DISTANCE TO CENTER OF BOTH FLANGES | 1.500 INCHES NOMINAL |
| RIGHT SIDE BOTTOM FLANGE DISTANCE TO CENTER OF BOTH FLANGES | 1.500 INCHES NOMINAL |
| FILLET RADIUS WHERE TOP LEFT FLANGE JOINS WEB FLANGE/LEG | 0.310 INCHES NOMINAL |
| FILLET RADIUS WHERE BOTTOM LEFT FLANGE JOINS WEB FLANGE/LEG | 0.310 INCHES NOMINAL |
| FILLET RADIUS WHERE TOP RIGHT FLANGE JOINS WEB FLANGE/LEG | 0.310 INCHES NOMINAL |
| FILLET RADIUS WHERE BOTTOM RIGHT FLANGE JOINS WEB FLANGE/LEG | 0.310 INCHES NOMINAL |
| WEB FLANGE THICKNESS | 0.210 INCHES NOMINAL |
| TOP FLANGE WIDTH | 3.000 INCHES NOMINAL |
| BOTTOM FLANGE WIDTH | 3.000 INCHES NOMINAL |
| LEFT SIDE TOP FLANGE TIP THICKNESS | 0.210 INCHES NOMINAL |
| LEFT SIDE BOTTOM FLANGE TIP THICKNESS | 0.210 INCHES NOMINAL |
| RIGHT SIDE TOP FLANGE TIP THICKNESS | 0.210 INCHES NOMINAL |
| RIGHT SIDE BOTTOM FLANGE TIP THICKNESS | 0.210 INCHES NOMINAL |
| LEFT TOP INNER FACE TO OUTER FACE ANGLE | 90.0 DEGREES NOMINAL |
| LEFT BOTTOM INNER FACE TO OUTER FACE ANGLE | 90.0 DEGREES NOMINAL |
| RIGHT TOP INNER FACE TO OUTER FACE ANGLE | 90.0 DEGREES NOMINAL |
| RIGHT BOTTOM INNER FACE TO OUTER FACE ANGLE | 90.0 DEGREES NOMINAL |
| FIRST TIP STYLE | 5 LOWER RADIUS |
| FIRST TIP RADIUS | 0.130 INCHES NOMINAL |
| SECOND TIP RELATIONSHIP TO FIRST TIP | IDENTICAL |
| THIRD TIP RELATIONSHIP TO PRECEDING TIPS | NOT IDENTICAL |
| THIRD TIP STYLE | 4 UPPER RADIUS |
| THIRD TIP RADIUS | 0.130 INCHES NOMINAL |
| FOURTH TIP RELATIONSHIP TO PRECEDING TIPS | IDENTICAL W/THIRD TIP |
| WEIGHT PER UNIT MEASURE | 3.430 POUNDS PER LINEAR FOOT |
| NONDEFINITIVE SPEC/STD DATA | T6 TEMPER |
Restrictions/Controls & Freight Information | NSN 9540-00-250-3606
| Category | Code | Description |
|---|---|---|
| Shelf-Life Code: | 0 | Nondeteriorative |
| Hazardous Material Indicator Code | N | There is no data in the HMIS and the NSN is in an FSC not generally suspected of containing hazardous materials |
| Demilitarization Code: | A | Non-Munitions List Item/ Non-Strategic List Item - Demilitarization not required. |
| Controlled Inventory Item Code: | U | UNCLASSIFIED |
| Precious Metals Indicator Code: | A | Item does not contain precious metal |
| Criticality Code: | X | The item does not have a nuclear hardened feature or any other critical feature such as tolerance, fit restriction or application. |
| Automatic Data Processing Equipment: | 0 | Represents items with no ADP components. NOTE: Codes 1 through 6 are only to be used when the item is Automatic Data Processing Equipment (ADPE) in its entirety and is limited to the type meeting only one of the definitions for codes 1 through 6. (See code 9) |
| Category | Code | Description |
|---|---|---|
| NMF Description | 104420 | BEAMS NOI I/S |
| Less than car load rating | ||
| Less than truck load rating | U | 50.0 |
| Water commodity Code | 576 | unknown |
| Originating Activity Code | XX | |
| Air Dimension Code | A | Shipment is not a consolidation and does not exceed 72 inches in any dimension. |
| Air Commodity | B | Construction materials: Includes paint and related materials, prefabricated building, wood products, metal and composition materials and their products, commercial hardware and miscellaneous items, cement, asphalt, building maintenance materials. |
| Air Special Handling | Z | No special handling required. |
| Special Handling Code | 9 | unknonwn |
| HAZMAT | ||
| Type of Cargo | Z | No special type of cargo code applicable |
Management | NSN 9540-00-250-3606
| Category | Code | Description |
|---|---|---|
| Materiel Category and Inventory Manager | J | Ground Forces Support Materiel (DLA/GSA Items) |
| Appropriation and Budget Activity | 2 | Stock Fund Secondary Items |
| Management Inventory Segment | 2 | NONREPARABLE ITEMS (Exclusive of Insurance and Provisioning Items). This code will be used to identify items which are not reparable. |
| Specific Group/Generic Code | 0 | Medical Materiel |
| Weapons Systems/End Item or Homogeneous Group | 00 | DLA/GSA-Managed Items that cannot be identified to a specific Army Weapons Systems/End Item |
| Accounting Requirements Code | X | Expendable item. An item of Army property coded with an ARC of ?X? in the AMDF. Expendable items require no formal accountability after issue from a stock record account. Commercial and fabricated items similar to items coded ?X? in the AMDF are considered expendable items. |
| Source of Supply | SMS | Defense Logistics Agency Enterprise Business Systems |
| Agency | DA | Department of the Army |
| Service Organization | A | U.S. Army |
| Reparability | Z | This is a nonreparable item. If condemned or economically unserviceable, then dispose at the level authorized replace the item. |
| Acquisition Advice Codes | Z | INSURANCE/NUMERIC STOCKAGE OBJECTIVE ITEM # Items which may be required occasionally or intermittently, and prudence requires that a nominal quantity of materiel be stocked due to the essentiality or the lead time of the item. 1. The item is centrally managed, stocked, and issued. 2. Requisitions will be submitted in accordance with IMM/Service requisitioning procedures. |
| Controlled Item Code | U | UNCLASSIFIED |
| Shelf Life Code | 0 | Nondeteriorative |
| Purchasing | QTY UOM |
1 FT : Foot |
| Category | Code | Description |
|---|---|---|
| Budget Code | 9 | General Support DIV57X4921.070:Air Force decentrally managed expense items (ERRC XB3, XF-3) with a unit cost of less than $250,000 that are requisitioned/procured at base (retail) level from DLA, GSA, Army, Navy, Depot Maintenance Service, Air Force Industrial Fund (AFMC), local manufacture and commercial vendors. |
| Fund Code | SF | Stock fund applicable to items managed for the Air Force by the respective Inventory Control Point. |
| Price Validation | V | The current standard price has been validated.
|
| Source of Supply | SMS | Defense Logistics Agency Enterprise Business Systems |
| Agency | DF | Department of the Air Force |
| Service Organization | F | U.S. Air Force |
| Reparability | N | Stock Fund (except Munitions) |
| Acquisition Advice Codes | Z | INSURANCE/NUMERIC STOCKAGE OBJECTIVE ITEM # Items which may be required occasionally or intermittently, and prudence requires that a nominal quantity of materiel be stocked due to the essentiality or the lead time of the item. 1. The item is centrally managed, stocked, and issued. 2. Requisitions will be submitted in accordance with IMM/Service requisitioning procedures. |
| Controlled Item Code | U | UNCLASSIFIED |
| Shelf Life Code | 0 | Nondeteriorative |
| Purchasing | QTY UOM |
1 FT : Foot |
| Category | Code | Description |
|---|---|---|
| Cognizance Codes | 9B | Navy-owned stocks of DLA material Naval Inventory Control Point, Mechanicsburg |
| Source of Supply | SMS | Defense Logistics Agency Enterprise Business Systems |
| Agency | DN | Department of the Navy |
| Service Organization | N | U.S. Navy |
| Acquisition Advice Codes | Z | INSURANCE/NUMERIC STOCKAGE OBJECTIVE ITEM # Items which may be required occasionally or intermittently, and prudence requires that a nominal quantity of materiel be stocked due to the essentiality or the lead time of the item. 1. The item is centrally managed, stocked, and issued. 2. Requisitions will be submitted in accordance with IMM/Service requisitioning procedures. |
| Controlled Item Code | U | UNCLASSIFIED |
| Shelf Life Code | 0 | Nondeteriorative |
| Purchasing | QTY UOM |
1 FT : Foot |



