NSN 9540-00-595-8597 AMSQQA20011, AMS-QQA200-11, QQA20011
Product Details | STRUCTURAL BEAM
9540-00-595-8597 A structural shape fabricated from a ferrous or nonferrous material and resembles the following cross-sectional forms: For the letter H, both flanges of the H section are equal or longer than the width measured along the axis of the web; for the letter I, a 16 2/3 percent slope on the inside face of the ferrous type flange, either one or both of the nonferrous type flanges are shorter than the length measured along the axis of the web; for the letters T and Z, on nonferrous type, the web is usually at right angles to the flanges. Letter H section may have a maximum of 5 percent slope on the inside face of the flanges.20295200017Structural Shapes95400040Structural Shapes, Nonferrous Base Metal
Part Alternates: AMSQQA20011, AMS-QQA200-11, QQA20011, QQA200-11, 120001, 38355, 9540-00-595-8597, 00-595-8597, 9540005958597, 005958597
Metal Bars, Sheets, and Shapes | Structural Shapes, Nonferrous Base Metal
| Supply Group (FSG) | NSN Assign. | NIIN | Item Name Code (INC) |
|---|---|---|---|
| 95 | 01 JAN 1963 | 00-595-8597 | 37018 ( BEAM, STRUCTURAL ) |
Demand History | NSN 9540-00-595-8597
| Part Number | Request Date | QTY | Origin |
|---|---|---|---|
| QQA20011 | 2020-01-03 | 1 | US |
| QQA20011 | 2009-10-287 | 14 | FX |
Cross Reference | NSN 9540-00-595-8597
Request a Quote
What Our Customers Say
Compare
Related Products | NSN 9540-00-595-8597
Technical Data | NSN 9540-00-595-8597
| Characteristic | Specifications |
|---|---|
| MATERIAL | ALUMINUM ALLOY, QQ-A-200/11 |
| FABRICATION METHOD | EXTRUDED |
| HEAT TREATMENT | T-6 SOLUTION HEAT TREATED |
| LENGTH | 10.000 FEET MINIMUM AND 12.000 FEET MAXIMUM |
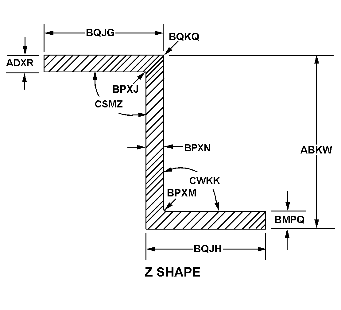
| BASIC SHAPE STYLE | K16 Z SHAPE |
| OVERALL HEIGHT | 1.875 INCHES NOMINAL |
| LEFT SIDE TOP FLANGE THICKNESS | 0.064 INCHES NOMINAL |
| RIGHT SIDE BOTTOM FLANGE THICKNESS | 0.064 INCHES NOMINAL |
| FILLET RADIUS WHERE TOP LEFT FLANGE JOINS WEB FLANGE/LEG | 0.125 INCHES NOMINAL |
| FILLET RADIUS WHERE BOTTOM RIGHT FLANGE JOINS WEB FLANGE/LEG | 0.125 INCHES NOMINAL |
| WEB FLANGE THICKNESS | 0.064 INCHES NOMINAL |
| TOP FLANGE WIDTH | 0.750 INCHES NOMINAL |
| BOTTOM FLANGE WIDTH | 0.938 INCHES NOMINAL |
| OUTER RADIUS WHERE TOP LEFT FLANGE JOINS WEB FLANGE | 0.125 INCHES NOMINAL |
| LEFT TOP INSIDE ANGLE | 90.0 DEGREES NOMINAL |
| RIGHT BOTTOM INSIDE ANGLE | 90.0 DEGREES NOMINAL |
| FIRST TIP STYLE | 66 FLANGE LEFT DOWNWARD WITH SQUARE END AND INNER AND OUTER CORNER RADII |
| FIRST TIP INNER CORNER RADIUS | 0.125 INCHES NOMINAL |
| FIRST TIP OUTER CORNER RADIUS | 0.125 INCHES NOMINAL |
| FIRST TIP THICKNESS | 0.064 INCHES NOMINAL |
| FIRST TIP FLANGE HEIGHT | 0.250 INCHES NOMINAL |
| SECOND TIP RELATIONSHIP TO FIRST TIP | NOT IDENTICAL |
| SECOND TIP STYLE | 75 FLANGE RIGHT UPWARD WITH SQUARE END, INNER CORNER RADIUS, AND SQUARE OUTER CORNER |
| SECOND TIP INNER CORNER RADIUS | 0.125 INCHES NOMINAL |
| SECOND TIP THICKNESS | 0.064 INCHES NOMINAL |
| SECOND TIP FLANGE HEIGHT | 0.189 INCHES NOMINAL |
| WEIGHT PER UNIT MEASURE | 0.310 POUNDS PER LINEAR FOOT |
| NONDEFINITIVE SPEC/STD DATA | T6 TEMPER |
Restrictions/Controls & Freight Information | NSN 9540-00-595-8597
| Category | Code | Description |
|---|---|---|
| Hazardous Material Indicator Code | N | There is no data in the HMIS and the NSN is in an FSC not generally suspected of containing hazardous materials |
| Demilitarization Code: | A | Non-Munitions List Item/ Non-Strategic List Item - Demilitarization not required. |
| Precious Metals Indicator Code: | U | Precious metal type is unknown |
| Criticality Code: | X | The item does not have a nuclear hardened feature or any other critical feature such as tolerance, fit restriction or application. |
| Category | Code | Description |
|---|---|---|
| NMF Description | 013220 | ALUM BEAMS |
| Less than car load rating | S | 60 |
| Less than truck load rating | S | 60.0 |
| Water commodity Code | 576 | unknown |
| Originating Activity Code | XX | |
| Air Dimension Code | A | Shipment is not a consolidation and does not exceed 72 inches in any dimension. |
| Air Commodity | B | Construction materials: Includes paint and related materials, prefabricated building, wood products, metal and composition materials and their products, commercial hardware and miscellaneous items, cement, asphalt, building maintenance materials. |
| Air Special Handling | Z | No special handling required. |
| Special Handling Code | R | unknonwn |
| HAZMAT | ||
| Type of Cargo | Z | No special type of cargo code applicable |



