NSN 9540-00-596-1088 AMS-QQ-A-200/3, AMSQQA2003, QQ-A-200/3
Product Details | STRUCTURAL BEAM
9540-00-596-1088 A structural shape fabricated from a ferrous or nonferrous material and resembles the following cross-sectional forms: For the letter H, both flanges of the H section are equal or longer than the width measured along the axis of the web; for the letter I, a 16 2/3 percent slope on the inside face of the ferrous type flange, either one or both of the nonferrous type flanges are shorter than the length measured along the axis of the web; for the letters T and Z, on nonferrous type, the web is usually at right angles to the flanges. Letter H section may have a maximum of 5 percent slope on the inside face of the flanges.20295200017Structural Shapes95400040Structural Shapes, Nonferrous Base Metal
Part Alternates: AMS-QQ-A-200/3, AMSQQA2003, QQ-A-200/3, QQA2003, 117943, 9540-00-596-1088, 00-596-1088, 9540005961088, 005961088
Metal Bars, Sheets, and Shapes | Structural Shapes, Nonferrous Base Metal
| Supply Group (FSG) | NSN Assign. | NIIN | Item Name Code (INC) |
|---|---|---|---|
| 95 | 01 JAN 1963 | 00-596-1088 | 37018 ( BEAM, STRUCTURAL ) |
Demand History | NSN 9540-00-596-1088
| Part Number | Request Date | QTY | Origin |
|---|---|---|---|
| AMSQQA2003 | 2015-05-139 | 12 | US |
| QQA2003 | 2009-11-323 | 1 | US |
Request a Quote
What Our Customers Say
Compare
Related Products | NSN 9540-00-596-1088
Technical Data | NSN 9540-00-596-1088
| Characteristic | Specifications |
|---|---|
| MATERIAL | ALUMINUM ALLOY AMS-QQ-A-200/3, ALLOY 2024 |
| FABRICATION METHOD | EXTRUDED |
| HEAT TREATMENT | T-3511 SOLUTION HEAT TREATED |
| LENGTH | 10.000 FEET MINIMUM AND 12.000 FEET MAXIMUM |
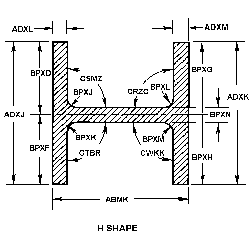
| BASIC SHAPE STYLE | G4 H SHAPE |
| OVERALL WIDTH | 0.750 INCHES NOMINAL |
| LEFT SIDE FLANGE HEIGHT | 1.750 INCHES NOMINAL |
| RIGHT SIDE FLANGE HEIGHT | 1.750 INCHES NOMINAL |
| LEFT SIDE FLANGE THICKNESS | 0.125 INCHES NOMINAL |
| RIGHT SIDE FLANGE THICKNESS | 0.125 INCHES NOMINAL |
| LEFT SIDE TOP FLANGE DISTANCE TO CENTER OF BOTH FLANGES | 0.875 INCHES NOMINAL |
| LEFT SIDE BOTTOM FLANGE DISTANCE TO CENTER OF BOTH FLANGES | 0.875 INCHES NOMINAL |
| RIGHT SIDE TOP FLANGE DISTANCE TO CENTER OF BOTH FLANGES | 0.875 INCHES NOMINAL |
| RIGHT SIDE BOTTOM FLANGE DISTANCE TO CENTER OF BOTH FLANGES | 0.875 INCHES NOMINAL |
| FILLET RADIUS WHERE TOP LEFT FLANGE JOINS WEB FLANGE/LEG | 0.031 INCHES NOMINAL |
| FILLET RADIUS WHERE BOTTOM LEFT FLANGE JOINS WEB FLANGE/LEG | 0.031 INCHES NOMINAL |
| FILLET RADIUS WHERE TOP RIGHT FLANGE JOINS WEB FLANGE/LEG | 0.031 INCHES NOMINAL |
| FILLET RADIUS WHERE BOTTOM RIGHT FLANGE JOINS WEB FLANGE/LEG | 0.031 INCHES NOMINAL |
| WEB FLANGE THICKNESS | 0.125 INCHES NOMINAL |
| LEFT TOP INSIDE ANGLE | 90.0 DEGREES NOMINAL |
| LEFT BOTTOM INSIDE ANGLE | 90.0 DEGREES NOMINAL |
| RIGHT TOP INSIDE ANGLE | 90.0 DEGREES NOMINAL |
| RIGHT BOTTOM INSIDE ANGLE | 90.0 DEGREES NOMINAL |
| FIRST TIP STYLE | 3 LEFT QUARTER RADIUS |
| FIRST TIP RADIUS | 0.031 INCHES NOMINAL |
| SECOND TIP RELATIONSHIP TO FIRST TIP | NOT IDENTICAL |
| SECOND TIP STYLE | 2 RIGHT QUARTER RADIUS |
| SECOND TIP RADIUS | 0.031 INCHES NOMINAL |
| THIRD TIP RELATIONSHIP TO PRECEDING TIPS | IDENTICAL W/FIRST TIP |
| FOURTH TIP RELATIONSHIP TO PRECEDING TIPS | IDENTICAL W/SECOND TIP |
| WEIGHT PER UNIT MEASURE | 0.600 POUNDS PER LINEAR FOOT |
| NONDEFINITIVE SPEC/STD DATA | T3511 TEMPER |
Restrictions/Controls & Freight Information | NSN 9540-00-596-1088
| Category | Code | Description |
|---|---|---|
| Shelf-Life Code: | 0 | Nondeteriorative |
| Hazardous Material Indicator Code | N | There is no data in the HMIS and the NSN is in an FSC not generally suspected of containing hazardous materials |
| Demilitarization Code: | A | Non-Munitions List Item/ Non-Strategic List Item - Demilitarization not required. |
| Controlled Inventory Item Code: | U | UNCLASSIFIED |
| Precious Metals Indicator Code: | A | Item does not contain precious metal |
| Criticality Code: | X | The item does not have a nuclear hardened feature or any other critical feature such as tolerance, fit restriction or application. |
| Automatic Data Processing Equipment: | 0 | Represents items with no ADP components. NOTE: Codes 1 through 6 are only to be used when the item is Automatic Data Processing Equipment (ADPE) in its entirety and is limited to the type meeting only one of the definitions for codes 1 through 6. (See code 9) |
| Category | Code | Description |
|---|---|---|
| NMF Description | 013455 | ALUM FORMS STRUCTURAL |
| Less than car load rating | ||
| Less than truck load rating | S | 60.0 |
| Water commodity Code | 576 | unknown |
| Originating Activity Code | XX | |
| Air Dimension Code | A | Shipment is not a consolidation and does not exceed 72 inches in any dimension. |
| Air Commodity | B | Construction materials: Includes paint and related materials, prefabricated building, wood products, metal and composition materials and their products, commercial hardware and miscellaneous items, cement, asphalt, building maintenance materials. |
| Air Special Handling | Z | No special handling required. |
| Special Handling Code | R | unknonwn |
| HAZMAT | ||
| Type of Cargo | Z | No special type of cargo code applicable |
Management | NSN 9540-00-596-1088
| Category | Code | Description |
|---|---|---|
| Cognizance Codes | 9Z | Navy-owned stocks of defense industrial material Naval Inventory Control Point, Mechanicsburg |
| Source of Supply | S9I | Defense Industrial Supply Center Philadelphia, PA 19111 |
| Agency | DN | Department of the Navy |
| Service Organization | N | U.S. Navy |
| Acquisition Advice Codes | Y | TERMINAL ITEM #(NON-STOCKED ITEMS) Future procurement is not authorized. No wholesale stock is available for issue. 1. Requisitions will not be processed to the wholesale manager. 2. Internal Service/agency requisitioning may be continued in accordance with the Service/agency requisitioning policies. |
| Controlled Item Code | U | UNCLASSIFIED |
| Shelf Life Code | 0 | Nondeteriorative |



