NSN 9540-01-087-0829 MS14387E003, AMS-QQ-A-200/3, AMSQQA2003
Product Details | STRUCTURAL BEAM
9540-01-087-0829 A structural shape fabricated from a ferrous or nonferrous material and resembles the following cross-sectional forms: For the letter H, both flanges of the H section are equal or longer than the width measured along the axis of the web; for the letter I, a 16 2/3 percent slope on the inside face of the ferrous type flange, either one or both of the nonferrous type flanges are shorter than the length measured along the axis of the web; for the letters T and Z, on nonferrous type, the web is usually at right angles to the flanges. Letter H section may have a maximum of 5 percent slope on the inside face of the flanges.20295200017Structural Shapes95400040Structural Shapes, Nonferrous Base Metal
Part Alternates: MS14387E003, AMS-QQ-A-200/3, AMSQQA2003, K51A20O, QQ-A-200/3, QQA2003, 50027A, 50027-A, 6027702, 60-27702, 67102, 9540-01-087-0829, 01-087-0829, 9540010870829, 010870829
Metal Bars, Sheets, and Shapes | Structural Shapes, Nonferrous Base Metal
| Supply Group (FSG) | NSN Assign. | NIIN | Item Name Code (INC) |
|---|---|---|---|
| 95 | 11 DEC 1979 | 01-087-0829 | 37018 ( BEAM, STRUCTURAL ) |
Demand History | NSN 9540-01-087-0829
| Part Number | Request Date | QTY | Origin |
|---|---|---|---|
| 9540-01-087-0829 | 2025-07-204 | 1 | DIBBS |
| AMSQQA2003 | 2015-05-139 | 12 | US |
| QQA2003 | 2009-11-323 | 1 | US |
Cross Reference | NSN 9540-01-087-0829
| Part Number | Cage Code | Manufacturer |
|---|---|---|
| 50027-A | 55088 | PIMALCO INC. DIV ALCOA INC GLOBAL HARD ALLOY |
| 60-27702 | 29321 | TRANSTAR METALS CORP |
| 67102 | 27610 | INTERNATIONAL LIGHT METALS CORP SUB OF MARTIN MARIETTA CORP |
| AMS-QQ-A-200/3 | 81343 | SOCIETY OF AUTOMOTIVE ENGINEERS INC |
| K51A20O | 81755 | LOCKHEED MARTIN CORPORATION DBA LOCKHEED MARTIN AERONAUTICS |
| MS14387E003 | 96906 | MILITARY STANDARDS PROMULGATED BY MILITARY DEPARTMENTS |
| QQ-A-200/3 | 81348 | FEDERAL SPECIFICATIONS PROMULGATED BY GENERAL SERVICES |
Request a Quote
What Our Customers Say
Compare
Related Products | NSN 9540-01-087-0829
Technical Data | NSN 9540-01-087-0829
| Characteristic | Specifications |
|---|---|
| MATERIAL | ALUMINUM ALLOY AMS-QQ-A-200/3, ALLOY 2024 |
| FABRICATION METHOD | EXTRUDED |
| HEAT TREATMENT | O-ANNEALED |
| LENGTH | 10.000 FEET MINIMUM AND 12.000 FEET MAXIMUM |
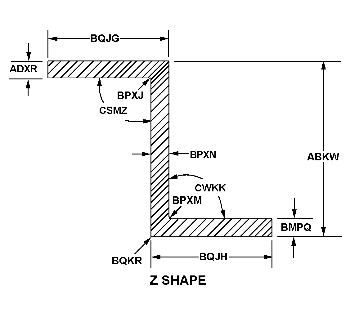
| BASIC SHAPE STYLE | K14 Z SHAPE |
| OVERALL HEIGHT | 0.565 INCHES NOMINAL |
| LEFT SIDE TOP FLANGE THICKNESS | 0.063 INCHES NOMINAL |
| RIGHT SIDE BOTTOM FLANGE THICKNESS | 0.063 INCHES NOMINAL |
| FILLET RADIUS WHERE TOP LEFT FLANGE JOINS WEB FLANGE/LEG | 0.120 INCHES NOMINAL |
| FILLET RADIUS WHERE BOTTOM RIGHT FLANGE JOINS WEB FLANGE/LEG | 0.120 INCHES NOMINAL |
| WEB FLANGE THICKNESS | 0.063 INCHES NOMINAL |
| TOP FLANGE WIDTH | 0.750 INCHES NOMINAL |
| BOTTOM FLANGE WIDTH | 0.750 INCHES NOMINAL |
| OUTER RADIUS WHERE BOTTOM RIGHT FLANGE JOINS WEB FLANGE | 0.040 INCHES NOMINAL |
| LEFT TOP INSIDE ANGLE | 90.0 DEGREES NOMINAL |
| RIGHT BOTTOM INSIDE ANGLE | 95.5 DEGREES NOMINAL |
| FIRST TIP STYLE | 28 SQUARE END WITH LOWER RADIUS |
| FIRST TIP RADIUS | 0.040 INCHES NOMINAL |
| SECOND TIP RELATIONSHIP TO FIRST TIP | NOT IDENTICAL |
| SECOND TIP STYLE | 27 SQUARE END WITH UPPER RADIUS |
| SECOND TIP RADIUS | 0.040 INCHES NOMINAL |
| WEIGHT PER UNIT MEASURE | 0.146 POUNDS PER LINEAR FOOT |
| SPECIFICATION/STANDARD DATA | 81755-K51 MANUFACTURERS STANDARD |
| NONDEFINITIVE SPEC/STD DATA | O TEMPER |
| MANUFACTURERS CODE | 96906 |
| DEFINITIVE GOVERNMENT SPEC/STD REFERENCE | MS14387E003 |
Restrictions/Controls & Freight Information | NSN 9540-01-087-0829
| Category | Code | Description |
|---|---|---|
| Shelf-Life Code: | 0 | Nondeteriorative |
| Hazardous Material Indicator Code | N | There is no data in the HMIS and the NSN is in an FSC not generally suspected of containing hazardous materials |
| Demilitarization Code: | A | Non-Munitions List Item/ Non-Strategic List Item - Demilitarization not required. |
| Controlled Inventory Item Code: | U | UNCLASSIFIED |
| Precious Metals Indicator Code: | A | Item does not contain precious metal |
| Criticality Code: | X | The item does not have a nuclear hardened feature or any other critical feature such as tolerance, fit restriction or application. |
| Automatic Data Processing Equipment: | 0 | Represents items with no ADP components. NOTE: Codes 1 through 6 are only to be used when the item is Automatic Data Processing Equipment (ADPE) in its entirety and is limited to the type meeting only one of the definitions for codes 1 through 6. (See code 9) |
| Category | Code | Description |
|---|---|---|
| NMF Description | 104420 | BEAMS NOI I/S |
| Less than car load rating | ||
| Less than truck load rating | U | 50.0 |
| Water commodity Code | 576 | unknown |
| Originating Activity Code | KZ | Defense Supply Center Philadelphia Philadelphia, PA 19101 |
| Air Dimension Code | A | Shipment is not a consolidation and does not exceed 72 inches in any dimension. |
| Air Commodity | B | Construction materials: Includes paint and related materials, prefabricated building, wood products, metal and composition materials and their products, commercial hardware and miscellaneous items, cement, asphalt, building maintenance materials. |
| Air Special Handling | Z | No special handling required. |
| Special Handling Code | 9 | unknonwn |
| HAZMAT | ||
| Type of Cargo | Z | No special type of cargo code applicable |
Management | NSN 9540-01-087-0829
| Category | Code | Description |
|---|---|---|
| Budget Code | 9 | General Support DIV57X4921.070:Air Force decentrally managed expense items (ERRC XB3, XF-3) with a unit cost of less than $250,000 that are requisitioned/procured at base (retail) level from DLA, GSA, Army, Navy, Depot Maintenance Service, Air Force Industrial Fund (AFMC), local manufacture and commercial vendors. |
| Fund Code | SF | Stock fund applicable to items managed for the Air Force by the respective Inventory Control Point. |
| Price Validation | V | The current standard price has been validated.
|
| Source of Supply | SMS | Defense Logistics Agency Enterprise Business Systems |
| Agency | DF | Department of the Air Force |
| Service Organization | F | U.S. Air Force |
| Reparability | N | Stock Fund (except Munitions) |
| Acquisition Advice Codes | J | NOT STOCKED, CENTRALLY PROCURED # (NON-STOCKED ITEMS) IMM/Service centrally managed but not stocked item. Procurement will be initiated only after receipt of a requisition. |
| Controlled Item Code | U | UNCLASSIFIED |
| Shelf Life Code | 0 | Nondeteriorative |



