NSN 9540-01-232-7034 SS15134, SS1513-4, 01-232-7034
Product Details | STRUCTURAL BEAM
9540-01-232-7034 A structural shape fabricated from a ferrous or nonferrous material and resembles the following cross-sectional forms: For the letter H, both flanges of the H section are equal or longer than the width measured along the axis of the web; for the letter I, a 16 2/3 percent slope on the inside face of the ferrous type flange, either one or both of the nonferrous type flanges are shorter than the length measured along the axis of the web; for the letters T and Z, on nonferrous type, the web is usually at right angles to the flanges. Letter H section may have a maximum of 5 percent slope on the inside face of the flanges.20295200017Structural Shapes95400040Structural Shapes, Nonferrous Base Metal
Part Alternates: SS15134, SS1513-4, 9540-01-232-7034, 01-232-7034, 9540012327034, 012327034
Metal Bars, Sheets, and Shapes | Structural Shapes, Nonferrous Base Metal
| Supply Group (FSG) | NSN Assign. | NIIN | Item Name Code (INC) |
|---|---|---|---|
| 95 | 19 MAY 1986 | 01-232-7034 | 37018 ( BEAM, STRUCTURAL ) |
Cross Reference | NSN 9540-01-232-7034
| Part Number | Cage Code | Manufacturer |
|---|---|---|
| SS1513-4 | 78286 | SIKORSKY AIRCRAFT CORPORATION |
Request a Quote
What Our Customers Say
Compare
Related Products | NSN 9540-01-232-7034
Technical Data | NSN 9540-01-232-7034
| Characteristic | Specifications |
|---|---|
| MATERIAL | ALUMINUM ALLOY, AMS-QQ-A-250/13, ALCLAD 7075 |
| FABRICATION METHOD | EXTRUDED |
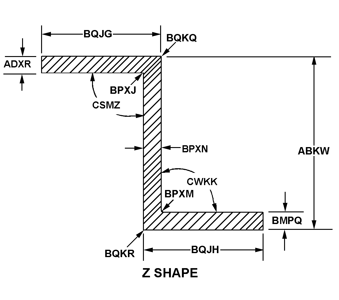
| BASIC SHAPE STYLE | K8 Z SHAPE |
| OVERALL HEIGHT | 1.000 INCHES NOMINAL |
| LEFT SIDE TOP FLANGE THICKNESS | 0.063 INCHES NOMINAL |
| RIGHT SIDE BOTTOM FLANGE THICKNESS | 0.063 INCHES NOMINAL |
| FILLET RADIUS WHERE TOP LEFT FLANGE JOINS WEB FLANGE/LEG | 0.125 INCHES NOMINAL |
| FILLET RADIUS WHERE BOTTOM RIGHT FLANGE JOINS WEB FLANGE/LEG | 0.125 INCHES NOMINAL |
| WEB FLANGE THICKNESS | 0.063 INCHES NOMINAL |
| TOP FLANGE WIDTH | 0.750 INCHES NOMINAL |
| BOTTOM FLANGE WIDTH | 0.880 INCHES NOMINAL |
| OUTER RADIUS WHERE TOP LEFT FLANGE JOINS WEB FLANGE | ANY ACCEPTABLE |
| OUTER RADIUS WHERE BOTTOM RIGHT FLANGE JOINS WEB FLANGE | ANY ACCEPTABLE |
| LEFT TOP INSIDE ANGLE | 90.0 DEGREES NOMINAL |
| RIGHT BOTTOM INSIDE ANGLE | 90.0 DEGREES NOMINAL |
| FIRST TIP STYLE | 1 SQUARE END |
| SECOND TIP RELATIONSHIP TO FIRST TIP | NOT IDENTICAL |
| SECOND TIP STYLE | 78 FLANGE RIGHT UPWARD WITH SQUARE END AND INNER AND OUTER CORNER RADII |
| SECOND TIP INNER CORNER RADIUS | 0.125 INCHES NOMINAL |
| SECOND TIP OUTER CORNER RADIUS | ANY ACCEPTABLE |
| SECOND TIP THICKNESS | 0.063 INCHES NOMINAL |
| SECOND TIP FLANGE HEIGHT | 0.250 INCHES NOMINAL |
Restrictions/Controls & Freight Information | NSN 9540-01-232-7034
| Category | Code | Description |
|---|---|---|
| Shelf-Life Code: | 0 | Nondeteriorative |
| Hazardous Material Indicator Code | N | There is no data in the HMIS and the NSN is in an FSC not generally suspected of containing hazardous materials |
| Demilitarization Code: | A | Non-Munitions List Item/ Non-Strategic List Item - Demilitarization not required. |
| Controlled Inventory Item Code: | U | UNCLASSIFIED |
| Precious Metals Indicator Code: | A | Item does not contain precious metal |
| Criticality Code: | X | The item does not have a nuclear hardened feature or any other critical feature such as tolerance, fit restriction or application. |
| Automatic Data Processing Equipment: | 0 | Represents items with no ADP components. NOTE: Codes 1 through 6 are only to be used when the item is Automatic Data Processing Equipment (ADPE) in its entirety and is limited to the type meeting only one of the definitions for codes 1 through 6. (See code 9) |
| Category | Code | Description |
|---|---|---|
| NMF Description | 104420 | BEAMS NOI I/S |
| Less than car load rating | ||
| Less than truck load rating | U | 50.0 |
| Water commodity Code | 576 | unknown |
| Originating Activity Code | ZG | Germany ZH ZJ |
| Air Dimension Code | A | Shipment is not a consolidation and does not exceed 72 inches in any dimension. |
| Air Commodity | B | Construction materials: Includes paint and related materials, prefabricated building, wood products, metal and composition materials and their products, commercial hardware and miscellaneous items, cement, asphalt, building maintenance materials. |
| Air Special Handling | Z | No special handling required. |
| Special Handling Code | 9 | unknonwn |
| HAZMAT | ||
| Type of Cargo | Z | No special type of cargo code applicable |
Management | NSN 9540-01-232-7034
| Category | Code | Description |
|---|---|---|
| Cognizance Codes | 9B | Navy-owned stocks of DLA material Naval Inventory Control Point, Mechanicsburg |
| Source of Supply | SMS | Defense Logistics Agency Enterprise Business Systems |
| Agency | DN | Department of the Navy |
| Service Organization | N | U.S. Navy |
| Acquisition Advice Codes | J | NOT STOCKED, CENTRALLY PROCURED # (NON-STOCKED ITEMS) IMM/Service centrally managed but not stocked item. Procurement will be initiated only after receipt of a requisition. |
| Controlled Item Code | U | UNCLASSIFIED |
| Shelf Life Code | 0 | Nondeteriorative |



