NSN 9540-01-235-2885 75A3209952006, 75A320995-2006, 01-235-2885
Product Details | STRUCTURAL BEAM
9540-01-235-2885 A structural shape fabricated from a ferrous or nonferrous material and resembles the following cross-sectional forms: For the letter H, both flanges of the H section are equal or longer than the width measured along the axis of the web; for the letter I, a 16 2/3 percent slope on the inside face of the ferrous type flange, either one or both of the nonferrous type flanges are shorter than the length measured along the axis of the web; for the letters T and Z, on nonferrous type, the web is usually at right angles to the flanges. Letter H section may have a maximum of 5 percent slope on the inside face of the flanges.20295200017Structural Shapes95400040Structural Shapes, Nonferrous Base Metal
Part Alternates: 75A3209952006, 75A320995-2006, 9540-01-235-2885, 01-235-2885, 9540012352885, 012352885
Metal Bars, Sheets, and Shapes | Structural Shapes, Nonferrous Base Metal
| Supply Group (FSG) | NSN Assign. | NIIN | Item Name Code (INC) |
|---|---|---|---|
| 95 | 27 JUN 1986 | 01-235-2885 | 37018 ( BEAM, STRUCTURAL ) |
Cross Reference | NSN 9540-01-235-2885
| Part Number | Cage Code | Manufacturer |
|---|---|---|
| 75A320995-2006 | 76301 | BOEING COMPANY, THE DBA BOEING |
Request a Quote
What Our Customers Say
Compare
Related Products | NSN 9540-01-235-2885
Technical Data | NSN 9540-01-235-2885
| Characteristic | Specifications |
|---|---|
| MATERIAL | ALUMINUM ALLOY, QQ-A-250/13 |
| FABRICATION METHOD | EXTRUDED |
| LENGTH | 0.675 FEET NOMINAL |
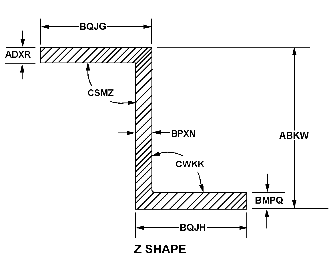
| BASIC SHAPE STYLE | K1 Z SHAPE |
| OVERALL HEIGHT | 2.230 INCHES MINIMUM AND 2.280 INCHES MAXIMUM |
| LEFT SIDE TOP FLANGE THICKNESS | 0.040 INCHES NOMINAL |
| RIGHT SIDE BOTTOM FLANGE THICKNESS | 0.040 INCHES NOMINAL |
| WEB FLANGE THICKNESS | 0.035 INCHES MINIMUM AND 0.045 INCHES MAXIMUM |
| TOP FLANGE WIDTH | 2.250 INCHES NOMINAL |
| BOTTOM FLANGE WIDTH | 2.350 INCHES NOMINAL |
| LEFT TOP INSIDE ANGLE | 90.0 DEGREES NOMINAL |
| RIGHT BOTTOM INSIDE ANGLE | 90.0 DEGREES NOMINAL |
| FIRST TIP STYLE | 1 SQUARE END |
| SECOND TIP RELATIONSHIP TO FIRST TIP | IDENTICAL |
Restrictions/Controls & Freight Information | NSN 9540-01-235-2885
| Category | Code | Description |
|---|---|---|
| Hazardous Material Indicator Code | N | There is no data in the HMIS and the NSN is in an FSC not generally suspected of containing hazardous materials |
| Demilitarization Code: | A | Non-Munitions List Item/ Non-Strategic List Item - Demilitarization not required. |
| Precious Metals Indicator Code: | U | Precious metal type is unknown |
| Criticality Code: | X | The item does not have a nuclear hardened feature or any other critical feature such as tolerance, fit restriction or application. |
| Category | Code | Description |
|---|---|---|
| No Freight Information | ||



